Например TDA7294

Форум РадиоКот • Просмотр темы - Варикап кв109
Форум РадиоКот
Здесь можно немножко помяукать :)

Текущее время: Ср дек 31, 2025 12:43:05

Часовой пояс: UTC + 3 часа


ПРЯМО СЕЙЧАС:



Начать новую тему Ответить на тему  [ Сообщений: 346 ]     ... , , , 7, , , ...  
Автор Сообщение
Не в сети
 Заголовок сообщения: Re: Варикап кв109
СообщениеДобавлено: Пн ноя 10, 2025 19:25:09 
Нашел транзистор. Понюхал.

Зарегистрирован: Ср апр 17, 2024 20:24:19
Сообщений: 178
Откуда: Курская область,
Рейтинг сообщения: 0
Александр 62, Да.
Лучше R1 10 кОм. 50кОм-убрать, транзистор(ы) с Кут более 300. :dont_know:


Изображение

Поправил с учетом замечаний.

Еще бы уточнить в какую точку подключить вход?


Вернуться наверх
 
Не в сети
 Заголовок сообщения: Re: Варикап кв109
СообщениеДобавлено: Пн ноя 10, 2025 19:47:58 
Сверлит текстолит когтями
Аватар пользователя

Карма: 6
Рейтинг сообщений: 217
Зарегистрирован: Пн ноя 08, 2021 13:12:57
Сообщений: 1177
Откуда: 58С 58В
Рейтинг сообщения: 1
тоже самое... на 5 выводе это АРУ для АМ.

Изображение

Можно попробовать соединить два упч... Соединив вместе выводы 7 и 8 вместе. я не пробовал. Возможно получится.
:tea:

11. Выход FM детектора. (на УНЧ).

_________________
Свежий взгляд из прошлого тысячелетия.


Вернуться наверх
 
Не в сети
 Заголовок сообщения: Re: Варикап кв109
СообщениеДобавлено: Пн ноя 10, 2025 21:52:54 
Друг Кота

Карма: -1
Рейтинг сообщений: 86
Зарегистрирован: Вт мар 13, 2012 12:16:13
Сообщений: 8893
Откуда: .ru
Рейтинг сообщения: 0
и что ?
вопрос был про индикатор... который подключается к Выход 5.


Вернуться наверх
 
Не в сети
 Заголовок сообщения: Re: Варикап кв109
СообщениеДобавлено: Вт ноя 11, 2025 07:28:36 
Друг Кота
Аватар пользователя

Карма: 116
Рейтинг сообщений: 4510
Зарегистрирован: Пт мар 30, 2012 05:17:29
Сообщений: 16103
Откуда: Екатеринбург
Рейтинг сообщения: 0
Он же вроде соединил 7 и 8, хотя как-то неявно. Остаётся открытым вопрос в частотных свойствах УПЧ АМ.

_________________
И хрюкотали зелюки,
Как мюмзики в мове.


Вернуться наверх
 
Эиком - электронные компоненты и радиодетали
Не в сети
 Заголовок сообщения: Re: Варикап кв109
СообщениеДобавлено: Вт ноя 11, 2025 07:48:09 
Друг Кота
Аватар пользователя

Карма: 26
Рейтинг сообщений: 823
Зарегистрирован: Сб янв 28, 2006 22:47:24
Сообщений: 5757
Рейтинг сообщения: 1
Надо посмотреть, что происходит по постоянному току на выводах 10 и 11 при точной/неточной настройке. В 11 напрямую ткнуться вольтметром и покрутить настройку, а к 10 через резистор килоом на 100, потом конденсатор на общий и тоже смотреть постоянку в ходе настройки.

_________________
Астролябия-сама меряет, было бы что мерять!!!


Вернуться наверх
 
Не в сети
 Заголовок сообщения: Re: Варикап кв109
СообщениеДобавлено: Вт ноя 11, 2025 18:43:09 
Нашел транзистор. Понюхал.

Зарегистрирован: Ср апр 17, 2024 20:24:19
Сообщений: 178
Откуда: Курская область,
Рейтинг сообщения: 0
Судя по даташиту CD2003 (Аналог ТА2003) на 11 ножке микросхемы положительное напряжение присутствует и меняется , так как туда подключена АПЧ

Изображение


Вернуться наверх
 
Не в сети
 Заголовок сообщения: Re: Варикап кв109
СообщениеДобавлено: Ср ноя 12, 2025 14:21:11 
Друг Кота

Карма: -1
Рейтинг сообщений: 86
Зарегистрирован: Вт мар 13, 2012 12:16:13
Сообщений: 8893
Откуда: .ru
Рейтинг сообщения: 1
CD2003 (Аналог ТА2003) на 11 ножке микросхемы положительное напряжение присутствует и составляет (если память не изменяет) 1,2 вольта.
и меняется больше-меньше примерно на пол вольта (если память не изменяет). в зависимости от девиации. на УКВ чуть меньше... на FM чуть больше.

помню что у К174ХА6 на 7 ножке микросхемы положительное напряжение присутствует и составляет (если память не изменяет) 1,4 вольта.

Изображение

единственно что хорошо помню что меняется больше-меньше точно на 0,1 вольта. при девиации +/- 3 кгц.

а вообще все микросхемы ЧМ работают примерно одинаково.
:tea:

Добавлено after 1 minute 32 seconds:
Он же вроде соединил 7 и 8, хотя как-то неявно. Остаётся открытым вопрос в частотных свойствах УПЧ АМ.

есть более важный вопрос...
-при переключении на FM напряжение на второй УПЧ подаётся или нет ?
из схемы явно не видно...


Вернуться наверх
 
Не в сети
 Заголовок сообщения: Re: Варикап кв109
СообщениеДобавлено: Пт ноя 14, 2025 21:02:33 
Нашел транзистор. Понюхал.

Зарегистрирован: Ср апр 17, 2024 20:24:19
Сообщений: 178
Откуда: Курская область,
Рейтинг сообщения: 0
Пока нет возможности проверить схему индикации точной настройки решил начертить схему с АПЧ. Если кошачье сообщество одобрит разведу печатку.

Изображение

Да еще пришла идея прикрутить какую то электронную шкалу может кто подскажет как это сделать.


Вернуться наверх
 
Не в сети
 Заголовок сообщения: Re: Варикап кв109
СообщениеДобавлено: Сб ноя 15, 2025 12:00:05 
Друг Кота

Карма: -1
Рейтинг сообщений: 86
Зарегистрирован: Вт мар 13, 2012 12:16:13
Сообщений: 8893
Откуда: .ru
Рейтинг сообщения: 0
АПЧ я бы сделал на транзисторе... будет мощная УПЧ))

мы так и не выяснили... питание на второй УПЧ подаётся или нет ?
для проверки можно пошурудить вывод 7 и посмотреть напряжение на выводе 5.
и сразу станет всё ясно))
:tea:


Вернуться наверх
 
Не в сети
 Заголовок сообщения: Re: Варикап кв109
СообщениеДобавлено: Сб ноя 15, 2025 13:59:19 
Нашел транзистор. Понюхал.

Зарегистрирован: Ср апр 17, 2024 20:24:19
Сообщений: 178
Откуда: Курская область,
Рейтинг сообщения: 0
АПЧ я бы сделал на транзисторе... будет мощная УПЧ))


:tea:
не понял как? Если как в даташите к CD2003 , то причем здесь УПЧ.?

Добавлено after 1 hour 47 minutes 41 second:
на конец добрался до приёмника на 5 ножке при настройке на станцию 1,25 вольта при расстройке уменьшается до 0,8, при полной расстройке падает до 0,04 вольта. При проверке никаких изменений в схему не вносил. Следовательно ранее выложенная схема с индикатором в режиме УКВ (ФМ) , подключенным к 5 ножке микросхемы правильная. Осталось придумать схему на транзисторе и светодиоде.


Вернуться наверх
 
Не в сети
 Заголовок сообщения: Re: Варикап кв109
СообщениеДобавлено: Сб ноя 15, 2025 14:25:32 
Друг Кота

Карма: -1
Рейтинг сообщений: 86
Зарегистрирован: Вт мар 13, 2012 12:16:13
Сообщений: 8893
Откуда: .ru
Рейтинг сообщения: 0
Александр 62 писал(а):
Следовательно ранее выложенная схема с индикатором в режиме УКВ (ФМ) , подключенным к 5 ножке микросхемы правильная.

ранее выложенная схема... с индикатором в режиме АМ.

Изображение

а нам надо с индикатором в режиме УКВ (ФМ).

для этого надо подключить вывод 8 к выводу 7 через конденсатор малой ёмкости...
ёмкость придётся подобрать экспериментально))
думаю пару десятков пФ будет оптимально.
:tea:


Вернуться наверх
 
Не в сети
 Заголовок сообщения: Re: Варикап кв109
СообщениеДобавлено: Сб ноя 15, 2025 15:20:19 
Нашел транзистор. Понюхал.

Зарегистрирован: Ср апр 17, 2024 20:24:19
Сообщений: 178
Откуда: Курская область,
Рейтинг сообщения: 0
я имел ввиду вот эту схему

Изображение

В этой схеме индикация работает работает в режиме ФМ проверено опытным путём. Я подключал вольтметр на пределе 2 вольта при точной настройке на станцию было 1,2 вольта на 5 ножке микросхемы, при уходе частоты 0,8 вольта, на свободном от радиостанций участке 0,04 вольта.


Вернуться наверх
 
Не в сети
 Заголовок сообщения: Re: Варикап кв109
СообщениеДобавлено: Сб ноя 15, 2025 15:39:26 
Друг Кота

Карма: -1
Рейтинг сообщений: 86
Зарегистрирован: Вт мар 13, 2012 12:16:13
Сообщений: 8893
Откуда: .ru
Рейтинг сообщения: 1
в этой схеме вывод 7 висит в воздухе (никуда не подключён).
однако между выводами 7 и 8 внутри самой TA2003 есть небольшая паразитная связь.
этой паразитной связи достаточно для работы индикатора уровня сигнала.
а чтобы повысить уровень сигнала на ножке 5 можно увеличить связь между ножками 7 и 8 путем добавления конденсатора маленькой ёмкость. А ёмкость конденсатора можно подобрать опытным путём для получения нужной чувствительности индикатора уровня сигнала.
вот и всё))
:tea:
а далее к выводу 5 подключается транзистор - это усилитель постоянного тока для индикатора.
транзистор можно поставить... а можно и не ставить... зависит от индикатора... сколько ему надо тока))
я бы наверное ставить не стал.)) обычному стрелочному индикатору надо мало тока... порядка 100...200 микроампер.
:tea:


Вернуться наверх
 
Не в сети
 Заголовок сообщения: Re: Варикап кв109
СообщениеДобавлено: Сб ноя 15, 2025 18:50:02 
Нашел транзистор. Понюхал.

Зарегистрирован: Ср апр 17, 2024 20:24:19
Сообщений: 178
Откуда: Курская область,
Рейтинг сообщения: 0
АПЧ я бы сделал на транзисторе... будет мощная УПЧ)):tea:


Роман поясните пожалуйста , что Вы имели ввиду?


Вернуться наверх
 
Не в сети
 Заголовок сообщения: Re: Варикап кв109
СообщениеДобавлено: Сб ноя 15, 2025 19:27:34 
Друг Кота

Карма: -1
Рейтинг сообщений: 86
Зарегистрирован: Вт мар 13, 2012 12:16:13
Сообщений: 8893
Откуда: .ru
Рейтинг сообщения: 1
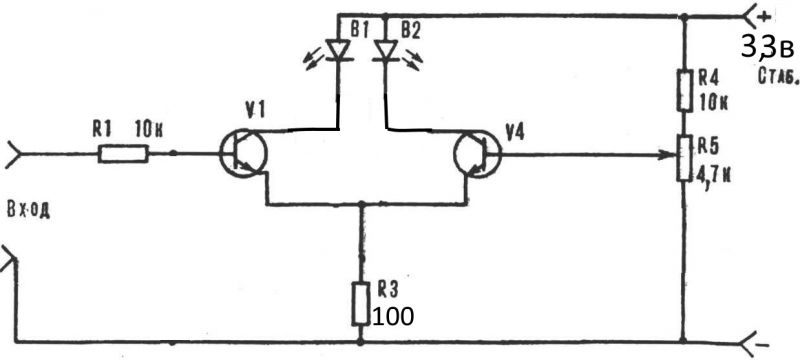
просто добавить транзистор в АПЧ... примерно так... только полярность изменить...

Изображение

транзистор - это усилитель постоянного тока для АПЧ.
будет мощная АПЧ...))
вот и всё))
:tea:
как в старом телевизоре... с переключателем накалов на кнопочках...

Изображение

в старом телевизоре нажимаем на кнопочку канала... и телевизор точно настраивается на частоту канала... и подстраивать ничего не надо... потому что там мощная АПЧ...))
вот и всё))
:tea:


Вложения:
Screenshot_1.jpg [28.24 KiB]
Скачиваний: 696
схема.jpg [58.57 KiB]
Скачиваний: 189
Вернуться наверх
 
Не в сети
 Заголовок сообщения: Re: Варикап кв109
СообщениеДобавлено: Вс ноя 16, 2025 10:36:26 
Нашел транзистор. Понюхал.

Зарегистрирован: Ср апр 17, 2024 20:24:19
Сообщений: 178
Откуда: Курская область,
Рейтинг сообщения: 0
Сделал индикатор настройки по этой схеме, работает, но при точной настройке светодиод гаснет, при неточной загорается.

Изображение


Вложения:
схема.JPG [16.54 KiB]
Скачиваний: 15
Вернуться наверх
 
Не в сети
 Заголовок сообщения: Re: Варикап кв109
СообщениеДобавлено: Вс ноя 16, 2025 11:49:42 
Друг Кота

Карма: -1
Рейтинг сообщений: 86
Зарегистрирован: Вт мар 13, 2012 12:16:13
Сообщений: 8893
Откуда: .ru
Рейтинг сообщения: 1
а надо наоборот ?
тогда делаем по такой схеме...

Изображение

:tea:

Добавлено after 1 minute 43 seconds:
а сам индикатор я бы сделал на нескольких светодиодах...

Изображение

:tea:


Вложения:
Screenshot_1.jpg [8.48 KiB]
Скачиваний: 186
схема.jpg [17.91 KiB]
Скачиваний: 162
Вернуться наверх
 
Не в сети
 Заголовок сообщения: Re: Варикап кв109
СообщениеДобавлено: Вс ноя 16, 2025 13:15:22 
Нашел транзистор. Понюхал.

Зарегистрирован: Ср апр 17, 2024 20:24:19
Сообщений: 178
Откуда: Курская область,
Рейтинг сообщения: 0
:tea:

Добавлено after 1 minute 43 seconds:
а сам индикатор я бы сделал на нескольких светодиодах...

Изображение

:tea:

А потянет от 3 вольт?


Вернуться наверх
 
Не в сети
 Заголовок сообщения: Re: Варикап кв109
СообщениеДобавлено: Вс ноя 16, 2025 14:10:30 
Друг Кота

Карма: -1
Рейтинг сообщений: 86
Зарегистрирован: Вт мар 13, 2012 12:16:13
Сообщений: 8893
Откуда: .ru
Рейтинг сообщения: 0
МК типа AVR работает от 2 до 5 вольт.
:tea:


Вернуться наверх
 
Не в сети
 Заголовок сообщения: Re: Варикап кв109
СообщениеДобавлено: Вс ноя 16, 2025 16:27:54 
Нашел транзистор. Понюхал.

Зарегистрирован: Ср апр 17, 2024 20:24:19
Сообщений: 178
Откуда: Курская область,
Рейтинг сообщения: 0
МК типа AVR работает от 2 до 5 вольт.
:tea:

Микроконтроллеры мне еще рано, а скорей всего поздно. :shock:

Добавлено after 1 hour 50 minutes 18 seconds:
Подведу итоги микросхема мне понравилась с усилителем на 1 транзисторе чувствительность как у ТЕА 5710, дополняется АПЧ (хотя и без АПЧ работает не плохо) и идикатором точной настройки. Из недостатков требовательна к разводке платы ( на макетке работала плохо), хотелось бы повысить избирательность ( думаю это возможно сделать поставив еще один фильтр как в даташите на CD 2003), но и в таком виде работет вполне хорошо. Итоговая схема выглядит вот так

Изображение

Было бы интересно приспособить электронную шкалу, но не нашел её элементов за адекватные деньги, а может плохо искал или не там где надо.


Вернуться наверх
 
Показать сообщения за:  Сортировать по:  Вернуться наверх
Начать новую тему Ответить на тему  [ Сообщений: 346 ]     ... , , , 7, , , ...  

Часовой пояс: UTC + 3 часа


Кто сейчас на форуме

Сейчас этот форум просматривают: нет зарегистрированных пользователей и гости: 21


Вы не можете начинать темы
Вы не можете отвечать на сообщения
Вы не можете редактировать свои сообщения
Вы не можете удалять свои сообщения
Вы не можете добавлять вложения

Найти:
Перейти:  


Powered by phpBB © 2000, 2002, 2005, 2007 phpBB Group
Русская поддержка phpBB
Extended by Karma MOD © 2007—2012 m157y
Extended by Topic Tags MOD © 2012 m157y