Например TDA7294

Форум РадиоКот • Просмотр темы - Изолированный USB адаптер 1wire
Форум РадиоКот
Здесь можно немножко помяукать :)

Текущее время: Пт дек 19, 2025 09:19:36

Часовой пояс: UTC + 3 часа


ПРЯМО СЕЙЧАС:



Начать новую тему Ответить на тему  [ Сообщений: 17 ] 
Автор Сообщение
Не в сети
 Заголовок сообщения: Изолированный USB адаптер 1wire
СообщениеДобавлено: Сб авг 30, 2025 13:25:15 
Вымогатель припоя
Аватар пользователя

Карма: 4
Рейтинг сообщений: 22
Зарегистрирован: Чт мар 05, 2009 05:31:16
Сообщений: 622
Откуда: г. Кемерово
Рейтинг сообщения: 0
Покритикуйте схему.


Вложения:
U1W.GIF [48.44 KiB]
Скачиваний: 134
Вернуться наверх
 
Не в сети
 Заголовок сообщения: Re: Изолированный USB адаптер 1wire
СообщениеДобавлено: Сб авг 30, 2025 16:26:33 
Друг Кота
Аватар пользователя

Карма: 59
Рейтинг сообщений: 2218
Зарегистрирован: Чт янв 26, 2012 16:44:29
Сообщений: 19550
Откуда: Таксимо
Рейтинг сообщения: 0
В каком месте он изолированный?

Добавлено after 1 minute 45 seconds:
3722 изолятор понял, криво нарисовано как то

_________________
Мои поставщики запчастей с отличной репутацией
texnomag.ru
radioremont.com
pl-1.org
4ip.info
elitan.ru


Вернуться наверх
 
Не в сети
 Заголовок сообщения: Re: Изолированный USB адаптер 1wire
СообщениеДобавлено: Сб авг 30, 2025 18:04:25 
Вымогатель припоя
Аватар пользователя

Карма: 4
Рейтинг сообщений: 22
Зарегистрирован: Чт мар 05, 2009 05:31:16
Сообщений: 622
Откуда: г. Кемерово
Рейтинг сообщения: 0
3722 изолирует сигнал, b0505 питание.
Что именно, Вам показалось криво нарисованным?


Вернуться наверх
 
Не в сети
 Заголовок сообщения: Re: Изолированный USB адаптер 1wire
СообщениеДобавлено: Сб авг 30, 2025 18:27:28 
Вымогатель припоя

Карма: 2
Рейтинг сообщений: -5
Зарегистрирован: Сб авг 09, 2025 22:08:28
Сообщений: 601
Рейтинг сообщения: 0
Согласен с vlasovzloy, тоже сначала показалось....

Alexey1969, всё, что одна сторона - там и должно быть. R9, V2, C3 надо слева от изолятора, питание - над ним

Добавлено after 1 minute 8 seconds:
кстати, неделю назад тоже взял CA-IS3722HS :beer:

у них выход по умолчанию высокий. Не забыли про это?

Добавлено after 4 minutes 32 seconds:
а VT3 - инвертирующий?


Вернуться наверх
 
Эиком - электронные компоненты и радиодетали
Не в сети
 Заголовок сообщения: Re: Изолированный USB адаптер 1wire
СообщениеДобавлено: Сб авг 30, 2025 18:31:28 
Вымогатель припоя
Аватар пользователя

Карма: 4
Рейтинг сообщений: 22
Зарегистрирован: Чт мар 05, 2009 05:31:16
Сообщений: 622
Откуда: г. Кемерово
Рейтинг сообщения: 0
Nranddek писал(а):
кстати, неделю назад тоже взял CA-IS3722HS


Мне они понравились.

Nranddek писал(а):
у них выход по умолчанию высокий. Не забыли про это?


Вот тут не знаю, могу ошибаться, но вход повешенный в воздухе, оно единица, как правило....
Кстати, если речь про платки, что с али приходят, так там по входам подтяжки стоят на 33к, в исполнении 04, зразу и не видать..

Добавлено after 1 minute 20 seconds:
Согласен с vlasovzloy, тоже сначала показалось....

Alexey1969, всё, что одна сторона - там и должно быть. R9, V2, C3 надо слева от изолятора, питание - над ним

Добавлено after 1 minute 8 seconds:
кстати, неделю назад тоже взял CA-IS3722HS :beer:

у них выход по умолчанию высокий. Не забыли про это?

Добавлено after 4 minutes 32 seconds:
а VT3 - инвертирующий?


да


Вернуться наверх
 
Не в сети
 Заголовок сообщения: Re: Изолированный USB адаптер 1wire
СообщениеДобавлено: Сб авг 30, 2025 20:05:10 
Мучитель микросхем
Аватар пользователя

Карма: 8
Рейтинг сообщений: 105
Зарегистрирован: Ср сен 02, 2015 07:47:20
Сообщений: 420
Рейтинг сообщения: 0
Вот тут не знаю, могу ошибаться, но вход повешенный в воздухе, оно единица, как правило....

Для хТТЛ и хТТЛШ скорее да, чем нет. Ибо входное сопротивление маленькое. Для КМОП - категорически нет. Там входное сопротивление мегаомы, только защитные диоды вызваниваются. Такой вход будет ловить эфир на отлично.

_________________
Репозиторий STM32: https://cloud.mail.ru/public/2i19/Y4w8kKEiZ
Актуальность репозитория: 6 декабря 2025 года
Если чего-то не хватает с сайта st.com - пишите, докачаю.


Вернуться наверх
 
Не в сети
 Заголовок сообщения: Re: Изолированный USB адаптер 1wire
СообщениеДобавлено: Сб авг 30, 2025 20:24:38 
Электрический кот

Карма: 5
Рейтинг сообщений: 163
Зарегистрирован: Пн май 01, 2017 20:01:45
Сообщений: 1035
Рейтинг сообщения: 0
Не знаю как 1w, но по глазам резануло - npn транзистор в качестве ключа можно использовать только для того, чтобы зажигать свет. На остальное будет насилие над идеей.
Здесь надо ставить два легких nMOS, например 2n7002. Либо вообще один легкий ДШ типа bat54.


Вернуться наверх
 
Не в сети
 Заголовок сообщения: Re: Изолированный USB адаптер 1wire
СообщениеДобавлено: Сб авг 30, 2025 20:31:30 
Мучитель микросхем
Аватар пользователя

Карма: 8
Рейтинг сообщений: 105
Зарегистрирован: Ср сен 02, 2015 07:47:20
Сообщений: 420
Рейтинг сообщения: 0
Не знаю как 1w, но по глазам резануло - npn транзистор в качестве ключа можно использовать только для того, чтобы зажигать свет. На остальное будет насилие над идеей.
Здесь надо ставить два легких nMOS, например 2n7002. Либо вообще один легкий ДШ типа bat54.

Зачем? Проще поставить готовый т.н. "цифровой" транзистор. Например, вот такой:
Изображение


Вложения:
PDTC144EE.jpg [104.77 KiB]
Скачиваний: 361

_________________
Репозиторий STM32: https://cloud.mail.ru/public/2i19/Y4w8kKEiZ
Актуальность репозитория: 6 декабря 2025 года
Если чего-то не хватает с сайта st.com - пишите, докачаю.
Вернуться наверх
 
Не в сети
 Заголовок сообщения: Re: Изолированный USB адаптер 1wire
СообщениеДобавлено: Сб авг 30, 2025 20:48:00 
Вымогатель припоя

Карма: 2
Рейтинг сообщений: -5
Зарегистрирован: Сб авг 09, 2025 22:08:28
Сообщений: 601
Рейтинг сообщения: 0
Да, цифровые удобно, у меня такие везде.
Но нельзя сбрасывать со счетов уже имеющийся склад. Может, ТС избавляется от того, что у него уже есть.


Вернуться наверх
 
Не в сети
 Заголовок сообщения: Re: Изолированный USB адаптер 1wire
СообщениеДобавлено: Вс авг 31, 2025 06:35:54 
Вымогатель припоя
Аватар пользователя

Карма: 4
Рейтинг сообщений: 22
Зарегистрирован: Чт мар 05, 2009 05:31:16
Сообщений: 622
Откуда: г. Кемерово
Рейтинг сообщения: 0
u37 писал(а):
npn транзистор в качестве ключа можно использовать только для того, чтобы зажигать свет. На остальное будет насилие над идеей


Если возможно, поясните, более развернуто ?

Поясню, почему в качестве ключа использовал именно IRLML0030.
Данный транзистор предназначен для работы в цифровых сетях, имеет очень низкое сопротивление перехода, малую емкость затвора и очень высокую скорость переключения.
Что, в свою очередь, должно положительно сказаться на крутизне фронтов сигнала, а это в свою очередь, важный фактор для работы на длинных линиях 1 wire

Про инвертировал сигнал, действительно, тем что было под руками, в подходящем форм факторе.


Вернуться наверх
 
Не в сети
 Заголовок сообщения: Re: Изолированный USB адаптер 1wire
СообщениеДобавлено: Вс авг 31, 2025 07:56:00 
Сверлит текстолит когтями

Зарегистрирован: Вт ноя 19, 2019 06:10:18
Сообщений: 1269
Рейтинг сообщения: 0
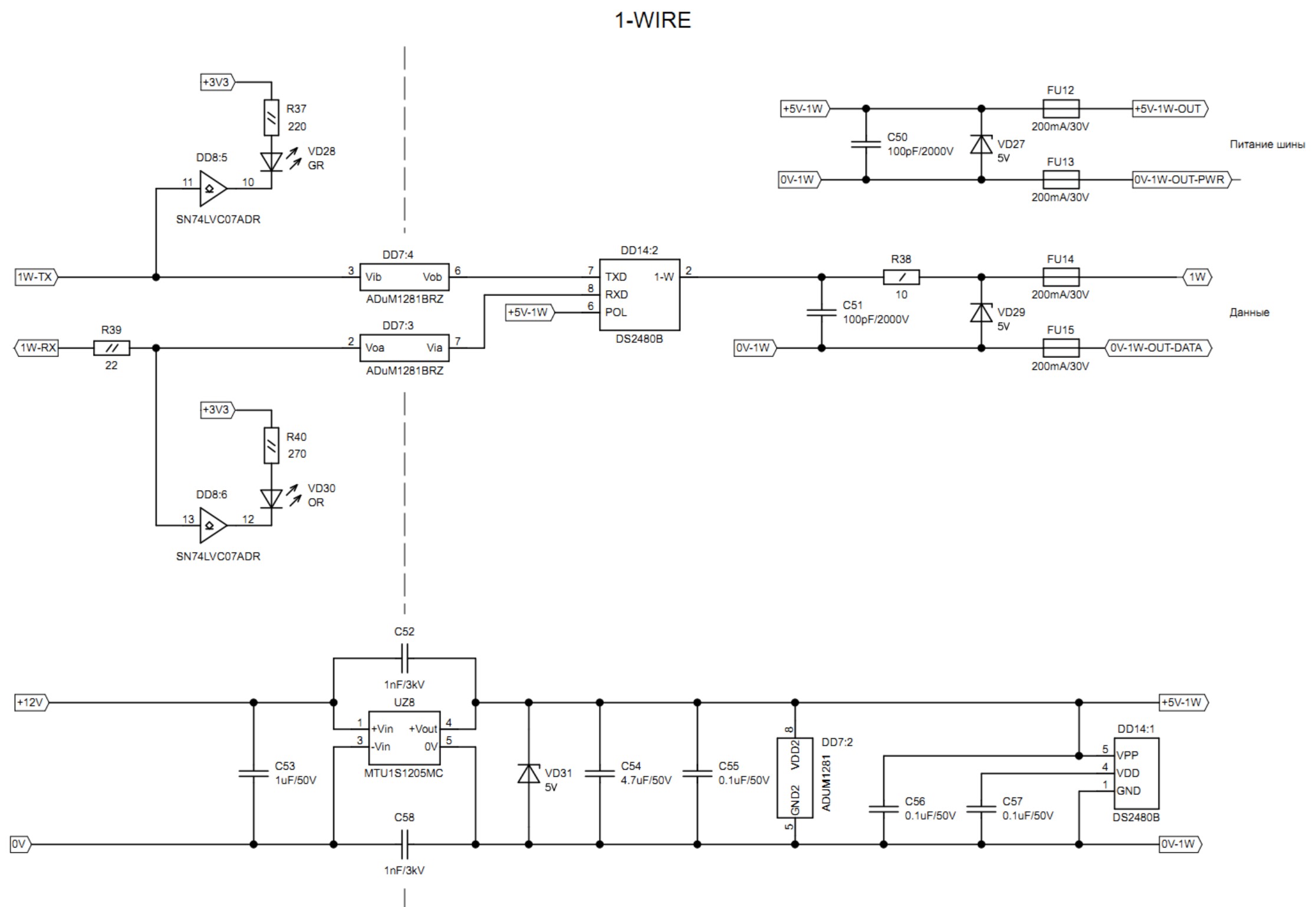
Покритикуйте схему.

Можно существенно упростить работу с 1W, применив микросхему преобразователя DS2480B.


Вложения:
Screenshot_29.jpg [217.49 KiB]
Скачиваний: 59
Вернуться наверх
 
Не в сети
 Заголовок сообщения: Re: Изолированный USB адаптер 1wire
СообщениеДобавлено: Вс авг 31, 2025 08:34:13 
Друг Кота
Аватар пользователя

Карма: 59
Рейтинг сообщений: 2218
Зарегистрирован: Чт янв 26, 2012 16:44:29
Сообщений: 19550
Откуда: Таксимо
Рейтинг сообщения: 0
Adum всякие разные на платах плазменных телеков есть

_________________
Мои поставщики запчастей с отличной репутацией
texnomag.ru
radioremont.com
pl-1.org
4ip.info
elitan.ru


Вернуться наверх
 
Не в сети
 Заголовок сообщения: Re: Изолированный USB адаптер 1wire
СообщениеДобавлено: Вс авг 31, 2025 09:01:45 
Электрический кот

Карма: 5
Рейтинг сообщений: 163
Зарегистрирован: Пн май 01, 2017 20:01:45
Сообщений: 1035
Рейтинг сообщения: 0
1. Узел на T1+VT3 является повторителем с выходом ОК. Весь его целиком можно заменить на диод. При этом схема не будет иметь дополнительных задержек и все искажения времени определяются только изолятором. Однако, узел на транзисторах легко переваривает высоковольтные помехи, иногда это может быть нужным.
2. любой транзистор/узел имеет время включения и выключения. Для nMOSFET это описано в ДШ на него, а для биполярного транзистора (запомните) время включения очень быстрое, а время вЫключения определяется временем выкачивания носителей из базы, которое происходит очень долго. Для снижения применяется форсирующий режим, когда на базу подают отрицательное напряжение, узлы анти-насыщения для снижения накопленного избыточного в базе, увеличенный ток коллектора, борьба с динамической емкостью. Всё это есть извраты для лечения вынужденного использования BJT транзистора. Если есть MOSFET, то надо ставить его, без вариантов.
3. сравните параметры ТТХ легкого транзистора типа 2n7002 и IRLML0030. Просто раздел емкостей и "ns". Возьмите и сравните, сами, своими глазами. Надо учиться. Применение ключа с R <30 мОм в схеме, где резисторы R6 и R1 имеют номинал 'чуть-чуть' больше 30 mOm просто безумие и выродится в затягивание фронтов. Для этой схемы может быть и не нужно, но надо сразу делать правильно, чтобы потом не всплывало в других вариантах.


Вернуться наверх
 
Не в сети
 Заголовок сообщения: Re: Изолированный USB адаптер 1wire
СообщениеДобавлено: Вс авг 31, 2025 14:17:05 
Вымогатель припоя
Аватар пользователя

Карма: 4
Рейтинг сообщений: 22
Зарегистрирован: Чт мар 05, 2009 05:31:16
Сообщений: 622
Откуда: г. Кемерово
Рейтинг сообщения: 0
tonyk писал(а):
Можно существенно упростить работу с 1W, применив микросхему преобразователя DS2480B

Есть такая, заказана. Только едет долго, а где быстрее, ценник не адекватный.


Вернуться наверх
 
Не в сети
 Заголовок сообщения: Re: Изолированный USB адаптер 1wire
СообщениеДобавлено: Пт сен 05, 2025 17:51:58 
Друг Кота
Аватар пользователя

Карма: 96
Рейтинг сообщений: 1493
Зарегистрирован: Вт мар 16, 2010 22:02:27
Сообщений: 15299
Откуда: ДОНЕЦК
Рейтинг сообщения: 0
Изолированный USB->TTL
https://img.radiokot.ru/files/20529/2mi8slk9a8.GIF
https://img.radiokot.ru/files/20529/2mi8stjbgc.GIF
https://img.radiokot.ru/files/20529/2mi8t2i9ej.jpg
добавляем DS2480B....
другой вариант "спецусилитель для "длинных шлейфов""...
вариант модифицированного из старой апноты:
https://img.radiokot.ru/files/20529/283yb8ktkx.GIF
но это не гальванразвязка! просто дает возможность работать с шлейфом до 30 метров.
8)


Вернуться наверх
 
Не в сети
 Заголовок сообщения: Re: Изолированный USB адаптер 1wire
СообщениеДобавлено: Пт сен 05, 2025 19:20:24 
Вымогатель припоя
Аватар пользователя

Карма: 4
Рейтинг сообщений: 22
Зарегистрирован: Чт мар 05, 2009 05:31:16
Сообщений: 622
Откуда: г. Кемерово
Рейтинг сообщения: 0
BOB51 писал(а):


Не, не... на изоляторах CA-IS3722HS лучше и проще.


BOB51 писал(а):
другой вариант "спецусилитель для "длинных шлейфов""...
вариант модифицированного из старой апноты:
https://img.radiokot.ru/files/20529/283yb8ktkx.GIF

А это вообще не понял , что такое... на активную подтяжку не тянет, так как кроме мастера там еще и слейвы есть в сети...
Кстати, активная подтяжка у меня добавлена.

Добавлено after 3 minutes 55 seconds:
Alexey1969 писал(а):
https://img.radiokot.ru/files/20529/283yb8ktkx.GIF

Хотя нет, это скорее подача питания на DS18B20 при двух проводном включении


Вернуться наверх
 
Не в сети
 Заголовок сообщения: Re: Изолированный USB адаптер 1wire
СообщениеДобавлено: Сб сен 06, 2025 14:58:50 
Друг Кота
Аватар пользователя

Карма: 96
Рейтинг сообщений: 1493
Зарегистрирован: Вт мар 16, 2010 22:02:27
Сообщений: 15299
Откуда: ДОНЕЦК
Рейтинг сообщения: 0
...кроме мастера там еще и слейвы есть в сети...

Оптроны не догма- могут быть и более шустрые (посовременнее).
8)
А вот насчет "сети" и прочего...
Почитаньки на досуге:
Вложение:
aрр148ru_p.pdf [450.65 KiB]
Скачиваний: 35

Вложение:
IB2_AN132ru.pdf [235.78 KiB]
Скачиваний: 27

Вложение:
IB2_AN192ru.pdf [257.52 KiB]
Скачиваний: 33

:wink:


Вернуться наверх
 
Показать сообщения за:  Сортировать по:  Вернуться наверх
Начать новую тему Ответить на тему  [ Сообщений: 17 ] 

Часовой пояс: UTC + 3 часа


Кто сейчас на форуме

Сейчас этот форум просматривают: нет зарегистрированных пользователей и гости: 7


Вы не можете начинать темы
Вы не можете отвечать на сообщения
Вы не можете редактировать свои сообщения
Вы не можете удалять свои сообщения
Вы не можете добавлять вложения

Найти:
Перейти:  


Powered by phpBB © 2000, 2002, 2005, 2007 phpBB Group
Русская поддержка phpBB
Extended by Karma MOD © 2007—2012 m157y
Extended by Topic Tags MOD © 2012 m157y