Например TDA7294

Форум РадиоКот • Просмотр темы - Пылесос Энкор Корвет 365
Форум РадиоКот
Здесь можно немножко помяукать :)

Текущее время: Пт дек 19, 2025 19:08:40

Часовой пояс: UTC + 3 часа


ПРЯМО СЕЙЧАС:



Начать новую тему Ответить на тему  [ Сообщений: 21 ]  1,  
Автор Сообщение
Не в сети
 Заголовок сообщения: Пылесос Энкор Корвет 365
СообщениеДобавлено: Вс янв 10, 2021 11:12:02 
Родился

Зарегистрирован: Вс янв 10, 2021 10:54:37
Сообщений: 10
Рейтинг сообщения: 0
Пылесос Энкор Корвет 365.
плата управления WJM70601 . PCB
Симистор BTA16 800BW
Операционный усилитель HA17393B
Транзисторы (TO-92) BC547, BC557
Семистор (TO-92) MAC97A6
Заменили мотор с межвитковым замыканием, после замены мотора функция включения пылесоса при включении инструмента не работает (до замены мотора ее не проверяли), на плате управления JM70601 PCB, резистор r18 имел нулевое сопротивление вместо 27.9 Ом. При первом же включении инструмента от пылесоса резистор сгорает (ставил на 27 и на 30Ом 2Вата)
Семисторы, транзисторы и ОУ менялись на новые, электролиты проверенны и соответствуют номиналу, подскажите куда копать.


Вложения:
9567482.jpg [169.64 KiB]
Скачиваний: 1067
6344738.jpg [181.55 KiB]
Скачиваний: 1095
Вернуться наверх
 
Не в сети
 Заголовок сообщения: Re: Пылесос Энкор Корвет 365
СообщениеДобавлено: Вс янв 10, 2021 12:49:01 
Собутыльник Кота

Карма: 36
Рейтинг сообщений: 808
Зарегистрирован: Ср ноя 29, 2017 06:58:50
Сообщений: 2906
Рейтинг сообщения: 0
Копать нужно в направлении рисовании схемы с платы, или же поиска её. Будет схема - будет видна логика работы - будет понятно, что делать.
Ну или подождать кого-то,кто постоянно чинить подобные...


Вернуться наверх
 
Не в сети
 Заголовок сообщения: Re: Пылесос Энкор Корвет 365
СообщениеДобавлено: Вс янв 10, 2021 14:44:22 
Друг Кота

Карма: 27
Рейтинг сообщений: 1283
Зарегистрирован: Ср фев 11, 2009 20:35:58
Сообщений: 7853
Рейтинг сообщения: 0
Цитата:
Заменили мотор с межвитковым замыканием,

Перед заменой мотор сжёг ещё что то в схеме.
Цитата:
функция включения пылесоса при включении инструмента не работает

Попроще можно написать ? Кто там на ком стоял.
Мотор должен работать без примочек прямо от сети. Проверял ?
Где на плате сгоревший резистор ?


Вернуться наверх
 
Не в сети
 Заголовок сообщения: Re: Пылесос Энкор Корвет 365
СообщениеДобавлено: Вт янв 12, 2021 18:20:25 
Друг Кота
Аватар пользователя

Карма: 50
Рейтинг сообщений: 759
Зарегистрирован: Чт дек 29, 2005 00:18:30
Сообщений: 6577
Откуда: Москва
Рейтинг сообщения: 0
393 это компаратор. Скорее всего схема включает пылесос по напряжению, что падает на измерительном резисторе. Его номинал в доли ома обычно, чтобы не грелся. Если он ушёл в обрыв (по той или иной причине) входы компаратора оказались под сетевым напряжением и он тоже выгорел. Рисуйте схему с номиналами и попробуют Вам подсказать....

_________________
Ничто так не укрепляет взаимное доверие, как 100% предоплата! Дмитрий, ex-RK3AOR.


Вернуться наверх
 
Эиком - электронные компоненты и радиодетали
Не в сети
 Заголовок сообщения: Re: Пылесос Энкор Корвет 365
СообщениеДобавлено: Вт янв 12, 2021 19:46:08 
Друг Кота
Аватар пользователя

Карма: 123
Рейтинг сообщений: 7959
Зарегистрирован: Сб сен 13, 2014 16:27:32
Сообщений: 39199
Откуда: СпиртоГонск созвездия Омега
Рейтинг сообщения: 0
понятно что горелый мотор спалил димер собраный на тех деталках...
димер расходник в топку его ставь новый ну или тупо короти нахуй будеть тянуть на максе...
в доках плата димера за номером 33 расходник... схемы нет и не будет -дешевле заменнить в сборе впроче счастье попытать можете https://enkor.ru/contacts

_________________
ZМудрость(Опыт и выдержка) приходит с годами.
Все Ваши беды и проблемы, от недостатка знаний.
Умный и у дурака научится, а дураку и ..
Алберт Ейнштейн не поможет и ВВП не спасет.и МЧС опаздает


Вернуться наверх
 
Не в сети
 Заголовок сообщения: Re: Пылесос Энкор Корвет 365
СообщениеДобавлено: Вт янв 12, 2021 20:06:50 
Вымогатель припоя

Карма: 5
Рейтинг сообщений: 54
Зарегистрирован: Чт мар 22, 2012 22:02:42
Сообщений: 528
Откуда: Воронеж.
Рейтинг сообщения: 0
Это не диммер, а плата включения пылесоса при включении электроинстумента, то есть, включается фрезер, строгальный станок или другой инструмент, включается пылесос, после выключения инструмента пылесос выключается с задержкой на несколько секунд. Пылесос имеет функцию включения напрямую, переключения с платой и без.
Собирал (копировал) несколько раз.


Вернуться наверх
 
Не в сети
 Заголовок сообщения: Re: Пылесос Энкор Корвет 365
СообщениеДобавлено: Вт янв 12, 2021 20:13:41 
Друг Кота
Аватар пользователя

Карма: 123
Рейтинг сообщений: 7959
Зарегистрирован: Сб сен 13, 2014 16:27:32
Сообщений: 39199
Откуда: СпиртоГонск созвездия Омега
Рейтинг сообщения: 0
комутация чужим девайсом без Релеей и опторазвязоке на ТТ.... плохая схемотехника горит от чюбого чиха
в топку это не стоит востангавливать ту схему проше тогда собрать свою неубиваемую

Добавлено after 1 minute 36 seconds:
я делал подобный блок на базе nn в виде отделного блока исполнителный элемент ПУСКАТЕЛЬ

_________________
ZМудрость(Опыт и выдержка) приходит с годами.
Все Ваши беды и проблемы, от недостатка знаний.
Умный и у дурака научится, а дураку и ..
Алберт Ейнштейн не поможет и ВВП не спасет.и МЧС опаздает


Вернуться наверх
 
Не в сети
 Заголовок сообщения: Re: Пылесос Энкор Корвет 365
СообщениеДобавлено: Вт янв 12, 2021 23:51:00 
Друг Кота
Аватар пользователя

Карма: 50
Рейтинг сообщений: 759
Зарегистрирован: Чт дек 29, 2005 00:18:30
Сообщений: 6577
Откуда: Москва
Рейтинг сообщения: 0
Ну цена пускателя несоразмерима с такой платой... Починить реально впрочем, я такие платы часто встречал в удлинителях типа ПИЛОТ, но исполнение что одна розетка управляет остальными. В бестрансформаторном (дешёвом) варианте схемы трудно найти достаточно питания для управления реле. А симистор включить вполне хватает.

_________________
Ничто так не укрепляет взаимное доверие, как 100% предоплата! Дмитрий, ex-RK3AOR.


Вернуться наверх
 
Не в сети
 Заголовок сообщения: Re: Пылесос Энкор Корвет 365
СообщениеДобавлено: Ср янв 13, 2021 01:00:53 
Друг Кота
Аватар пользователя

Карма: 182
Рейтинг сообщений: 8322
Зарегистрирован: Пт фев 04, 2011 17:57:51
Сообщений: 20012
Откуда: Рыбинск
Рейтинг сообщения: 0
Медали: 1
Лучший человек Форума 2017 (1)
akiselev93 писал(а):
резистор r18 имел нулевое сопротивление вместо 27.9 Ом.
околонулевое сопротивление было правильным, это проволочный резистор 0,27 Ом ваще то стоял. Есть проволочные резисторы, например серии KNP , выглядящие как обычные, хотя проволоку на них можно заметить. Да и обычные резисторы CF/MF/MOF бывают и меньшего сопротивления. Третья полоса не белая, а серебристая, пятая не имеет значения для определения сопротивления.


Вернуться наверх
 
Не в сети
 Заголовок сообщения: Re: Пылесос Энкор Корвет 365
СообщениеДобавлено: Ср янв 13, 2021 03:03:00 
Друг Кота
Аватар пользователя

Карма: 123
Рейтинг сообщений: 7959
Зарегистрирован: Сб сен 13, 2014 16:27:32
Сообщений: 39199
Откуда: СпиртоГонск созвездия Омега
Рейтинг сообщения: 1
если верить 5.еначной кодирофке то....27.9 Ом, ±0.5%
но китайцы такие затейники... но если верить 4 полоскам тол 0.27 Ом, ±5%
если учесть что все резисторы 5 значные это като страно кроме того я на полате не вижу этого резика

Добавлено after 3 minutes 18 seconds:
если это действително шут то 0.27 выглядит боле реално....хотя ....
надо рисовать схемы далше будет видна

Добавлено after 1 minute 12 seconds:
на нем не должно падать боле парыволь вобщем если этот рез сгорает то там полплаты уже выгорело....

_________________
ZМудрость(Опыт и выдержка) приходит с годами.
Все Ваши беды и проблемы, от недостатка знаний.
Умный и у дурака научится, а дураку и ..
Алберт Ейнштейн не поможет и ВВП не спасет.и МЧС опаздает


Вернуться наверх
 
Не в сети
 Заголовок сообщения: Re: Пылесос Энкор Корвет 365
СообщениеДобавлено: Ср янв 13, 2021 03:06:47 
Друг Кота
Аватар пользователя

Карма: 50
Рейтинг сообщений: 759
Зарегистрирован: Чт дек 29, 2005 00:18:30
Сообщений: 6577
Откуда: Москва
Рейтинг сообщения: 0
Ну я ему и писал об этом... если токоизмерительный ушёл в обрыв и на входах компаратора нет диодов/стабилитронов и ограничительных резисторов то компаратор нагнулся давно :( ....

_________________
Ничто так не укрепляет взаимное доверие, как 100% предоплата! Дмитрий, ex-RK3AOR.


Вернуться наверх
 
Не в сети
 Заголовок сообщения: Re: Пылесос Энкор Корвет 365
СообщениеДобавлено: Ср янв 13, 2021 22:32:55 
Друг Кота
Аватар пользователя

Карма: 80
Рейтинг сообщений: 1077
Зарегистрирован: Ср мар 25, 2015 15:25:51
Сообщений: 5798
Откуда: ст. Новоминская
Рейтинг сообщения: 1
akiselev93 писал(а):
резистор r18 имел нулевое сопротивление вместо 27.9 Ом.
околонулевое сопротивление было правильным, это проволочный резистор 0,27 Ом ваще то стоял.

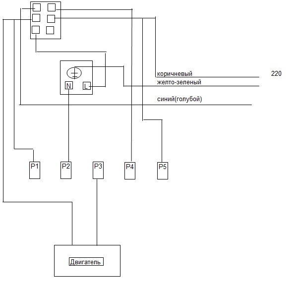
Правильно. Резистор стоит между сетевой вилкой (контакт Р5) и выходом на розетку (контакт Р2).
Фотка другой платы, там вообще 0,047 Ом просматривается.
Схема соединений до кучи. :dont_know:


Вложения:
2579_1454337331.jpg_132.jpg [33.33 KiB]
Скачиваний: 1260
80209BDX.jpg [44.51 KiB]
Скачиваний: 828
Вернуться наверх
 
Не в сети
 Заголовок сообщения: Re: Пылесос Энкор Корвет 365
СообщениеДобавлено: Вс янв 24, 2021 14:02:52 
Родился

Зарегистрирован: Вс янв 10, 2021 10:54:37
Сообщений: 10
Рейтинг сообщения: 0
akiselev93 писал(а):
резистор r18 имел нулевое сопротивление вместо 27.9 Ом.
околонулевое сопротивление было правильным, это проволочный резистор 0,27 Ом ваще то стоял.

Правильно. Резистор стоит между сетевой вилкой (контакт Р5) и выходом на розетку (контакт Р2).
Фотка другой платы, там вообще 0,047 Ом просматривается.
Схема соединений до кучи. :dont_know:


Вы абсолютно правы, вернул шунт R18 на место и схема заработала, проблема была в неправильной распиновке, я подключал по своим фото, а владелец пылесоса не помнит работала ли у него эта функция, (ну или не признается что лазал в него).
Всем большое спасибо, вопрос решен!


Вернуться наверх
 
Не в сети
 Заголовок сообщения: Re: Пылесос Энкор Корвет 365
СообщениеДобавлено: Ср мар 27, 2024 15:41:57 
Родился

Зарегистрирован: Ср мар 27, 2024 15:39:20
Сообщений: 1
Рейтинг сообщения: 0
Всем привет! Ребята, выгорело сопротивление R20, да так что не видно маркировки, подскажите наминал пожалуйста.


Вернуться наверх
 
Не в сети
 Заголовок сообщения: Re: Пылесос Энкор Корвет 365
СообщениеДобавлено: Ср фев 05, 2025 23:57:11 
Родился

Зарегистрирован: Ср янв 29, 2025 22:57:35
Сообщений: 2
Рейтинг сообщения: 0
Hola, saludos.
¿Podrían, por favor, adjuntar el diagrama de conexión de la placa WJM70601 con el resto de la aspiradora?.
El dueño del aparato lo desmontó sin tomar nota y ahora no recuerda como eran las conexiones.
Saludos desde España.


Вернуться наверх
 
Не в сети
 Заголовок сообщения: Re: Пылесос Энкор Корвет 365
СообщениеДобавлено: Чт фев 06, 2025 06:21:51 
Модератор
Аватар пользователя

Карма: 159
Рейтинг сообщений: 4072
Зарегистрирован: Пт янв 23, 2009 19:20:05
Сообщений: 45209
Рейтинг сообщения: 0
Медали: 1
Получил миской по аватаре (1)
...Для тех, у кого заблокировали Гугл, вот что пишет переводчик:
Цитата:
Здравствуйте, приветствую.
Не могли бы вы приложить схему подключения платы WJM70601 к остальному пылесосу?
Владелец устройства разобрал его не приняв во внимание и теперь не помнит, каковы были соединения.
Привет из Испании.


Вернуться наверх
 
Не в сети
 Заголовок сообщения: Re: Пылесос Энкор Корвет 365
СообщениеДобавлено: Чт фев 06, 2025 20:58:00 
Друг Кота
Аватар пользователя

Карма: 80
Рейтинг сообщений: 1077
Зарегистрирован: Ср мар 25, 2015 15:25:51
Сообщений: 5798
Откуда: ст. Новоминская
Рейтинг сообщения: 0
http://www.78294.ru/forum/231-1512-1
В конце документа есть электрическая схема соединений блоков.
Al final del documento hay un diagrama eléctrico de las conexiones del bloque.


Вложения:
PARTI DI RICAMBIO MAKITA 440-PS-AT.pdf [379.68 KiB]
Скачиваний: 129
Вернуться наверх
 
Не в сети
 Заголовок сообщения: Re: Пылесос Энкор Корвет 365
СообщениеДобавлено: Пт фев 07, 2025 21:38:50 
Родился

Зарегистрирован: Ср янв 29, 2025 22:57:35
Сообщений: 2
Рейтинг сообщения: 0
MUCHAS GRACIAS!!!
Saludos cordiales


Вернуться наверх
 
Не в сети
 Заголовок сообщения: Re: Пылесос Энкор Корвет 365
СообщениеДобавлено: Сб фев 08, 2025 20:56:31 
Друг Кота
Аватар пользователя

Карма: 80
Рейтинг сообщений: 1077
Зарегистрирован: Ср мар 25, 2015 15:25:51
Сообщений: 5798
Откуда: ст. Новоминская
Рейтинг сообщения: 0
Por favor. Por favor contáctenos nuevamente.


Вернуться наверх
 
Не в сети
 Заголовок сообщения: Re: Пылесос Энкор Корвет 365
СообщениеДобавлено: Пн сен 22, 2025 19:36:35 
Родился

Зарегистрирован: Пн сен 22, 2025 19:16:49
Сообщений: 1
Рейтинг сообщения: 0
Всем здравствуйте. Имеется такая же плата, только побывавшая в воде, и конечно же, некоторые детали благополучно отвалились. Собственно, вопрос: какие стабилитроны стоят под номерами D1 и D4?


Вернуться наверх
 
Показать сообщения за:  Сортировать по:  Вернуться наверх
Начать новую тему Ответить на тему  [ Сообщений: 21 ]  1,  

Часовой пояс: UTC + 3 часа


Кто сейчас на форуме

Сейчас этот форум просматривают: нет зарегистрированных пользователей и гости: 21


Вы не можете начинать темы
Вы не можете отвечать на сообщения
Вы не можете редактировать свои сообщения
Вы не можете удалять свои сообщения
Вы не можете добавлять вложения

Найти:
Перейти:  


Powered by phpBB © 2000, 2002, 2005, 2007 phpBB Group
Русская поддержка phpBB
Extended by Karma MOD © 2007—2012 m157y
Extended by Topic Tags MOD © 2012 m157y