Например TDA7294

Форум РадиоКот • Просмотр темы - Приставка для тестирования усилителей
Форум РадиоКот
Здесь можно немножко помяукать :)

Текущее время: Ср дек 17, 2025 18:37:56

Часовой пояс: UTC + 3 часа


ПРЯМО СЕЙЧАС:



Начать новую тему Ответить на тему  [ Сообщений: 15 ] 
Автор Сообщение
Не в сети
 Заголовок сообщения: Приставка для тестирования усилителей
СообщениеДобавлено: Пт ноя 21, 2025 15:42:06 
Первый раз сказал Мяу!

Зарегистрирован: Ср ноя 07, 2012 19:27:13
Сообщений: 38
Рейтинг сообщения: 0
Всем здравия.
Наткнулся в инете на довольно интересную приставку по измерению усилителей.
https://2shemi.ru/izmeritelnaya-pristav ... siliteley/
Подкупило то что обещано одновременное подключение осциллографов к обоим каналам и отсутствие проблем с "землей".
Что скажет уважаемое сообщество о данной схеме?
Жизнеспособна?
Попытался найти автора или иное упоминание о ней в инете, ничего не получилось...
Замечены опечатки в подписи шин GND_1 и GND_2 в выходных делителях...
Не понятен механизм реализации заявленных коэффициентов деления...
Прошу высказываться...
Схема
СпойлерИзображение

В сборе
СпойлерИзображение Изображение


Вернуться наверх
 
Не в сети
 Заголовок сообщения: Re: Приставка для тестирования усилителей
СообщениеДобавлено: Пт ноя 21, 2025 15:48:03 
Вымогатель припоя

Карма: 2
Рейтинг сообщений: -5
Зарегистрирован: Сб авг 09, 2025 22:08:28
Сообщений: 601
Рейтинг сообщения: 0
если схема только в таком виде, то надо перерисовывать. Без программы сложно отлеживать цепи.

Добавлено after 2 minutes 7 seconds:
ну и нарисовано грубо. в некоторых местах лишние точки объединения цепей, в других наоборот их нет. Автор не особо старался. С учётом замеченных опечаток... как-то не вызывает доверия даже на таком уровне, без разбора схемотехники.


Вернуться наверх
 
Не в сети
 Заголовок сообщения: Re: Приставка для тестирования усилителей
СообщениеДобавлено: Пт ноя 21, 2025 16:04:10 
Первый раз сказал Мяу!

Зарегистрирован: Ср ноя 07, 2012 19:27:13
Сообщений: 38
Рейтинг сообщения: 0
Мои попытки перерисовать
Ссылки на Яндекс Диск...
Прошу прощения, на форум картинка закачивается в непотребном качестве, а SPL8 вообще не получается
https://disk.yandex.ru/i/zJzlxLB2jjZq4w
https://disk.yandex.ru/d/_iHFm9WwfCKflw

А способ подключения осциллографа рабочий в принципе?


Вернуться наверх
 
Не в сети
 Заголовок сообщения: Re: Приставка для тестирования усилителей
СообщениеДобавлено: Пт ноя 21, 2025 16:23:11 
Вымогатель припоя

Карма: 2
Рейтинг сообщений: -5
Зарегистрирован: Сб авг 09, 2025 22:08:28
Сообщений: 601
Рейтинг сообщения: 0
Я не очень понял, что там необычного в подключении осциллографа.


Вернуться наверх
 
Эиком - электронные компоненты и радиодетали
Не в сети
 Заголовок сообщения: Re: Приставка для тестирования усилителей
СообщениеДобавлено: Пт ноя 21, 2025 16:28:20 
Первый раз сказал Мяу!

Зарегистрирован: Ср ноя 07, 2012 19:27:13
Сообщений: 38
Рейтинг сообщения: 0
Сигнальный провод 1 канала осциллографа подключается к ЛК+, корпус осциллографа подключается к ЛК-,
Сигнальный провод 2 канала осциллографа подключается к ПК+, корпус осциллографа подключается к ПК-,
я правильно понимаю?

Все земли (входные, ПК, ЛК и питания) объединять?


Вернуться наверх
 
Не в сети
 Заголовок сообщения: Re: Приставка для тестирования усилителей
СообщениеДобавлено: Пт ноя 21, 2025 16:37:05 
Вымогатель припоя

Карма: 2
Рейтинг сообщений: -5
Зарегистрирован: Сб авг 09, 2025 22:08:28
Сообщений: 601
Рейтинг сообщения: 0
тогда будет петля, если не в одной точке.

Добавлено after 2 minutes 4 seconds:
я вижe там лишь делитель для осциллографа, 1:10. и всё.


Вернуться наверх
 
Не в сети
 Заголовок сообщения: Re: Приставка для тестирования усилителей
СообщениеДобавлено: Пт ноя 21, 2025 16:37:57 
Первый раз сказал Мяу!

Зарегистрирован: Ср ноя 07, 2012 19:27:13
Сообщений: 38
Рейтинг сообщения: 0
А по осциллографам, я правильно мыслю?

А не понятный мне делитель ниже клем осциллографа, 6 резисторов на землю.


Вернуться наверх
 
Не в сети
 Заголовок сообщения: Re: Приставка для тестирования усилителей
СообщениеДобавлено: Пт ноя 21, 2025 16:42:58 
Вымогатель припоя

Карма: 2
Рейтинг сообщений: -5
Зарегистрирован: Сб авг 09, 2025 22:08:28
Сообщений: 601
Рейтинг сообщения: 0
смотря что хотите увидеть. Но для такого подключения эта приставка не нужна. Вы можете как угодно подключить к осциллографу без неё.


Вернуться наверх
 
Не в сети
 Заголовок сообщения: Re: Приставка для тестирования усилителей
СообщениеДобавлено: Пт ноя 21, 2025 16:46:10 
Друг Кота
Аватар пользователя

Карма: 197
Рейтинг сообщений: 8593
Зарегистрирован: Пн ноя 30, 2009 03:00:01
Сообщений: 43102
Откуда: Нерезиновая
Рейтинг сообщения: 0
DRON_63 писал(а):
Прошу прощения, на форум картинка закачивается в непотребном качестве,

Не знаете, как получить качественную картинку- не нужно в этом винить форум.
Вот как эта картинка хранится на форуме:
https://img.radiokot.ru/files/81548/3x6mgi71ht.jpg
СпойлерИзображение


Вернуться наверх
 
Не в сети
 Заголовок сообщения: Re: Приставка для тестирования усилителей
СообщениеДобавлено: Пт ноя 21, 2025 16:48:42 
Первый раз сказал Мяу!

Зарегистрирован: Ср ноя 07, 2012 19:27:13
Сообщений: 38
Рейтинг сообщения: 0
Да я и не кого не виню... в спешке не получается и все... выложил на другой ресурс... форумом пользуюсь редко... всех тонкостей не знаю...
Одну картинку получилось, другую нет...

Давайте лучше по схеме...


Вернуться наверх
 
Не в сети
 Заголовок сообщения: Re: Приставка для тестирования усилителей
СообщениеДобавлено: Пт ноя 21, 2025 20:33:24 
Вымогатель припоя

Зарегистрирован: Пт май 20, 2022 12:28:46
Сообщений: 609
Рейтинг сообщения: 0
Самая хорошая "приставка", это Audioprecision system two с опциональным блоком DSP. Только она полмиллиона стоит, б/у-шная )))
А вообще, идея интересная. у меня давно в голове крутится мысль создать что-то подобное, но на несколько ином "технологическом" уровне на базе контроллера
а что до текущей схемы, то использование NE5534 нам однозначно говорит, что даже в идеальном случае, при THD+N < 0.003 мы будем измерять искажения приставки


Вернуться наверх
 
Не в сети
 Заголовок сообщения: Re: Приставка для тестирования усилителей
СообщениеДобавлено: Пт ноя 21, 2025 20:35:54 
Вымогатель припоя

Карма: 2
Рейтинг сообщений: -5
Зарегистрирован: Сб авг 09, 2025 22:08:28
Сообщений: 601
Рейтинг сообщения: 0
не, там измерения до NE5534

Добавлено after 35 seconds:
схема отвратительно нарисовано просто.


Вернуться наверх
 
Не в сети
 Заголовок сообщения: Re: Приставка для тестирования усилителей
СообщениеДобавлено: Сб ноя 22, 2025 01:33:50 
Вымогатель припоя

Зарегистрирован: Пт май 20, 2022 12:28:46
Сообщений: 609
Рейтинг сообщения: 0
Nranddek писал(а):
не, там измерения до NE5534
ну чтобы в этом лоскутном одеяле разобраться нужен дар телепатии. Факт.
А вообще идея использовать операционник для подключения дифференциального усилителя мягко говоря крайне спорная. Во всех серьезных аппаратах используется гальваническая развязка через трансформатор.
Понятно, что это дорого, но всё остальное оборудование как правило сильно дороже.


Последний раз редактировалось Silicoid Сб ноя 22, 2025 12:13:04, всего редактировалось 1 раз.

Вернуться наверх
 
Не в сети
 Заголовок сообщения: Re: Приставка для тестирования усилителей
СообщениеДобавлено: Сб ноя 22, 2025 08:36:07 
Друг Кота
Аватар пользователя

Карма: 107
Рейтинг сообщений: 3801
Зарегистрирован: Пн фев 09, 2009 22:19:49
Сообщений: 24310
Откуда: Когда-то был прекрасный город для людей
Рейтинг сообщения: 0
Усилители с выходом по мостовой схеме приборами с общей землёй относительно двух каналов, проверять нельзя.
И судя по этим отгрузкам узлов, используются способы обработки соотношений сигналов и выделения разностной составляющей.

Это что-то вроде приставки Акулинечева

Тут разве что четырёхканальный скоп нужен с наличием математических функций разве что...


Вернуться наверх
 
Не в сети
 Заголовок сообщения: Re: Приставка для тестирования усилителей
СообщениеДобавлено: Чт ноя 27, 2025 10:23:39 
Вымогатель припоя

Зарегистрирован: Пт май 20, 2022 12:28:46
Сообщений: 609
Рейтинг сообщения: 0
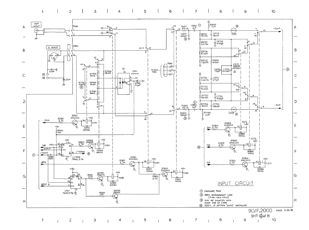
Если кому интересно, вот так выглядит входной тракт аудиоанализатора audioprecision system one
Изображение Изображение
Согласно официальному сервис мануалу


Вернуться наверх
 
Показать сообщения за:  Сортировать по:  Вернуться наверх
Начать новую тему Ответить на тему  [ Сообщений: 15 ] 

Часовой пояс: UTC + 3 часа


Кто сейчас на форуме

Сейчас этот форум просматривают: Президю и гости: 42


Вы не можете начинать темы
Вы не можете отвечать на сообщения
Вы не можете редактировать свои сообщения
Вы не можете удалять свои сообщения
Вы не можете добавлять вложения

Найти:
Перейти:  


Powered by phpBB © 2000, 2002, 2005, 2007 phpBB Group
Русская поддержка phpBB
Extended by Karma MOD © 2007—2012 m157y
Extended by Topic Tags MOD © 2012 m157y