Например TDA7294

Форум РадиоКот • Просмотр темы - Выходной (переходной) трансформатор усилителя.
Форум РадиоКот
Здесь можно немножко помяукать :)

Текущее время: Пн дек 29, 2025 03:39:11

Часовой пояс: UTC + 3 часа


ПРЯМО СЕЙЧАС:



Начать новую тему Ответить на тему  [ Сообщений: 581 ]     ... , , , 21, , , ...  
Автор Сообщение
Не в сети
 Заголовок сообщения: Re: Выходной (переходной) трансформатор усилителя.
СообщениеДобавлено: Чт ноя 15, 2018 21:26:44 
Мучитель микросхем

Карма: 7
Рейтинг сообщений: 54
Зарегистрирован: Ср мар 15, 2017 09:53:39
Сообщений: 422
Рейтинг сообщения: 0
As писал(а):
Для большинства "магазинных" использование лампового усилителя принесёт лишь разочарование...

Не правда. Это высказывание от незнания.
Вот с 6П3С в тетродном включении может такое случится. Точнее, для человека с опытом оно так и будет. Причина простая.
Современная акустика рассчитана на выходное сопротивление усилителя близкое к нулю. А Rвых. на 6П3С в тетроде...
... сейчас посчитаю, при Ктр. = 25, равно приблизительно 36 - 37 Ом.( Если вы инженер, посчитайте, убедитесь...)
Хотя, для первого раза может быть показаться звучание такого усилителя просто шикарным. Да, низов не будет хватать. Но звучание будет заметно чище любой из существующих ТДАшки.
А вот на лампах 6П36С, 6П41С в триодном включении вполне делается усилитель с Rвых. < 1 Ома. И он подружится практически с любой современной акустикой.
[quote="As"] А у вас какие обоснования по вами сказанному??? Или просто бла-бла-бла???


Последний раз редактировалось А_Кузьмич Чт ноя 15, 2018 21:47:05, всего редактировалось 1 раз.

Вернуться наверх
 
Не в сети
 Заголовок сообщения: Re: Выходной (переходной) трансформатор усилителя.
СообщениеДобавлено: Чт ноя 15, 2018 21:28:23 
Собутыльник Кота
Аватар пользователя

Карма: 25
Рейтинг сообщений: 141
Зарегистрирован: Ср дек 15, 2010 23:24:02
Сообщений: 2864
Откуда: Петербург
Рейтинг сообщения: 1
Да, действительно раньше особо не присматривался к этому сайту как к магазину :)

Выходные трансформаторы конечно муторно мотать, но не каждый же год я буду их делать :)

:beer:

Так вот его и нужно сделать максимально хорошо, с заделом на возможное использование с другой лампой, а это на приведённое Ra 4,5К-5К, что потом позволит оптимально согласовывать с лампами у которых Ri в пределах от 600 до 800 Ом. Да, и в таком окне трансформатора гнаться за числом витков в первичке более 3000 - очень сомнительно. Потребуется брать более тонкий провод, а это опять тянет неприятные моменты. Расчитывайте в программе оптимальное соотношение витков-диаметра проводов и т.п, т.е. делайте упор на конструктивный расчёт габаритов катушки. Какой провод в наличии по диаметру можете найти - тоже определяет очень многое, т.к. от него зависит сколько витков поместится в одном ряду. Если намотка хорошим станком - одно, а вручную или примитивным( без качественного укладчика витков) - другое...Может Вы уже и не один транс намотали...., а если нет, то сначала сделайте пробную укладку на данной длине каркаса, для того провода которым собираетесь мотать, чтобы потом знать сколько витков будет получаться в рядах. Особенно важно для вторички, где число витков в одном слое - и есть одна секция( ряд в секции), т.к. потом их, чаще всего, параллелят, а то в первом 80, а потом только 75 помещается или 85( если каркас распёрло)... и параллелить уже - очень нежелательно. Лишнее место в ряду(по краям) при намотке - тоже не очень...Короче, "играйтесь" в программе расчёта.


Вернуться наверх
 
Не в сети
 Заголовок сообщения: Re: Выходной (переходной) трансформатор усилителя.
СообщениеДобавлено: Чт ноя 15, 2018 21:51:18 
Мучитель микросхем

Карма: 7
Рейтинг сообщений: 54
Зарегистрирован: Ср мар 15, 2017 09:53:39
Сообщений: 422
Рейтинг сообщения: 0
nikola1971 писал(а):
Так вот его и нужно сделать максимально хорошо, с заделом на возможное использование с другой лампой

По мне так надо сразу делать хорошо... разобраться в вопросе, выяснить что тебе нужно.
Что бы потом не переделывать несколько раз. Жизнь как оказывается коротка.
Точнее: Жизнь, как рулон туалетной бумаги. Кажется длинной, но тратится на всякое го@но.
т.е. переделки недоделок....


Вернуться наверх
 
Не в сети
 Заголовок сообщения: Re: Выходной (переходной) трансформатор усилителя.
СообщениеДобавлено: Пт ноя 16, 2018 06:39:48 
Потрогал лапой паяльник
Аватар пользователя

Зарегистрирован: Вт апр 28, 2015 18:56:49
Сообщений: 301
Откуда: РФ, Самарская обл., г. Тольятти
Рейтинг сообщения: 0
Костя_1986, а для какой АС собираете усилитель?


Типа таких (на фото)

Добавлено after 3 minutes 16 seconds:
т.е. делайте упор на конструктивный расчёт габаритов катушки.


Обязательно :) Недомотать из-за нехватки места - работа на смарку.

Добавлено after 5 minutes 32 seconds:
По мне так надо сразу делать хорошо... разобраться в вопросе, выяснить что тебе нужно.
Что бы потом не переделывать несколько раз.


Полностью согласен. Поэтому до конца этого года буду доделывать блок питания и шасси. Возможно куплю намоточный провод 0.25 мм. Соберу макет на фанерке, доведу до ума генератор сигналов и буду экспериментировать со схемой.


Вложения:
orig.jpg [20.2 KiB]
Скачиваний: 631
Вернуться наверх
 
Эиком - электронные компоненты и радиодетали
Не в сети
 Заголовок сообщения: Re: Выходной (переходной) трансформатор усилителя.
СообщениеДобавлено: Сб ноя 17, 2018 08:04:49 
Модератор
Аватар пользователя

Карма: 159
Рейтинг сообщений: 4074
Зарегистрирован: Пт янв 23, 2009 19:20:05
Сообщений: 45298
Рейтинг сообщения: 4
Медали: 1
Получил миской по аватаре (1)
Для этих - ламповый усилитель не лучшее решение... Впрочем - соберите, послушайте... А потом сравните со звучанием примитивнейших "динамиков от телевизора" (3ГД-38Е...) от того же усилителя - возможно, это даст повод задуматься... :) Не нужно слушать псевдогуру, доказывающих с пеной у рта, что 6П3С - лучший усилительный элемент для акустической системы из ряда S90 - это совсем не так, и те немногие преимущества, что даёт ламповый усилитель, эта АС никак не реализует, а Вы получите глубокое разочарование... :))


Вернуться наверх
 
Не в сети
 Заголовок сообщения: Re: Выходной (переходной) трансформатор усилителя.
СообщениеДобавлено: Сб ноя 17, 2018 09:42:46 
Мучитель микросхем

Карма: 7
Рейтинг сообщений: 54
Зарегистрирован: Ср мар 15, 2017 09:53:39
Сообщений: 422
Рейтинг сообщения: 0
As писал(а):
Впрочем - соберите, послушайте...

Уважаемый, откуда у вас такие умозаключения, если вы сами не сделали НИ ОДНОГО лампового усилителя??????? И тем более не послушали его???
As писал(а):
псевдогуру, доказывающих с пеной у рта, что 6П3С - лучший усилительный элемент для акустической системы из ряда S90

Тоже интересно, где вы выискали такую хрень??? Даже в этой ветке советуем не применять 6П3С. Не знаю про псевдогуру, не знаком с ними, разве что это вы, да ещё здесь есть несколько подобных боломутов. Но не встречал ни одного ГУРУ, что бы хвалили 6П3С, как лучший элемент. Своё мнение я высказывал, ещё раз повторю, что более-менее прилично звучит 6П3С в пуш пуле, в триодном включении с питающим напряжение порядка 400 вольт (390 вольт анод-катод) и Ra-a примерно 9 кОм.
Что касается S90 (одна из самых говённых систем во все времена), то усилитель на 6П45С в триоде, с Ua = 330 вольт, Ia = 120 ма, с Ra = 4 кОма, с Rвых примерно 0,5 Ома справляется с этой АС будь здоров. И звучит эта система так, как никогда не звучала.
Правда, драйвер должен быть не абы какой, а выдавать 70 вольт и с большой амплитудой тока.
Мощность такого усилителя 10 ватт, при 3% КНИ на мах. Вы этих искажений не услышите. И даже не узнаете, что они там есть.


Вернуться наверх
 
Не в сети
 Заголовок сообщения: Re: Выходной (переходной) трансформатор усилителя.
СообщениеДобавлено: Сб ноя 17, 2018 13:11:33 
Собутыльник Кота
Аватар пользователя

Карма: 25
Рейтинг сообщений: 141
Зарегистрирован: Ср дек 15, 2010 23:24:02
Сообщений: 2864
Откуда: Петербург
Рейтинг сообщения: 0
Что касается S90 (одна из самых говённых систем во все времена), то усилитель на 6П45С в триоде, с Ua = 330 вольт, Ia = 120 ма, с Ra = 4 кОма, с Rвых примерно 0,5 Ома справляется с этой АС будь здоров. И звучит эта система так, как никогда не звучала.

Так точно! Мне только с Прибоем удалось от неё звук получить, хотя бы в той небольшой части, когда он начинает хоть чем-то привлекать. А, так, что родной 15ГД-11, что 5ГДШ( разновидностей) - всё уныло...монотонное "пиление", когда "полоса" есть, а звуков - нет :)) На струнах - хорошо заметно.


Вернуться наверх
 
Не в сети
 Заголовок сообщения: Re: Выходной (переходной) трансформатор усилителя.
СообщениеДобавлено: Вс ноя 18, 2018 11:39:59 
Держит паяльник хвостом

Карма: 6
Рейтинг сообщений: 137
Зарегистрирован: Вс июл 13, 2014 09:42:26
Сообщений: 958
Рейтинг сообщения: 4
В помощь "Косте-1986" :
- Расчёт режима однотактного каскада с пентодом или лучевым тетродом, стр.172;
- Расчёт выходного трансформатора для однотактного каскада, стр.174;
- То же для 2-х тактного каскада, стр.180;
- Расчёт выходного трансформатора для 2-х тактного каскада, стр.182;
Схема ультралинейного однотакта на 6П3С - стр. 185;
Схема 2-х тактного УНЧ на 6П3С 50 Вт, стр. 184;
Режимы работ для однотактных УНЧ любых мощностей и КНИ - стр.171;
Режимы работ для 2-х тактных УНЧ .......... - стр.177.

Справочник радиолюбителя. Госэнергоиздат 1958г.

Как правильно выполнить намотку ультралинейного трансформатора - в прилагаемом файле.


Вложения:
Выходной.pdf [30.87 KiB]
Скачиваний: 693
Вернуться наверх
 
Не в сети
 Заголовок сообщения: Re: Выходной (переходной) трансформатор усилителя.
СообщениеДобавлено: Вт ноя 20, 2018 18:19:58 
Держит паяльник хвостом

Карма: 6
Рейтинг сообщений: 137
Зарегистрирован: Вс июл 13, 2014 09:42:26
Сообщений: 958
Рейтинг сообщения: 2
Современная акустика рассчитана на выходное сопротивление усилителя близкое к нулю. А Rвых. на 6П3С в тетроде...
... сейчас посчитаю, при Ктр. = 25, равно приблизительно 36 - 37 Ом...
Да, низов не будет хватать...


«…современная акустика рассчитана на выходное сопротивление…. А Rвых. на 6П3С в тетроде…, …при Ктр. = 25, равно приблизительно 36 – 37 Ом…»:
- коэффициент трансформации обозначается n, а не Ктр. и связывает анодную нагрузку Rа с конкретным сопротивлением динамика Rн., а не с каким-то Rвых., которое в расчётах не фигурирует. Расчёт согласующего звена – выходного трансформатора, ведётся с двух сторон, со стороны анодных характеристик, по которым определяется Rа и со стороны нагрузки Rн. (динамика), сопротивление которой задаётся пользователем.
«…да, низов не будет хватать…»:
- «низов» будет ровно столько, сколько вы их заложите в расчёт и насколько грамотно посчитаете выходной трансформатор…

Расчёт выходного трансформатора для однотактного каскада - в прилагаемом файле.

----------


Вложения:
Однотактный.pdf [174.51 KiB]
Скачиваний: 638
Вернуться наверх
 
Не в сети
 Заголовок сообщения: Re: Выходной (переходной) трансформатор усилителя.
СообщениеДобавлено: Ср ноя 21, 2018 10:37:52 
Мучитель микросхем

Карма: 7
Рейтинг сообщений: 54
Зарегистрирован: Ср мар 15, 2017 09:53:39
Сообщений: 422
Рейтинг сообщения: 2
IRMADE писал(а):
коэффициент трансформации обозначается n, а не Ктр

Не существенно. Главное должно быть понятно.
IRMADE писал(а):
и связывает анодную нагрузку Rа с конкретным сопротивлением динамика Rн., а не с каким-то Rвых., которое в расчётах не фигурирует.

Ошибаетесь. Инженерный расчёт ТВЗ куда более сложный, чем вам кажется. А приведённый вами пример - лажа. И это я вам сейчас докажу.
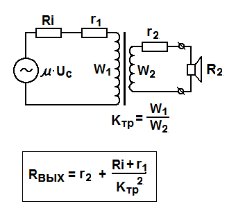
Итак, по пункту 1, индуктивность первичной обмотки. Предполагаю, в выходном каскаде у меня ГУ 50 в тетродном включении, Ua = 400 вольт. Ia = 100 ма. Ra - 5000 Om. (Вполне реальный режим или очень близок к нему). Fн выбираю 20 Гц. Могу???
Тогда:
1. L = 5000 : ( 7 х 20) = 5000 : 140 = 35,7 Гн. Так??? Хорошая индуктивность, ничего не могу сказать против. Идём дальше.
2. Минимальное сечение сердечника см², q = 100 х 100 х 35,7 : 3000 = 357000 : 3000 = 119 см²
Вы можете представить что это за сердечник? Наверное не каждый сварочник имеет такой. :)) Сами-то хоть пробовали считать???
Я не пользуюсь расчётами из всяких мурзилок, типа журнала Радио или в помощь радиолюбителю, коих развелось на просторах инета не меряно. Они очень сильно упрощены, а во многих не учтены важные данные. Поэтому применение таких расчётов во многих случаях не оправдано.
Расчёт индуктивности считаю исходя из данных эквивалентного генератора. А ТВЗ от КПД. КПД в свою очередь опредялет допустимые активные сопротивления обмоток. Инженерный расчёт так же включает в себя расчёт искажений, расчёт Ls, и расчёт Rвых. Низкое выходное не позволит АС бубнеть...
Вложение:
Rвых.jpg [6.59 KiB]
Скачиваний: 659


Вернуться наверх
 
Не в сети
 Заголовок сообщения: Re: Выходной (переходной) трансформатор усилителя.
СообщениеДобавлено: Ср ноя 21, 2018 19:47:31 
Держит паяльник хвостом

Карма: 6
Рейтинг сообщений: 137
Зарегистрирован: Вс июл 13, 2014 09:42:26
Сообщений: 958
Рейтинг сообщения: 4
Кузьмичу:

Несколько слов про «инженерный расчёт, сложность которого я не в силах представить…». В радиотехнике я уже 51 год, действующий радиоинженер. Почти с самого начала моей настольной книгой была «Усилители низкой частоты» Г.В.Войшвилло, 1939 года. Все последующие «копирайты», начиная с 1963 года, малоинтересны. Удалены наиболее интересные, с моей точки зрения, места и целые главы, видимо, в угоду размещённым транзисторам и микросхемам. Г.В.Войшвилло – признанный основоположник теории ламповых усилителей, которая в издании 1939 года дана наиболее полно, понятно и подробно. Там Вы найдёте и «инженерный расчёт» гармоник и индуктивности рассеяния и много чего ещё. А вот полюбившегося Вам Rвых. я что-то у Войшвилло не припомню… Может, полистаете на досуге издание 1939 года? Поищите Rвых.? Если я чего-то пропустил, буду весьма благодарен. Очень надеюсь, что Г.В.Войшвилло не будет для Вас мурзилкой и прочими хвостатыми.
И ещё. Как-то Вы с форумчанами « в тёмную» играете. Выдернутая невесть откуда формула Rвых. та, что в пристёгнутом файле, не впечатляет и вызовет много вопросов. Вы бы уж обнародовали полный расчёт выходного каскада (одно- или двухтактного) и выходного Тр. вместе с нагрузкой (разумеется!), источник расчёта и авторов, ну и год выпуска. Последний, в большинстве случаев, имеет очень большое значение в смысле достоверности информации. Так оно наглядней будет да и на вопросы Вам легче будет отвечать.

А что касается сечения сердечника, нужно будет посмотреть у других авторов. Возможно вкралась ошибка или опечатка.


Вернуться наверх
 
Не в сети
 Заголовок сообщения: Re: Выходной (переходной) трансформатор усилителя.
СообщениеДобавлено: Ср ноя 21, 2018 22:51:01 
Мучитель микросхем

Карма: 7
Рейтинг сообщений: 54
Зарегистрирован: Ср мар 15, 2017 09:53:39
Сообщений: 422
Рейтинг сообщения: 0
IRMADE писал(а):
В радиотехнике я уже 51 год, действующий радиоинженер. Почти с самого начала моей настольной книгой была «Усилители низкой частоты» Г.В.Войшвилло, 1939 года

Тем удивительней и не понятней выложенный Вами, извините за выражение, туфтовый вариант расчёта однотакта. После второго пункта расчёт которого теряет смысл. Инженеру как-то не солидны такие ляпы.
Против Войшвилло ничего не имею. Но листать не стану. Мне по душе Цыкин, УНЧ на электронных лампах, 1965 год. Это учебник. И там есть про Rвых.
IRMADE писал(а):
И ещё. Как-то Вы с форумчанами « в тёмную» играете.

Здесь практически все выставляют себя великими радиоинженерами, так им должно быть понятно.
А вы действительно считаете что низкое Rвых - это ни о чём?????
А вот так, формула меньше вопросов вызывает для радиоинженера?
Излагать здесь учебник по расчёту вых. каскада и ТВЗ не вижу смысла, да и нет особого желания.
Если есть реальные, конкретные вопросы, выкладываете, попытаемся их разрешить.


Вложения:
Rвых.png [9.31 KiB]
Скачиваний: 861
Вернуться наверх
 
Не в сети
 Заголовок сообщения: Re: Выходной (переходной) трансформатор усилителя.
СообщениеДобавлено: Чт ноя 22, 2018 00:54:36 
Собутыльник Кота
Аватар пользователя

Карма: 25
Рейтинг сообщений: 141
Зарегистрирован: Ср дек 15, 2010 23:24:02
Сообщений: 2864
Откуда: Петербург
Рейтинг сообщения: 1
<Трансформаторы Низкой Частоты> Цыкин 1955г 2е изд. Стр 27 по 36. 11.4 Расчёт активного сопротивления обмоток. 11.5 Определение коэффициента трансформации.
Изображение Изображение


Вернуться наверх
 
Не в сети
 Заголовок сообщения: Re: Выходной (переходной) трансформатор усилителя.
СообщениеДобавлено: Чт ноя 22, 2018 14:43:52 
Модератор
Аватар пользователя

Карма: 159
Рейтинг сообщений: 4074
Зарегистрирован: Пт янв 23, 2009 19:20:05
Сообщений: 45298
Рейтинг сообщения: 0
Медали: 1
Получил миской по аватаре (1)
И всё же, основной метод расчёта ТВЗ предполагает минимум искажений, а не "выходное сопротивление каскада"... Для снижения выходного сопротивления используется обратная связь (внутренняя, как в триоде, или внешняя...)


Вернуться наверх
 
Не в сети
 Заголовок сообщения: Re: Выходной (переходной) трансформатор усилителя.
СообщениеДобавлено: Чт ноя 22, 2018 15:38:01 
Это не хвост, это антенна

Карма: 7
Рейтинг сообщений: 148
Зарегистрирован: Пт янв 01, 2016 13:00:20
Сообщений: 1453
Откуда: Москва
Рейтинг сообщения: 0
основной метод расчета-нахождение компромиссов между параметрами, улучшение одних ведет к ухудшению других. При минимуме искажений индуктивность транса стремится к бесконечности. что тут раcсчитывать?


Вернуться наверх
 
Не в сети
 Заголовок сообщения: Re: Выходной (переходной) трансформатор усилителя.
СообщениеДобавлено: Чт ноя 22, 2018 16:48:13 
Собутыльник Кота
Аватар пользователя

Карма: 25
Рейтинг сообщений: 141
Зарегистрирован: Ср дек 15, 2010 23:24:02
Сообщений: 2864
Откуда: Петербург
Рейтинг сообщения: 1
основной метод расчета-нахождение компромиссов между параметрами, улучшение одних ведет к ухудшению других.

Главная и основная жертва в поисках оптимума - Выходная Мощность, убывающая при получении остальных параметров, близких к необходимым. Для удовлетворения всех требований необходим триод с мощностью 50-55Вт и внутренним сопротивлением 500-600Ом. Но - не "33".


Вернуться наверх
 
Не в сети
 Заголовок сообщения: Re: Выходной (переходной) трансформатор усилителя.
СообщениеДобавлено: Чт ноя 22, 2018 17:18:48 
Мучитель микросхем

Карма: 7
Рейтинг сообщений: 54
Зарегистрирован: Ср мар 15, 2017 09:53:39
Сообщений: 422
Рейтинг сообщения: 0
nikola1971 писал(а):
Главная и основная жертва в поисках оптимума - Выходная Мощность, убывающая при получении остальных параметров,

Для компенсации, повышаем Uа до предельного, с понижением тока анода. Повышаем Ктр, с целью понизить Rвых. Т.е. увеличиваем демпфирование АС. И как результат - практически не ощущаем на слух падения мощности.
Об этом тоже не писали в старинных учебниках. Скромно указывалось, что Ra для триодов выбиралось = 3 - 5Ri, реже 7 - 10 Ri.
Так вот, те, кто просто строит УНЧ, выбирают 3 - 5. А гурманы в погоне за звуком выбирают 10. При этом и сердечник берут побольше, что бы снизить активные сопротивления обмоток.


Вернуться наверх
 
Не в сети
 Заголовок сообщения: Re: Выходной (переходной) трансформатор усилителя.
СообщениеДобавлено: Чт ноя 22, 2018 18:31:35 
Держит паяльник хвостом

Карма: 6
Рейтинг сообщений: 137
Зарегистрирован: Вс июл 13, 2014 09:42:26
Сообщений: 958
Рейтинг сообщения: 0
Здесь практически все выставляют себя великими радиоинженерами...


Ну....это в Вас комплекс неполноценности говорит...

Теперь немного по существу. Как показал мой анализ различной литературы, в формуле определения сечения сердечника ( в приколотом файле моего коммента от 20 ноября 2018 19:19:58) действительно есть ошибка. В знаменателе должно быть не 3000, а 8000.
Происхождение ошибки может быть таким: в исходнике было 8000, но 8 была потёрта и наборщик в типографии принял её за 3, что логично. Так 8000 стало 3000. Итак, в знаменателе должно быть 8000. Остальная методика расчёта ошибок не содержит и является правильной.

Теперь насчёт Rвых. тр-ра. Нигде, кроме Цыкина этот параметр не фигурирует. Нет его у Цыкиной Анны Васильевны, нет у Гинкина Г.Г., нет у Берга А.И., Кренкеля Э.Т., Куликовского А.А. , Шамшура В.И. нет и в американском "Справочнике радиоинженера", рассчитаном на радиоинженеров и студентов-радиотехников (авторы - Р.Лэнди, Д.Дэвис и А.Албрехт 1961г.). Так что, крупно не пользу Цыкина. Хотя я ещё сравню выложенные страницы из Цыкина с Войшвилло. Возможно Цыкин называет "выходным сопротивлением тр-ра" что-то другое.

Так оно и есть. Цыкин вводит Rвых. в особом случае - при рассмотрении секционных вторичных обмоток, когда каждая имеет свой коэф. трансформации n и может работать на разную нагрузку. В обычном трансформаторе, с одной вторичной обмоткой, его расчёт ничем не отличается от других авторов.


Последний раз редактировалось IRMADE Чт ноя 22, 2018 20:08:31, всего редактировалось 1 раз.

Вернуться наверх
 
Не в сети
 Заголовок сообщения: Re: Выходной (переходной) трансформатор усилителя.
СообщениеДобавлено: Чт ноя 22, 2018 20:06:41 
Мучитель микросхем

Карма: 7
Рейтинг сообщений: 54
Зарегистрирован: Ср мар 15, 2017 09:53:39
Сообщений: 422
Рейтинг сообщения: 0
IRMADE писал(а):
это в Вас комплекс неполноценности говорит...

Никаких комплексов. Так они сами заявляют.
IRMADE писал(а):
Так что, крупно не пользу Цыкина

Давайте так... Я не собираюсь Вас в чём-то убеждать или переубеждать. Не собираюсь с Вами спорить...
Вы, как радиоинженер должны прекрасно знать и понимать, что УНЧ, как и любой другой четырёхполюсник имеет входное и выходное сопротивление. Речь сейчас о выходном... И Вам всего навсего надо принять или отклонить то обстоятельство, усилитель, например рассчитанный для акустики 8 Ом, и имеющий Rвых к примеру 1 Ом справляется с АС и звучит гораздо лучше, чем скажем с Rвых скажем 4 Ом или больше.
Так что это дело сугубо Ваше личное. Возможно убедитесь в этом только тогда, когда проверите опытным путём...
И то, что в литературе это есть только у Цыкина, скорее это ему в плюс.
Ну как-то так.


Вернуться наверх
 
Не в сети
 Заголовок сообщения: Re: Выходной (переходной) трансформатор усилителя.
СообщениеДобавлено: Чт ноя 22, 2018 20:10:56 
Это не хвост, это антенна

Карма: 7
Рейтинг сообщений: 148
Зарегистрирован: Пт янв 01, 2016 13:00:20
Сообщений: 1453
Откуда: Москва
Рейтинг сообщения: 0
Как инженеру, понятие "звучит лучше"-вообще ни о чем!


Вернуться наверх
 
Показать сообщения за:  Сортировать по:  Вернуться наверх
Начать новую тему Ответить на тему  [ Сообщений: 581 ]     ... , , , 21, , , ...  

Часовой пояс: UTC + 3 часа


Кто сейчас на форуме

Сейчас этот форум просматривают: нет зарегистрированных пользователей и гости: 33


Вы не можете начинать темы
Вы не можете отвечать на сообщения
Вы не можете редактировать свои сообщения
Вы не можете удалять свои сообщения
Вы не можете добавлять вложения

Найти:
Перейти:  


Powered by phpBB © 2000, 2002, 2005, 2007 phpBB Group
Русская поддержка phpBB
Extended by Karma MOD © 2007—2012 m157y
Extended by Topic Tags MOD © 2012 m157y