Например TDA7294

Форум РадиоКот • Просмотр темы - Усилитель на RSN
Форум РадиоКот
Здесь можно немножко помяукать :)

Текущее время: Сб дек 27, 2025 21:35:10

Часовой пояс: UTC + 3 часа


ПРЯМО СЕЙЧАС:



Начать новую тему Ответить на тему  [ Сообщений: 81 ]    , , , 4,  
Автор Сообщение
Не в сети
 Заголовок сообщения: Re: Усилитель на RSN
СообщениеДобавлено: Вс сен 28, 2014 20:34:06 
Друг Кота

Карма: 19
Рейтинг сообщений: 470
Зарегистрирован: Чт апр 29, 2010 07:39:15
Сообщений: 3227
Откуда: Молдова Бельцы
Рейтинг сообщения: 0
maniac1488 писал(а):
Собсн все может пригодится кому пригодится.

Может кому и пригодится. :)))
Тогда уж, ссылку на схему не мешает указать.
http://elektrotanya.com/panasonic_sa-ch ... nload.html

Р.С. Ещё бы знаки препинания научился расставлять, было бы ещё и читать понятнее . :roll:


Вернуться наверх
 
Не в сети
 Заголовок сообщения: Re: Усилитель на RSN
СообщениеДобавлено: Пт июл 03, 2015 19:53:04 
Родился

Зарегистрирован: Пт июл 03, 2015 19:45:52
Сообщений: 1
Рейтинг сообщения: 0
Вряд ли в этой теме еще найдется кто то живой, но все же напишу. Плата усилителя из муз. центра Panasonic SA-PM11 на RSN 3502 запустилась без всяких танцев с бубном, после обычной подачи питания(Замкнул реле).


Вернуться наверх
 
Не в сети
 Заголовок сообщения: Re: Усилитель на RSN
СообщениеДобавлено: Пт май 29, 2020 20:50:24 
Родился

Зарегистрирован: Пт май 29, 2020 20:28:07
Сообщений: 1
Рейтинг сообщения: 0
Добрый вечер!
Полетел унч SA 590 а точнее RSN 309W44B левый канал высоких частот, скорее всего виноват ламповый оконечник который черес Мджек тулил!
Вообщем спалил...
Приобрёл SA 250 + старый проц. SH 590 трудиться,
Но хочу востановить родной, вскрыть и поменять выходные...
Вот только на маркировку инфы 0 ))


Вернуться наверх
 
Не в сети
 Заголовок сообщения: Re: Усилитель на RSN
СообщениеДобавлено: Вт июн 02, 2020 07:01:18 
Друг Кота

Карма: 19
Рейтинг сообщений: 470
Зарегистрирован: Чт апр 29, 2010 07:39:15
Сообщений: 3227
Откуда: Молдова Бельцы
Рейтинг сообщения: 0
на маркировку инфы 0

Стесняюсь спросить, о какой именно маркировке идёт речь ? :dont_know:


Вернуться наверх
 
Эиком - электронные компоненты и радиодетали
Не в сети
 Заголовок сообщения: Re: Усилитель на RSN
СообщениеДобавлено: Пн окт 12, 2020 11:41:08 
Первый раз сказал Мяу!
Аватар пользователя

Зарегистрирован: Вт сен 13, 2016 22:44:25
Сообщений: 29
Рейтинг сообщения: 0
Привет всем. Предистория: купил себе мц Panasonic AK630. Аппарат гут. Да и вообще за всю жизнь меня еще ни один панасоник и техникс не разочаровал. Сам лично обладал 2мя мц панасоник CH74 и AK630 и мц Technics DV290. Плюс к этому обладаю сабом от дк Panasonic WA54. Ну так вот, приключилась беда а именно сдох аудиопроц на AK630. Недолго думая решал распилить центр на дрова и собрать себе новый усь. Так вот к чему вся эта демогогия: вся вышеуказанная техника собрана на микросборкках RSN. И ибо в качестве они меня не разочаровывали еще никогда, усь будет собиратся на ней. А именно BI-AMP на 4х канальной RSN315H42. Итак, ктонибудь имел дела с подобными микросборками? Поделитесь опытом.

Почитателем мацушиты был с конца 80, когда родители подарили первую миди систему техникс. С средины 90 и до 05 года, мной было прикуплено мнлго разных техниксов, как муз центров так и полноразмерных компонентов. И как-бы звуком нравились...
Но, когда привёз отцовский миди комплекс кенвуд и сравнил с техниксами, понял что, много лет как таковы слушал жалкое подобие музыки.
Поэтому распродал все техниксы... пользовался отцовским кенвудом. Сейчас в использовании минисистема кенвуд, вот ожидаю когда с японии приедут две топовых минисистемы кенвуда, 94 года и 97...

Добавлено after 2 minutes 47 seconds:
Re:
А стоит ли?
Цена на них негуманная.
Встречал подобную микруху в МЦ ПАНАСОНИК 98 года выпуска,
тогда ради интереса смотрел сколько она стоит, а стоила она 1200р по моему, а по тем деньгам это довольно таки большая сумма для радиодетальки.

Цена не гуманная, найти оригинал задачка ещё та...
А по факту, они даже не звучат...


Вернуться наверх
 
Не в сети
 Заголовок сообщения: Re: Усилитель на RSN
СообщениеДобавлено: Ср апр 03, 2024 23:36:43 
Сверлит текстолит когтями

Карма: 8
Рейтинг сообщений: 27
Зарегистрирован: Ср мар 01, 2023 12:56:48
Сообщений: 1232
Рейтинг сообщения: 0
https://disk.yandex.ru/d/u9zd40NImd-knQ
попался sa-ch73 убитый и решил из него усь сделать на гибриде и не сразу все получилось а помогли советы maniac1488 . спасибо тебе добрый человек. на фото всё как бы понятно. не уверен что перемычки на реле лучшее решение , но так получилось. всё работает

Добавлено after 2 minutes 41 second:
Спасибо за схемы попался панас SA CH75 С ошибкой F61 сдох проц(. Решил сделать УНЧ долго ломал голову как поступить в и тоге немного погуглив нашёл способ запуска заводской платы УНЧ без всяких бубнов Замыкаем PCOUNT И SUB+BV потом обходим схему наушников ставя перемычку в разъем CN504 между контактами SPL и AMPL аналогично SPR AMPR, входной сигнал подаем на контакты разъёма CN503 LCH(ЛЕВ) RCH(ПРАВ) A.GRND(земля) Собсн все может пригодится кому пригодится.

пргодилось, спасибо.


Вернуться наверх
 
Не в сети
 Заголовок сообщения: Re: Усилитель на RSN
СообщениеДобавлено: Вт фев 11, 2025 10:30:46 
Родился

Зарегистрирован: Вт фев 11, 2025 09:50:40
Сообщений: 8
Рейтинг сообщения: 0
Имеется усилитель technics_su-v500m2. Есть к нему схема.
В нем стоит микросхема RSN3502c. Что ни делаю звука нет. Гетинакс старый на плате - уже местами отторжения фольги от материала.
Транзистор Q816 идет на морду прибора и вкл. выкл. питание и индикаторы. Как на выходе 7 в этой схеме получают -4.4 ?
... в принципе непонятно... подал туда с делителя -4.4 при этом на выходе появился сигнал равный входному - без капли усиления...
На данный момент + - 37 есть, -15 -16 есть , -4.4 подаю а звука нет. Если ножку транзистора Q816 отсоединить от RSN прибор постоянно
ребутится... Еще в этом приборе умудрились поставить микроконтроллер на кнопки который цифровым кодом !!! комутирует аналоговый ключ
по входам выходам... и сигналов в принципе не видно - на тактовой частоте и данных одинаковый сигнал меандра.


Вложения:
rsn3502c.png [132.94 KiB]
Скачиваний: 156
Вернуться наверх
 
Не в сети
 Заголовок сообщения: Re: Усилитель на RSN
СообщениеДобавлено: Пт фев 14, 2025 23:59:46 
Сверлит текстолит когтями

Карма: 8
Рейтинг сообщений: 27
Зарегистрирован: Ср мар 01, 2023 12:56:48
Сообщений: 1232
Рейтинг сообщения: 0
[quote="krokas1977"]Гетинакс старый на плате[/quote
вы вынули плату усилителя и пытаетесь её запустить автономно от того же источника питания ? или починить усилитель как есть вместе с всеми приблудами ?


Вернуться наверх
 
Не в сети
 Заголовок сообщения: Re: Усилитель на RSN
СообщениеДобавлено: Вс фев 16, 2025 20:49:20 
Друг Кота

Карма: 19
Рейтинг сообщений: 470
Зарегистрирован: Чт апр 29, 2010 07:39:15
Сообщений: 3227
Откуда: Молдова Бельцы
Рейтинг сообщения: 0
Как на выходе 7 в этой схеме получают -4.4 ?
... в принципе непонятно...

Они там сами должны быть, походу...
[img][img]https://img.radiokot.ru/files/21873/thumbnail/3oocpruzjn.png[/img][/img]
Изображение


Вернуться наверх
 
Не в сети
 Заголовок сообщения: Re: Усилитель на RSN
СообщениеДобавлено: Пн фев 17, 2025 11:21:03 
Родился

Зарегистрирован: Вт фев 11, 2025 09:50:40
Сообщений: 8
Рейтинг сообщения: 0
Я пытаюсь починить усилитель целиком - но сначала запустить хотя бы rsn без безумно сложной входной коммутации... На данный момент на выходе 7 если ничего туда не подавать где то -0.2 вольта и звука вообще нет на выходе.


Вернуться наверх
 
Не в сети
 Заголовок сообщения: Re: Усилитель на RSN
СообщениеДобавлено: Пн фев 17, 2025 19:35:45 
Сверлит текстолит когтями

Карма: 8
Рейтинг сообщений: 27
Зарегистрирован: Ср мар 01, 2023 12:56:48
Сообщений: 1232
Рейтинг сообщения: 0
Это простейшая rsn ка . На плате с усилителем достаточно перемкнуть реле питания и клеммы от разъема наушников. У меня заводилась.


Вернуться наверх
 
Не в сети
 Заголовок сообщения: Re: Усилитель на RSN
СообщениеДобавлено: Вт фев 18, 2025 08:33:42 
Родился

Зарегистрирован: Вт фев 11, 2025 09:50:40
Сообщений: 8
Рейтинг сообщения: 0
Реле я перемкнул - слышно как они включаются щелкают... А наушники для чего клеммы замыкать?


Вернуться наверх
 
Не в сети
 Заголовок сообщения: Re: Усилитель на RSN
СообщениеДобавлено: Вт фев 18, 2025 09:19:18 
Сверлит текстолит когтями

Карма: 8
Рейтинг сообщений: 27
Зарегистрирован: Ср мар 01, 2023 12:56:48
Сообщений: 1232
Рейтинг сообщения: 0
На предыдущей странице есть инфа, которая мне лично помогла

Добавлено after 22 minutes 50 seconds:
На твоей картинке RL601 что за релюха. Попробуй на входе сигнал померить.

Добавлено after 4 minutes 43 seconds:
На клеммах 1 и 2 готовый усиленный сигнал на колонки уже должен быть

Добавлено after 1 minute 50 seconds:
Релюха скорее всего откл колонки когда втыкаешь наушники в разьем

Добавлено after 2 minutes 14 seconds:
Или это защита акустики.


Вернуться наверх
 
Не в сети
 Заголовок сообщения: Re: Усилитель на RSN
СообщениеДобавлено: Вт фев 18, 2025 11:32:25 
Родился

Зарегистрирован: Вт фев 11, 2025 09:50:40
Сообщений: 8
Рейтинг сообщения: 0
RL601 RL602 - реле которые вкл-выкл сигнал на акустику 4 Ома и 8 Ом - они вкл от питания +37 с задержкой - чтобы не трескало...
Как тут связан с этой микросхемой выход на наушники не пойму - который на основной кнопочной плате...?
Если не подавать минус 4.4 вольта на вход 7 - mute тогда по выходу вообще ничего нету!


Вернуться наверх
 
Не в сети
 Заголовок сообщения: Re: Усилитель на RSN
СообщениеДобавлено: Вт фев 18, 2025 13:23:56 
Сверлит текстолит когтями

Карма: 8
Рейтинг сообщений: 27
Зарегистрирован: Ср мар 01, 2023 12:56:48
Сообщений: 1232
Рейтинг сообщения: 0
krokas1977 писал(а):
Как тут связан с этой микросхемой выход на наушники

в вашем случае никак, забываем

Добавлено after 3 minutes 39 seconds:
есть схемы в панасах на RSN где сигнал с мкрсх на вых клеммы идет через разъем наушников. в голове с трудом укладывается но типа это так.

Добавлено after 36 minutes 50 seconds:
вся эта серия запускается без всяких ключей от простого двухполярного источника

Добавлено after 1 minute 9 seconds:
с мин обвязки.
если у вас не запускается, то что то где то отвалилось или не там снимаете сигнал

Добавлено after 4 minutes 55 seconds:
а, ещё проверьте переменка на 6Й ноге есть ?


Вложения:
Schematic_svi3101d-2_2024-12-09.pdf [80.48 KiB]
Скачиваний: 169
Вернуться наверх
 
Не в сети
 Заголовок сообщения: Re: Усилитель на RSN
СообщениеДобавлено: Пн мар 03, 2025 10:21:24 
Родился

Зарегистрирован: Вт фев 11, 2025 09:50:40
Сообщений: 8
Рейтинг сообщения: 0
krokas1977 писал(а):
Как тут связан с этой микросхемой выход на наушники

в вашем случае никак, забываем
а, ещё проверьте переменка на 6Й ноге есть ?


На пине 6 2 вольта вот такие...

Добавлено after 21 minute 35 seconds:
Таким образом питание +35 и -35 вольт есть. Стабилитрон работает -16.3 вольта на пине 8 есть...на пине 5 тоже деление на 2 работает...
а звука нет...


Вложения:
pin6.jpg [103.54 KiB]
Скачиваний: 118
Вернуться наверх
 
Не в сети
 Заголовок сообщения: Re: Усилитель на RSN
СообщениеДобавлено: Пн мар 03, 2025 13:25:39 
Сверлит текстолит когтями

Карма: 8
Рейтинг сообщений: 27
Зарегистрирован: Ср мар 01, 2023 12:56:48
Сообщений: 1232
Рейтинг сообщения: 0
krokas1977 писал(а):
а звука нет

я бы ещё проверил 7ю ногу с кондером на исправность и на обрыв и 9ю на обрыв
вы же говорили что у вас плата с отслоениями

Добавлено after 5 minutes 25 seconds:
или попробовать открутить винты и снать крышку с гибрида, осмотреть с лупой схемотехнику на предмет прогара. - черные точки или вздутия селикона мне попался один такой.

Добавлено after 50 minutes 19 seconds:
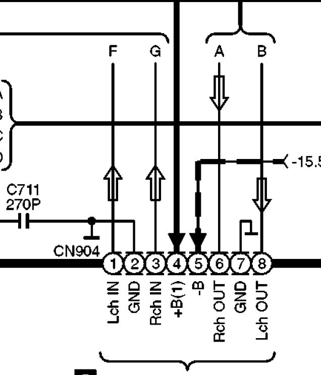
я бы ещё генератором подал синус на клемму CN904 и прозвонил осиком на предмет сигнала последовательно до микросборки и на выходе до разъемов.


Вложения:
вход.JPG [53.79 KiB]
Скачиваний: 126
Вернуться наверх
 
Не в сети
 Заголовок сообщения: Re: Усилитель на RSN
СообщениеДобавлено: Пн мар 03, 2025 15:41:36 
Родился

Зарегистрирован: Вт фев 11, 2025 09:50:40
Сообщений: 8
Рейтинг сообщения: 0
Микросхема rsn новая ... у старой сгорел один канал видно провод оторван - оплавился. купил на алике новую. Ногу 7 я тестил подавая минус 4.4 с делителя - появляется выход равный входу но без усиления..
можно землю на 9 прозвонить. А так я меряю все значения на контактах гибридки естественно...

Добавлено after 1 minute 16 seconds:
7ая нога еще включает на морде прибора индикацию питания.

Добавлено after 1 hour 38 minutes 9 seconds:
Добавлено after 50 minutes 19 seconds:
я бы ещё генератором подал синус на клемму CN904 и прозвонил осиком на предмет сигнала последовательно до микросборки и на выходе до разъемов.[/uquote]

так я в сами входы микросборки впаялся подаю синус прямо на нее...и звука нет! АУ! звук ты где?


Вернуться наверх
 
Не в сети
 Заголовок сообщения: Re: Усилитель на RSN
СообщениеДобавлено: Ср мар 05, 2025 10:52:43 
Родился

Зарегистрирован: Вт фев 11, 2025 09:50:40
Сообщений: 8
Рейтинг сообщения: 0
Проверил земли на контактах 9 и 12 - все хорошо они нормально соединены - контакт есть. Вообще схема просто убойная - отделом института профильного разобраться не можем...
Зачем нужна плата тон амплифайр куркуит вообще непонятно... У усилителя на морде есть кнопка включения тестового сигнала синуса (тона) - как это работает вообще непонятно?!
Почему сигнал после винил коррекции идет на микросхему IC402 - но при этом дальше этот сигнал уходит не на гибридку для усиления конечного а на на эту как раз плату Tone Amplifier Corcuit ?
А на гибридку идет сигнал LCH IN вопреки логике...а не LCH OUT
Что значат сигналы H LCH out , H RCH out... и сделать при этом в 80 годах цифровую комутацию аналогового ключа !!!
На аналоговый ключ IC401 для переключения аналоговых входов выходов подается
сигнал от микропроцессора - сигналы тактовой частоты и данных... где в цифровом виде задается код номера ключа и данные...

Добавлено after 17 minutes 35 seconds:
допустим ...H LCH out , H RCH out для наушников ... хорошо... отдельное усиление на транзисторах...


Вернуться наверх
 
Не в сети
 Заголовок сообщения: Re: Усилитель на RSN
СообщениеДобавлено: Вт мар 11, 2025 10:54:59 
Родился

Зарегистрирован: Вт фев 11, 2025 09:50:40
Сообщений: 8
Рейтинг сообщения: 0
Подал звук от компьютера в клемму CN 904 звук появился... усиление есть... Половина прибора работает. В аналоговые входы пока не попробовал - нужно звуковую карточку подключить...с тюльпанами на выходе.
Вопрос - если коммутация не работает а там стоит micro computer M37470M2536S то нужна же не только эта микросхема но еще и программа к ней?


Вернуться наверх
 
Показать сообщения за:  Сортировать по:  Вернуться наверх
Начать новую тему Ответить на тему  [ Сообщений: 81 ]    , , , 4,  

Часовой пояс: UTC + 3 часа


Кто сейчас на форуме

Сейчас этот форум просматривают: нет зарегистрированных пользователей и гости: 34


Вы не можете начинать темы
Вы не можете отвечать на сообщения
Вы не можете редактировать свои сообщения
Вы не можете удалять свои сообщения
Вы не можете добавлять вложения

Найти:
Перейти:  


Powered by phpBB © 2000, 2002, 2005, 2007 phpBB Group
Русская поддержка phpBB
Extended by Karma MOD © 2007—2012 m157y
Extended by Topic Tags MOD © 2012 m157y