Например TDA7294

Форум РадиоКот • Просмотр темы - Шумит микрофонный усилительна LM-358/NE5532
Форум РадиоКот
Здесь можно немножко помяукать :)

Текущее время: Пт дек 19, 2025 00:27:49

Часовой пояс: UTC + 3 часа


ПРЯМО СЕЙЧАС:



Начать новую тему Ответить на тему  [ Сообщений: 21 ]  1,  
Автор Сообщение
Не в сети
 Заголовок сообщения: Шумит микрофонный усилительна LM-358/NE5532
СообщениеДобавлено: Сб янв 24, 2015 04:23:51 
Родился

Зарегистрирован: Сб янв 24, 2015 04:06:46
Сообщений: 8
Откуда: Австралийская ССР
Рейтинг сообщения: 0
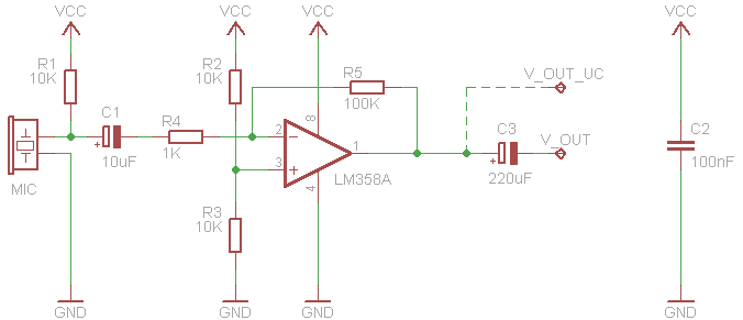
Добрый день!

Пробовал собирать вот такую схему на LM-358 и на NE5532 (микросхемы просто меняю одну на другую) с усилением от 1 до 100 (усиление на шум не влияет). Питать пробовал от USB +5V и от батарейки типа Крона. Собрано все на макетке т.е. без пайки. Моя проблема - очень сильные шумы/треск, даже если микрофон вынуть. Также пробовал ставить/убирать конденсаторы на питание и проч - никакой разницы, что с ними - что без них :( Свободные ноги ОС пробовал бросать на землю (не смейтесь над моим шаманством), что тоже ни во что ни вылилось. Методом научного тыка нащупал только одно - если после выходного конденсатора воткнуть резистор, то шум уменьшается, но разумеется сходит на нет усиление.

В чем может быть дело - дребезг на макетке, неправильные конденсаторы или недоработанная схема (я не знаю, на первом каскаде Av = 100 делать не много ли)?
Изображение

ps Не обращайте, пожалуйста, внимания на V_OUT_UC - у меня этого нету.


Вложения:
Комментарий к файлу: схема
lm358_mic_amp1.png [4.74 KiB]
Скачиваний: 9705
Вернуться наверх
 
Не в сети
 Заголовок сообщения: Re: Шумит микрофонный усилительна LM-358/NE5532
СообщениеДобавлено: Сб янв 24, 2015 08:39:41 
Модератор
Аватар пользователя

Карма: 120
Рейтинг сообщений: 1088
Зарегистрирован: Пн дек 08, 2008 19:28:04
Сообщений: 22863
Откуда: 10км от Москвы на Север
Рейтинг сообщения: 0
Закоротите микрофон на землю и посмотрите какие будут шумы.


Вернуться наверх
 
Не в сети
 Заголовок сообщения: Re: Шумит микрофонный усилительна LM-358/NE5532
СообщениеДобавлено: Сб янв 24, 2015 09:29:18 
Родился

Зарегистрирован: Сб янв 24, 2015 04:06:46
Сообщений: 8
Откуда: Австралийская ССР
Рейтинг сообщения: 0
Прошу прощения, если не понял - замыкаю положительный полюс С1 на землю и треск сменяется на тихий гул - как белый шум в телевизоре. Если к С1 подключен микрофон, выход с плеера или "+" С1 просто в воздухе висит - то треск идет (звук, пожалуй, сравним с работой газонокосилки :))

Еще заметил, что если микрофон с земли снимать т.е. возвращать схему в исходное состояние - то шум появляется не сразу, а с задержкой.


Не подскажите вывод из всего этого, пока я похожую тему от 2006 читаю? У меня ОУ осциллирует?


Вернуться наверх
 
Не в сети
 Заголовок сообщения: Re: Шумит микрофонный усилительна LM-358/NE5532
СообщениеДобавлено: Сб янв 24, 2015 09:42:13 
Модератор
Аватар пользователя

Карма: 120
Рейтинг сообщений: 1088
Зарегистрирован: Пн дек 08, 2008 19:28:04
Сообщений: 22863
Откуда: 10км от Москвы на Север
Рейтинг сообщения: 0
Если шум уменьшается, то надо установить малошумящую микросхему, либо уменьшть коэф. усиления.
Питание схемы должно быть качественным, тогда гула не будет.
"Задержка" при отключении конденсатора должна быть, она связана с разрядом последнего через вход ОУ.


Вернуться наверх
 
Эиком - электронные компоненты и радиодетали
Не в сети
 Заголовок сообщения: Re: Шумит микрофонный усилительна LM-358/NE5532
СообщениеДобавлено: Сб янв 24, 2015 09:44:41 
Электрический кот

Карма: 15
Рейтинг сообщений: 242
Зарегистрирован: Пн окт 06, 2014 18:37:50
Сообщений: 1038
Откуда: Великие Луки
Рейтинг сообщения: 0
У Вас нигде ИБП или другой гадости с импульсными БП рядом нет? Если есть, могут быть наводки от низ, даже если у соседа за стенкой что то мощное стоит.


Вернуться наверх
 
Не в сети
 Заголовок сообщения: Re: Шумит микрофонный усилительна LM-358/NE5532
СообщениеДобавлено: Сб янв 24, 2015 09:52:15 
Друг Кота
Аватар пользователя

Карма: 175
Рейтинг сообщений: 7680
Зарегистрирован: Чт апр 04, 2013 12:46:59
Сообщений: 17234
Откуда: Тюмень
Рейтинг сообщения: 0
Хотя бы конденсатор параллельно R3 есть? Если нет, то ОУ великолепно усиливает весь шум с шины питания.

_________________
Общением на форуме подпитываю свою эгоистичную, склонную к самолюбованию сущность.


Вернуться наверх
 
Не в сети
 Заголовок сообщения: Re: Шумит микрофонный усилительна LM-358/NE5532
СообщениеДобавлено: Сб янв 24, 2015 10:44:27 
Родился

Зарегистрирован: Сб янв 24, 2015 04:06:46
Сообщений: 8
Откуда: Австралийская ССР
Рейтинг сообщения: 0
По гулу и правда помогло отодвинуть рабочее место. От импульсника помехи нет, но остается потрескивание (помеха как при прослушке радио, если ловит плохо). Параллельно С3 конедсатор пробовал ставить - если ставить маленький, то толку ноль, а если большой - треск усиливается.


Вернуться наверх
 
Не в сети
 Заголовок сообщения: Re: Шумит микрофонный усилительна LM-358/NE5532
СообщениеДобавлено: Сб янв 24, 2015 10:47:58 
Модератор
Аватар пользователя

Карма: 120
Рейтинг сообщений: 1088
Зарегистрирован: Пн дек 08, 2008 19:28:04
Сообщений: 22863
Откуда: 10км от Москвы на Север
Рейтинг сообщения: 0
Параллельно не С3, а R3 ... :)


Вернуться наверх
 
Не в сети
 Заголовок сообщения: Re: Шумит микрофонный усилительна LM-358/NE5532
СообщениеДобавлено: Сб янв 24, 2015 10:56:47 
Родился

Зарегистрирован: Сб янв 24, 2015 04:06:46
Сообщений: 8
Откуда: Австралийская ССР
Рейтинг сообщения: 0
Я опечатался. Пробовал именно вокруг R3.

В любом случае, спасибо за промежуточный результат.


Вернуться наверх
 
Не в сети
 Заголовок сообщения: Re: Шумит микрофонный усилительна LM-358/NE5532
СообщениеДобавлено: Ср янв 28, 2015 21:15:06 
Друг Кота
Аватар пользователя

Карма: 20
Рейтинг сообщений: 488
Зарегистрирован: Сб ноя 20, 2010 21:54:31
Сообщений: 3954
Рейтинг сообщения: 0
Шумы и скрипы - влияние макетки, к тому же - возможно, нет фильтрации по питанию.
Вариант на 5532 с разъяснялкой работы, пара на 5534/32 - с фильтрами в питании и сигнале


Вернуться наверх
 
Не в сети
 Заголовок сообщения: Re: Шумит микрофонный усилительна LM-358/NE5532
СообщениеДобавлено: Чт янв 29, 2015 01:28:46 
Родился

Зарегистрирован: Сб янв 24, 2015 04:06:46
Сообщений: 8
Откуда: Австралийская ССР
Рейтинг сообщения: 0
На схеме по первой ссылке не понимаю включение микрофона...


Вернуться наверх
 
Не в сети
 Заголовок сообщения: Re: Шумит микрофонный усилительна LM-358/NE5532
СообщениеДобавлено: Чт янв 29, 2015 21:15:44 
Друг Кота
Аватар пользователя

Карма: 20
Рейтинг сообщений: 488
Зарегистрирован: Сб ноя 20, 2010 21:54:31
Сообщений: 3954
Рейтинг сообщения: 0
Добавьте конденсатор после между микрофоном и первой индуктивностью. Там резистор помеченный * - определяет усиление, можно и в варианте 358 применить


Вернуться наверх
 
Не в сети
 Заголовок сообщения: Re: Шумит микрофонный усилительна LM-358/NE5532
СообщениеДобавлено: Пт янв 30, 2015 03:38:18 
Родился

Зарегистрирован: Сб янв 24, 2015 04:06:46
Сообщений: 8
Откуда: Австралийская ССР
Рейтинг сообщения: 0
Ув. участники,


Методом научного тыка добился чистейшего звука: нужно замнуть выход второго ОУ микросхемы на выход первого ОУ (входы второго ОУ никуда не подсоединены).


Растолкуйте, пожалуйста, суть явления?


Вернуться наверх
 
Не в сети
 Заголовок сообщения: Re: Шумит микрофонный усилительна LM-358/NE5532
СообщениеДобавлено: Пт янв 30, 2015 05:27:07 
Друг Кота
Аватар пользователя

Карма: 175
Рейтинг сообщений: 7680
Зарегистрирован: Чт апр 04, 2013 12:46:59
Сообщений: 17234
Откуда: Тюмень
Рейтинг сообщения: 0
Не подключив ноги вы просто создали условия для возбуждения ОУ на весьма высокой частоте - получили результат. Хорошо, что разобрались, но дальше думайте сами "для чего нужно рисовать полные схемы и предоставлять больше информации о реальном состоянии устройства".

_________________
Общением на форуме подпитываю свою эгоистичную, склонную к самолюбованию сущность.


Вернуться наверх
 
Не в сети
 Заголовок сообщения: Re: Шумит микрофонный усилительна LM-358/NE5532
СообщениеДобавлено: Пт янв 30, 2015 05:44:42 
Родился

Зарегистрирован: Сб янв 24, 2015 04:06:46
Сообщений: 8
Откуда: Австралийская ССР
Рейтинг сообщения: 0
Ни на одной схеме про ноги неиспользуемых ОУ в одном корпусе нет ничего + никто из форумных знатоков подобный момент не затронул.

Пойсните плс два момента: Как именно влияет вход второго ОУ на самовозбуд? Как правильно поступать с пинами "лишних" ОУ?


Вернуться наверх
 
Не в сети
 Заголовок сообщения: Re: Шумит микрофонный усилительна LM-358/NE5532
СообщениеДобавлено: Пт янв 30, 2015 05:57:59 
Друг Кота
Аватар пользователя

Карма: 175
Рейтинг сообщений: 7680
Зарегистрирован: Чт апр 04, 2013 12:46:59
Сообщений: 17234
Откуда: Тюмень
Рейтинг сообщения: 0
Потому что это базовое правило. Оно не нуждается в озвучивании при публикации каждой схемы. Мы же не доказываем каждый раз теорему Пифагора, когда чертим чертежи или что-то строим. В противном случае, к каждой схеме нужно было бы сопровождать как минимум разделом "электричество" из учебника физики. Однако вы наверняка найдёте такое положение дел достаточно непродуктивным. Вот и остальные думают то же самое...

Входы неиспользуемых ОУ подсоединяются так, чтобы ОУ гарантированно не возбуждался, не усиливал какой-либо сигнал или хотя бы имел переменное потребление. Если ОУ скорректирован для единичного усиления (не все имеют такую коррекцию), то достаточно инвертирующий вход ОУ соединить с выходом этого же ОУ, а неинвертирующий подключить к реальной (в случае двуполярного питания) или искусственной земле.

_________________
Общением на форуме подпитываю свою эгоистичную, склонную к самолюбованию сущность.


Вернуться наверх
 
Не в сети
 Заголовок сообщения: Re: Шумит микрофонный усилительна LM-358/NE5532
СообщениеДобавлено: Пт янв 30, 2015 06:18:19 
Родился

Зарегистрирован: Сб янв 24, 2015 04:06:46
Сообщений: 8
Откуда: Австралийская ССР
Рейтинг сообщения: 0
Slabovik писал(а):
Входы неиспользуемых ОУ подсоединяются так, чтобы ОУ гарантированно не возбуждался, не усиливал какой-либо сигнал или хотя бы имел переменное потребление. Если ОУ скорректирован для единичного усиления (не все имеют такую коррекцию), то достаточно инвертирующий вход ОУ соединить с выходом этого же ОУ, а неинвертирующий подключить к реальной (в случае двуполярного питания) или искусственной земле.


Так я пробовал - не помогает. Помогает только выход второго ОУ соединить с выходом первого. Я этого не понимаю.


Вернуться наверх
 
Не в сети
 Заголовок сообщения: Re: Шумит микрофонный усилительна LM-358/NE5532
СообщениеДобавлено: Пт янв 30, 2015 06:24:34 
Друг Кота
Аватар пользователя

Карма: 175
Рейтинг сообщений: 7680
Зарегистрирован: Чт апр 04, 2013 12:46:59
Сообщений: 17234
Откуда: Тюмень
Рейтинг сообщения: 0
Нельзя выходы соединять воедино. Вы просто коротнули выходы своих ОУ взаимно. Соответственно, Ку работающего ОУ упал ниже плинтуса, вместе с ним петлевое усиление - возбуд пропал.

В общем, исправляйте свой монтаж - в нём ваша проблема.

_________________
Общением на форуме подпитываю свою эгоистичную, склонную к самолюбованию сущность.


Вернуться наверх
 
Не в сети
 Заголовок сообщения: Re: Шумит микрофонный усилительна LM-358/NE5532
СообщениеДобавлено: Чт фев 20, 2025 22:29:13 
Первый раз сказал Мяу!

Карма: 3
Рейтинг сообщений: 3
Зарегистрирован: Вс фев 24, 2008 17:06:35
Сообщений: 39
Рейтинг сообщения: 0
Сделал схему почти как в первом посте данной темы, только С1- 0,1 мкф и параллельно R3 конденсатор электролит 1 мкф.
Усилитель адски возбуждается и пищит на частоте около 1 кгц при отключенном микрофоне. Писк пропадает только при отключении R1. Такое ощущение, что R1 C1 играет роль частотозадающей цепочки для этой паразитной генерации. Пробовал менять параметры этой цепи - меняется частота писка. Если вообще убрать R1 и подключить ко входу динамический микрофон - то усилитель работает отлично с небольшими шумами. Но как только подключаю R1 или даже просто электрретный микрофон к + питания даже без R1 - опять микросхема начинает работать как сирена.
В чем может быть дело? Менял параметры всех остальных деталей - не помогает.


Вернуться наверх
 
Не в сети
 Заголовок сообщения: Re: Шумит микрофонный усилительна LM-358/NE5532
СообщениеДобавлено: Чт фев 20, 2025 23:33:28 
Вымогатель припоя

Зарегистрирован: Пт май 20, 2022 12:28:46
Сообщений: 610
Рейтинг сообщения: 0
Питание приезжает откуда? Если импульсник или usb попробуйте заменить на батарейку. Проверить. Есть подозрение, что оно через питание лезет
И еще одно. 0.1мкф при Rвх= 1к очень мало. На частоте 1кГц, Zc1 = 1.5K

Добавлено after 13 minutes 43 seconds:
и еще, как мне кажется (более опытные коты поправят, если что) электролит, параллельный R3 может быть не нужен.


Вернуться наверх
 
Показать сообщения за:  Сортировать по:  Вернуться наверх
Начать новую тему Ответить на тему  [ Сообщений: 21 ]  1,  

Часовой пояс: UTC + 3 часа


Кто сейчас на форуме

Сейчас этот форум просматривают: нет зарегистрированных пользователей и гости: 16


Вы не можете начинать темы
Вы не можете отвечать на сообщения
Вы не можете редактировать свои сообщения
Вы не можете удалять свои сообщения
Вы не можете добавлять вложения

Найти:
Перейти:  


Powered by phpBB © 2000, 2002, 2005, 2007 phpBB Group
Русская поддержка phpBB
Extended by Karma MOD © 2007—2012 m157y
Extended by Topic Tags MOD © 2012 m157y