Например TDA7294

Форум РадиоКот • Просмотр темы - PIC 16F690
Форум РадиоКот
Здесь можно немножко помяукать :)

Текущее время: Вт дек 30, 2025 19:16:09

Часовой пояс: UTC + 3 часа


ПРЯМО СЕЙЧАС:



Начать новую тему Ответить на тему  [ Сообщений: 51 ]    , , 3
Автор Сообщение
Не в сети
 Заголовок сообщения: Re: PIC 16F690
СообщениеДобавлено: Чт сен 26, 2024 08:33:22 
Прорезались зубы
Аватар пользователя

Карма: 5
Рейтинг сообщений: 25
Зарегистрирован: Ср сен 11, 2024 10:18:53
Сообщений: 241
Рейтинг сообщения: 0
Всем интересующимся, нашёл плату, срисовал схемку.
На плате правда не было многих деталей, но не суть.
И не обессудьте за ошибки, если таковые найдёте.


Вложения:
Schematic_95550-1R000.pdf [82.82 KiB]
Скачиваний: 118

_________________
Audiatur et altera pars !
Вернуться наверх
 
Не в сети
 Заголовок сообщения: Re: PIC 16F690
СообщениеДобавлено: Пн сен 30, 2024 17:22:35 
Открыл глаза

Зарегистрирован: Пн апр 08, 2019 11:03:59
Сообщений: 57
Рейтинг сообщения: 0
Пять миганий сделал. Есть интерес, не не переписывая программу заново, сделать "СПАСИБО" (при однократном нажатии на аварийку три раза мигать ей). Еще не въеду как работают входы аналоговые. Они должны мерять сопротивление. Если одна из ламп (справа или слева) перегорела то мигание 1 раз в 0,5 сек. Если все в норме то 1 раз в 1 сек.


Вернуться наверх
 
Не в сети
 Заголовок сообщения: Re: PIC 16F690
СообщениеДобавлено: Пн сен 30, 2024 21:00:20 
Прорезались зубы
Аватар пользователя

Карма: 5
Рейтинг сообщений: 25
Зарегистрирован: Ср сен 11, 2024 10:18:53
Сообщений: 241
Рейтинг сообщения: 0
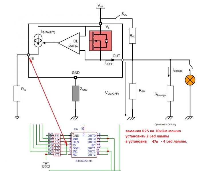
Еще не въеду как работают входы аналоговые. Они должны мерять сопротивление. Если одна из ламп (справа или слева) перегорела то мигание 1 раз в 0,5 сек. Если все в норме то 1 раз в 1 сек.


Тут всё происходит в выходном драйвере BTS5020.
Изображение
Делитель на выводе IS задаёт параметры. Как его изменить видно на скрине.

_________________
Audiatur et altera pars !


Вернуться наверх
 
Не в сети
 Заголовок сообщения: Re: PIC 16F690
СообщениеДобавлено: Ср окт 02, 2024 15:26:55 
Открыл глаза

Зарегистрирован: Пн апр 08, 2019 11:03:59
Сообщений: 57
Рейтинг сообщения: 0
Тогда вопрос ещё интересней. Что меряет контроллер на аналоговых входах? В симуляторе если подать на них меньше чем 2.71v выходы на повороты горят постоянно.


Вернуться наверх
 
Эиком - электронные компоненты и радиодетали
Не в сети
 Заголовок сообщения: Re: PIC 16F690
СообщениеДобавлено: Ср окт 02, 2024 17:10:38 
Друг Кота
Аватар пользователя

Карма: 139
Рейтинг сообщений: 2918
Зарегистрирован: Чт янв 10, 2008 22:01:02
Сообщений: 24635
Откуда: Московская область, Фрязино
Рейтинг сообщения: 0
Еще не въеду как работают входы аналоговые. Они должны мерять сопротивление.

С какого перепуга? Причем тут сопротивление?
Аналоговые входы - это входы от которых физически отсоединены выходные драйверы, чтобы боди диоды мосфетов не влияли на измерения. А сами аналоговые входы присоединены либо к аналоговому мультиплексору АЦП, либо к мультиплексору входов компаратора.
То есть сами аналоговые входы ничего не меряют.


Вернуться наверх
 
Не в сети
 Заголовок сообщения: Re: PIC 16F690
СообщениеДобавлено: Ср окт 02, 2024 17:37:39 
Прорезались зубы
Аватар пользователя

Карма: 5
Рейтинг сообщений: 25
Зарегистрирован: Ср сен 11, 2024 10:18:53
Сообщений: 241
Рейтинг сообщения: 0
Тогда вопрос ещё интересней. Что меряет контроллер на аналоговых входах?
В симуляторе если подать на них меньше чем 2.71v выходы на повороты горят постоянно.

Зачем вам симулятор ?
Номинал резистора уже подсчитали, ставьте и не мучайтесь :)

_________________
Audiatur et altera pars !


Вернуться наверх
 
Не в сети
 Заголовок сообщения: Re: PIC 16F690
СообщениеДобавлено: Чт ноя 28, 2024 13:48:23 
Открыл глаза

Зарегистрирован: Пн апр 08, 2019 11:03:59
Сообщений: 57
Рейтинг сообщения: 0
Подскажите пожалуйста Что такое W и F? Это 1 и 0?
MOVF FSR,W
INCF FSR,F


Вернуться наверх
 
Не в сети
 Заголовок сообщения: Re: PIC 16F690
СообщениеДобавлено: Чт ноя 28, 2024 15:16:46 
Нашел транзистор. Понюхал.
Аватар пользователя

Карма: 1
Рейтинг сообщений: 22
Зарегистрирован: Чт ноя 26, 2015 23:22:35
Сообщений: 161
Откуда: не с Уфы
Рейтинг сообщения: 0
а почему не спрашиваешь, что такое "MOVF"?

_________________
Tg


Вернуться наверх
 
Не в сети
 Заголовок сообщения: Re: PIC 16F690
СообщениеДобавлено: Чт ноя 28, 2024 15:35:16 
Открыл глаза

Зарегистрирован: Пн апр 08, 2019 11:03:59
Сообщений: 57
Рейтинг сообщения: 0
Потому, что Синтаксис: MOVF f, d Где: f (FSR в нашем случае) пересылается в регистр W, если d = 0, и в тот же регистр f, если d = 1. Вместо d у нас, после дисассемблирования W. По этому и задаю вопрос. Где-то читал, что W это 0, а F это 1.
Предположу, что роль d здесь играет регистр W. Но с F вообще не понятно.


Вернуться наверх
 
Не в сети
 Заголовок сообщения: Re: PIC 16F690
СообщениеДобавлено: Чт ноя 28, 2024 16:03:48 
Нашел транзистор. Понюхал.
Аватар пользователя

Карма: 1
Рейтинг сообщений: 22
Зарегистрирован: Чт ноя 26, 2015 23:22:35
Сообщений: 161
Откуда: не с Уфы
Рейтинг сообщения: 0
как это "не понятно", если чуть ранее ты пишешь "... в тот же регистр F" - это и есть ответ. Или весь вопрос сводится к тому что "W это 0"? ... ну да, ноль ... как впрочем и всё что ты пишешь буквами заменяется на то или иное сочетание нулей с единицами ...
В даташите на любой чип есть раздел INSTRUCTION SET SUMMARY ... там как раз про это

_________________
Tg


Вернуться наверх
 
Не в сети
 Заголовок сообщения: Re: PIC 16F690
СообщениеДобавлено: Чт ноя 28, 2024 17:32:47 
Друг Кота
Аватар пользователя

Карма: 139
Рейтинг сообщений: 2918
Зарегистрирован: Чт янв 10, 2008 22:01:02
Сообщений: 24635
Откуда: Московская область, Фрязино
Рейтинг сообщения: 0
Но с F вообще не понятно.

Вам непонятно зачем переписывать из F в F?
Это делается для проверки содержимого F на арифметические флаги. Например на равенство нулю.
Псевдоперезапись такого рода приводит к установлению этих флагов в регистре STATUS.


Вернуться наверх
 
Показать сообщения за:  Сортировать по:  Вернуться наверх
Начать новую тему Ответить на тему  [ Сообщений: 51 ]    , , 3

Часовой пояс: UTC + 3 часа


Кто сейчас на форуме

Сейчас этот форум просматривают: нет зарегистрированных пользователей и гости: 14


Вы не можете начинать темы
Вы не можете отвечать на сообщения
Вы не можете редактировать свои сообщения
Вы не можете удалять свои сообщения
Вы не можете добавлять вложения

Найти:
Перейти:  


Powered by phpBB © 2000, 2002, 2005, 2007 phpBB Group
Русская поддержка phpBB
Extended by Karma MOD © 2007—2012 m157y
Extended by Topic Tags MOD © 2012 m157y