Например TDA7294

Форум РадиоКот • Просмотр темы - Плафон освещения кабины на pic12f615
Форум РадиоКот
Здесь можно немножко помяукать :)

Текущее время: Ср янв 07, 2026 07:35:21

Часовой пояс: UTC + 3 часа


ПРЯМО СЕЙЧАС:



Начать новую тему Ответить на тему  [ Сообщений: 25 ]  1,  
Автор Сообщение
Не в сети
 Заголовок сообщения: Плафон освещения кабины на pic12f615
СообщениеДобавлено: Сб июл 20, 2019 11:03:53 
Открыл глаза

Зарегистрирован: Вт авг 07, 2018 09:44:46
Сообщений: 66
Рейтинг сообщения: 0
Задача состоит в том, чтобы при нажатии кнопки переключались режимы:
1) последовательность импульсов, где 1- 667 мкс, 0-1333 мкс
2) последовательность импульсов, где 1- 1333 мкс, 0-667 мкс
3) уровень 1
4) уровень 0
Но у меня получается, что горит либо пока зажата кнопка, и то по одному режиму, либо после отпускания кнопки горит еще секунды 3 и все, а нужно после нажатия чтоб горело до следующего нажатия с переключением. Свой код прилагаю. Помогите подправить, пожалуйста.
Код:
#include <stdio.h>
#include <stdlib.h>
#include <xc.h>

#pragma config FOSC = INTOSCCLK
#pragma config IOSCFS = 8MHZ    // Internal Oscillator Frequency Select bit (8 MHz)
#define _XTAL_FREQ 16000000      // Declare crystal frequency to be 8MHZ (for delay functions)

void rezhim1() {
   GPIO2 = 1;
 __delay_us(667);
        GPIO2 = 0;
        __delay_us(1333);
}
void rezhim2() {
   GPIO2 = 1;
 __delay_us(1333);
        GPIO2 = 0;
        __delay_us(667);
}
void rezhim3() {
   GPIO2 = 1;
}
void rezhim4() {
        GPIO2 = 0;
}

int main(int argc, char** argv) {

{   
   ANSEL  = 0x00;       // Set ports as digital I/O, not analog input
   ADCON0 = 0x00;       // Shut off the A/D Converter
   TRISIO0 = 1;       // GP3 input, rest all output
    TRISIO2 = 0;
   GPIO   = 0x00;       // Make all pins 0
   while(1)
   {
       if (GPIO0 == 1)
        {
        GPIO2 = 0;
        }  else
        {
        rezhim1();   
        }
        if (GPIO0 == 1)
        {
           GPIO2 = 0;
        } else
        {
        rezhim2();
        }
        if (GPIO0 == 1)
        {
           GPIO2 = 0;
        } else
        {
        rezhim3();
        }
        if (GPIO0 == 1)
        {
           GPIO2 = 0;
        } else
        {
        rezhim4();
        }
    }       
    }   
}



Вернуться наверх
 
Не в сети
 Заголовок сообщения: Re: Плафон освещения кабины на pic12f615
СообщениеДобавлено: Сб июл 20, 2019 12:42:49 
Модератор
Аватар пользователя

Карма: 90
Рейтинг сообщений: 1432
Зарегистрирован: Чт мар 18, 2010 23:09:57
Сообщений: 4599
Откуда: Планета Земля
Рейтинг сообщения: 0
Медали: 1
Получил миской по аватаре (1)
У Вас в корне всё неправильно. Под Вашу задачу "подправить" не получится, нужно полностью переписывать весь код.
Формирование импульсов сделайте на прерывании таймера. Периоды у Вас кратны одному значению.
Обработку кнопок можно тоже туда же запихнуть, времени между вызовами должно хватить на всё. В крайнем случае, сделаете обработку и переключение режимов в основном цикле.


Вернуться наверх
 
Не в сети
 Заголовок сообщения: Re: Плафон освещения кабины на pic12f615
СообщениеДобавлено: Сб июл 20, 2019 12:46:50 
Открыл глаза

Зарегистрирован: Вт авг 07, 2018 09:44:46
Сообщений: 66
Рейтинг сообщения: 0
Аlex, а мини пример можно такого? а то я пока не особо понимаю как это реализовать


Вернуться наверх
 
Не в сети
 Заголовок сообщения: Re: Плафон освещения кабины на pic12f615
СообщениеДобавлено: Сб июл 20, 2019 12:54:17 
Модератор
Аватар пользователя

Карма: 90
Рейтинг сообщений: 1432
Зарегистрирован: Чт мар 18, 2010 23:09:57
Сообщений: 4599
Откуда: Планета Земля
Рейтинг сообщения: 0
Медали: 1
Получил миской по аватаре (1)
Посмотрел даташит на ваш камушек, там даже есть модуль PWM. Проблем решить Вашу задачу нет вообще никаких...
Курим раздел этого модуля в даташите...
Если PWM будет сложно, то изучаем таймеры (в частности TMR2). Его описание есть также в ДШ.


Вернуться наверх
 
Эиком - электронные компоненты и радиодетали
Не в сети
 Заголовок сообщения: Re: Плафон освещения кабины на pic12f615
СообщениеДобавлено: Вс июл 21, 2019 06:42:11 
Друг Кота
Аватар пользователя

Карма: 139
Рейтинг сообщений: 2919
Зарегистрирован: Чт янв 10, 2008 22:01:02
Сообщений: 24672
Откуда: Московская область, Фрязино
Рейтинг сообщения: 3
я пока не особо понимаю как это реализовать

Для начала смените сам подход к решению.
Если Вы хотите перебирать неких 4 режима (не важно чего), то создайте автомат реализующий эти 4 режима. По сути - программный счетчик по нажатию кнопки. И учтите, что у кнопки есть дребезг.
Дребезг удаляется с помощью чтения кнопки с интервалом бОльшим, чем время дребезга. Даже если кнопка посредственного качества, то 20...30 мс перекроют ее дребезг. На выходе такой защиты будет состояние кнопки без дребезга, но еще не сам счетчик режимов. Далее нужно ловить СОБЫТИЕ (а не состояние) нажатия. То есть анализировать ПРЕДЫДУЩЕЕ и ТЕКУЩЕЕ состояние кнопки. И при их сочетании соответствующем событию нажатия (01 или 10 - зависит от схемотехники кнопки) можно инкрементировать счетчик режимов. Далее нужно этот счетчик ограничить в счете или анализе (у Вас 4 режима, значит можно просто наложить маску &0b00000011 при анализе режима, но не ограничивать счет).
Ну и анализируя номер режима, переключать этот самый режим по if, а лучше по case, загружая в PWM необходимые параметры.
ЗЫ. По поводу реализации. И таки да, прерывания по таймеру для анализа кнопки, а не дурацкий блокирующий delay(), Вам помогут...


Вернуться наверх
 
Не в сети
 Заголовок сообщения: Re: Плафон освещения кабины на pic12f615
СообщениеДобавлено: Вс июл 21, 2019 10:34:44 
Открыл глаза

Зарегистрирован: Вт авг 07, 2018 09:44:46
Сообщений: 66
Рейтинг сообщения: 0
КРАМ, если с дребезжанием мне еще понятно, то вот на ловку события хотелось бы увидеть хотя бы несколько строк кода примера, ибо мои поиски не увенчались успехом, это вам легко на словах, а мне как не профи в этом не очень, поэтому и прошу хоть какой-то мини пример


Вернуться наверх
 
Не в сети
 Заголовок сообщения: Re: Плафон освещения кабины на pic12f615
СообщениеДобавлено: Вс июл 21, 2019 11:21:36 
Друг Кота
Аватар пользователя

Карма: 139
Рейтинг сообщений: 2919
Зарегистрирован: Чт янв 10, 2008 22:01:02
Сообщений: 24672
Откуда: Московская область, Фрязино
Рейтинг сообщения: 3
вот на ловку события хотелось бы увидеть

Заводим некую переменную - состояние кнопки (назовем ее statButton, например):
В нее вдвигаем (левый сдвиг) текущее бездребезговое значение кнопки и маскируем два младших разряда этой переменной:
Код:

uint8_t countMode=0;
uint8_t reqChangeMode=0;

// в обработчике прерываний по таймеру - чтение кнопки GP0
static uint8_t statButton;

if (GP0) {
     statButton=((statButton<<1)|1)&0x3;
            } else  {
     statButton=((statButton<<1)|0)&0x3;
}
if (statButton == 0b10) {
reqChangeMode=1;
}



// в main-e
if  (reqChangeMode) {
reqChangeMode=0;
countMode=(countMode+1)&0x3;
switch (countMode)
       case  0: настраиваем режим 0
       case  1: настраиваем режим 1
       case  2: настраиваем режим 2
       case  3: настраиваем режим 3
}


Вернуться наверх
 
Не в сети
 Заголовок сообщения: Re: Плафон освещения кабины на pic12f615
СообщениеДобавлено: Пн июл 22, 2019 07:40:35 
Открыл глаза

Зарегистрирован: Вт авг 07, 2018 09:44:46
Сообщений: 66
Рейтинг сообщения: 0
КРАМ, в итоге теперь мигает всегда при не включенной кнопке, можете глянуть, что не так?
Код:
#include <stdio.h>
#include <stdlib.h>
#include <xc.h>

#pragma config FOSC = INTOSCCLK
#pragma config IOSCFS = 4MHZ    // Internal Oscillator Frequency Select bit (8 MHz)
#define _XTAL_FREQ 16000000      // Declare crystal frequency to be 8MHZ (for delay functions)

int statButton = 0b11;
int countMode = 0;
int reqChangeMode = 0;
unsigned char ncnt = 0;

void InitTimer2(void)
{   
  TOUTPS3 = 1; //Prescaler Out 10
  TOUTPS2 = 0;
  TOUTPS1 = 0;
  TOUTPS0 = 1;
  T2CKPS0 = 1;//Postcaler In 16
  T2CKPS1 = 1;
  PR2 = 0xFF; //TIMER2 Period 255
  TMR2IE = 1;
  TMR2ON = 1;
}

void interrupt isr(void)
{
  if(TMR2IE&&TMR2IF)
  {
    TMR2IF = 0;
    ncnt++;
    if(ncnt > 25)
    {
      ncnt = 0;
    }
  }
  if (GP0)
  {
    statButton = ((statButton<<1)|1)&0x3;
    } else
    {
    statButton = ((statButton<<1)|0)&0x3;
    }
    if (statButton == 0b10)
    {
    countMode = (countMode+1)&0x3;
    reqChangeMode = 1;
    }
}

unsigned char CheckButton(void)

{
  unsigned char result = 0;
  unsigned int butcount = 0;
  while(GP0)
  {
    if(butcount < 10000)
    {
      butcount++;
    }
    else
    {
      result = 1;
      break;
    }
  }
  return result;
}

int main(int argc, char** argv) {

{   
   ANSEL  = 0x00;       // Set ports as digital I/O, not analog input
   ADCON0 = 0x00;       // Shut off the A/D Converter
   TRISIO0 = 1;       // GP3 input, rest all output
    TRISIO2 = 0;
   GPIO   = 0x00;       // Make all pins 0
    CCP1IE = 1;
    CCP1CON = 0x0F; //PWM mode CCP
    InitTimer2();
   while(1)
   {
        if (CheckButton())
        {
        }
    if (reqChangeMode) {
    reqChangeMode = 0;
    switch (countMode) {
    case 0:
    {
        T2CON = 0b00000111;
        CCPR1L = 0b00101001;
        CCP1CON = 0b00101100;
    }
    case 1:
    {
       T2CON = 0b00000111;
       CCPR1L = 0b01010011;
       CCP1CON = 0b00011100;
    }
    case 2:
    {
        T2CON = 0b00000111;
        CCPR1L = 0b01111100;
        CCP1CON = 0b00111100;
    }
    case 3:
    {
        T2CON = 0b00000111;
        CCPR1L = 0b00000000;
        CCP1CON = 0b00001100;
    }       
    }   
    }
}
}
}


Вернуться наверх
 
Не в сети
 Заголовок сообщения: Re: Плафон освещения кабины на pic12f615
СообщениеДобавлено: Пн июл 22, 2019 09:07:33 
Друг Кота
Аватар пользователя

Карма: 139
Рейтинг сообщений: 2919
Зарегистрирован: Чт янв 10, 2008 22:01:02
Сообщений: 24672
Откуда: Московская область, Фрязино
Рейтинг сообщения: 0
Какая то каша из того, что предложил я и странного кода...
Объясните к чему в обработчике какой то счетчик и что за CheckButton?
И почему в комментариях упоминается GP3 как пин с кнопкой, а Вы оставили GP0?
Или давайте схему.
Совершенно непонятно какая частота у МК.


Вернуться наверх
 
Не в сети
 Заголовок сообщения: Re: Плафон освещения кабины на pic12f615
СообщениеДобавлено: Пн июл 22, 2019 09:21:41 
Открыл глаза

Зарегистрирован: Вт авг 07, 2018 09:44:46
Сообщений: 66
Рейтинг сообщения: 0
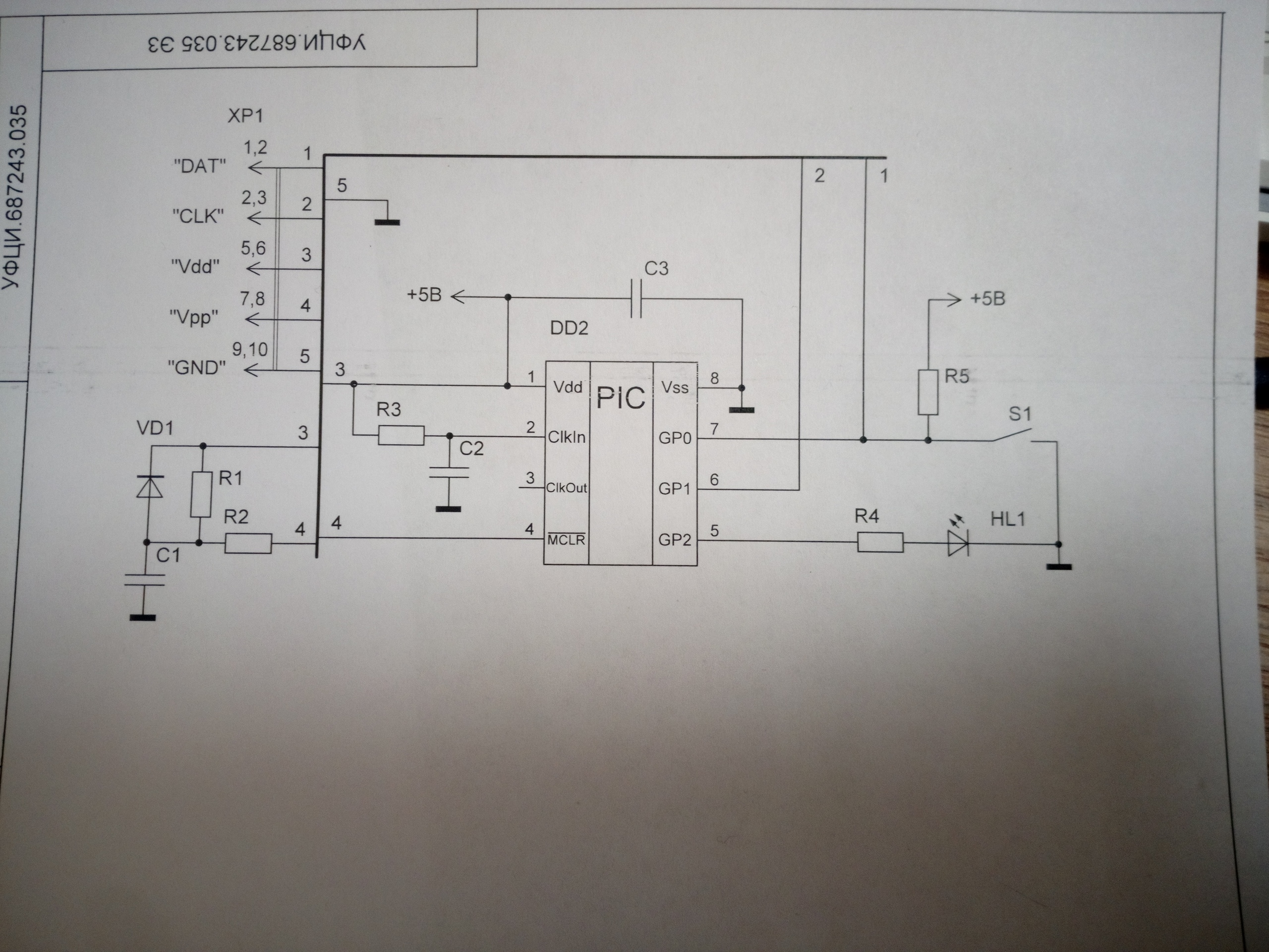
КРАМ, на схеме там GP0 выход, просто не стирала комменты, схему прикрепила, частота мк 4 МГц, внутренний генератор

Добавлено after 1 minute 57 seconds:
https://pp.userapi.com/c855232/v8552327 ... K7bOnw.jpg


Вернуться наверх
 
Не в сети
 Заголовок сообщения: Re: Плафон освещения кабины на pic12f615
СообщениеДобавлено: Пн июл 22, 2019 09:28:13 
Друг Кота
Аватар пользователя

Карма: 139
Рейтинг сообщений: 2919
Зарегистрирован: Чт янв 10, 2008 22:01:02
Сообщений: 24672
Откуда: Московская область, Фрязино
Рейтинг сообщения: 0
В прерывании проверка пина должна находится ВНУТРИ обработчика таймера (T2IE&&T2IF), а не снаружи.
Не надо выносить переменные используемые в прерывании наружу. Достаточно сделать их static.
И уберите из кода все, что не относится к алгоритму.


Вернуться наверх
 
Не в сети
 Заголовок сообщения: Re: Плафон освещения кабины на pic12f615
СообщениеДобавлено: Пн июл 22, 2019 09:38:21 
Открыл глаза

Зарегистрирован: Вт авг 07, 2018 09:44:46
Сообщений: 66
Рейтинг сообщения: 0
КРАМ, так? все равно не идет, от кнопки 0 должен поступать, вроде и поменяла и все равно
Код:
#include <stdio.h>
#include <stdlib.h>
#include <xc.h>

#pragma config FOSC = INTOSCCLK
#pragma config IOSCFS = 4MHZ    // Internal Oscillator Frequency Select bit (8 MHz)
#define _XTAL_FREQ 16000000      // Declare crystal frequency to be 8MHZ (for delay functions)


//unsigned char ncnt = 0;

void InitTimer2(void)
{   
  TOUTPS3 = 1; //Prescaler Out 10
  TOUTPS2 = 0;
  TOUTPS1 = 0;
  TOUTPS0 = 1;
  T2CKPS0 = 1;//Postcaler In 16
  T2CKPS1 = 1;
  PR2 = 0b01111100;
  TMR2IE = 1;
  TMR2ON = 1;
}

void interrupt isr(void)
{
    static int statButton = 0b11;
static int countMode = 0;
static int reqChangeMode = 0;
  if(TMR2IE&&TMR2IF)
  {
    TMR2IF = 0;
    if (GP0)
  {
    statButton = ((statButton << 1)|0)&0x3;
    } else
    {
    statButton = ((statButton << 1)|1)&0x3;
    }
    if (statButton == 0b01)
    {
    countMode = (countMode + 1)&0x3;
    reqChangeMode = 1;
    }
  }
 
}

void setDuty(unsigned int duty) {
    CCPR1L = duty >> 2;
    CCP1CON &= 0xCF;
    CCP1CON |= (0x30 & (duty << 4));
}

int main(int argc, char** argv) {

{   
    static int statButton = 0b11;
static int countMode = 0;
static int reqChangeMode = 0;
   ANSEL  = 0x00;       // Set ports as digital I/O, not analog input
   ADCON0 = 0x00;       // Shut off the A/D Converter
   TRISIO0 = 1;       // GP3 input, rest all output
    TRISIO2 = 0;
   GPIO   = 0x00;       // Make all pins 0
   CCP1IE = 1;
    InitTimer2();
   while(1)
   {
    if (reqChangeMode) {
    reqChangeMode = 0;
    switch (statButton) {
    case 0:
    {
       //setDuty(33.35);
       T2CON = 0b00000111;
       CCPR1L = 0b00101001;
       CCP1CON = 0b00101100;
    }
    case 1:
    {
        //setDuty(66.65);
       T2CON = 0b00000111;
       CCPR1L = 0b01010011;
       CCP1CON = 0b00011100;
    }
    case 2:
    {
        //setDuty(100);
        T2CON = 0b00000111;
        CCPR1L = 0b01111100;
        CCP1CON = 0b00111100;
    }
    case 3:
    {
        //setDuty(0);
        T2CON = 0b00000111;
        CCPR1L = 0b00000000;
        CCP1CON = 0b00001100;
    }       
    }   
    }
}
}
}


Вернуться наверх
 
Не в сети
 Заголовок сообщения: Re: Плафон освещения кабины на pic12f615
СообщениеДобавлено: Пн июл 22, 2019 09:56:08 
Друг Кота
Аватар пользователя

Карма: 139
Рейтинг сообщений: 2919
Зарегистрирован: Чт янв 10, 2008 22:01:02
Сообщений: 24672
Откуда: Московская область, Фрязино
Рейтинг сообщения: 3
Внимательно посмотрите что было в моем коде static. И static не инициализируют, иначе в нем нет никакого смысла.
static - это локальная переменная не изменяющая своего значения между выходом и следующим входом в функцию.
Только statButton локальная статик переменная. Остальные - глобальные.
И не нужно их делать 16 разрядными. Все переменные алгоритма unsigned char или uint8_t

Добавлено after 6 minutes 3 seconds:
ЗЫ. Кстати, а Вы работаете в железе или в симуляторе?


Вернуться наверх
 
Не в сети
 Заголовок сообщения: Re: Плафон освещения кабины на pic12f615
СообщениеДобавлено: Пн июл 22, 2019 09:56:57 
Открыл глаза

Зарегистрирован: Вт авг 07, 2018 09:44:46
Сообщений: 66
Рейтинг сообщения: 0
КРАМ, а можно уже сразу на коде показать? ибо и так не идет
Код:
#include <stdio.h>
#include <stdlib.h>
#include <xc.h>
#include <stdint.h>

#pragma config FOSC = INTOSCCLK
#pragma config IOSCFS = 4MHZ    // Internal Oscillator Frequency Select bit (8 MHz)
#define _XTAL_FREQ 16000000      // Declare crystal frequency to be 8MHZ (for delay functions)

uint8_t countMode=0;
uint8_t reqChangeMode=0;

void InitTimer2(void)
{   
  TOUTPS3 = 1; //Prescaler Out 10
  TOUTPS2 = 0;
  TOUTPS1 = 0;
  TOUTPS0 = 1;
  T2CKPS0 = 1;//Postcaler In 16
  T2CKPS1 = 1;
  PR2 = 0b01111100;
  TMR2IE = 1;
  TMR2ON = 1;
}

void interrupt isr(void)
{
uint8_t statButton=0b11; 
  if(TMR2IE&&TMR2IF)
  {
    if (GP0)
  {
    statButton = ((statButton << 1)|0)&0x3;
    } else
    {
    statButton = ((statButton << 1)|1)&0x3;
    }
    if (statButton == 0b01)
    {
    countMode = (countMode + 1)&0x3;
    reqChangeMode = 1;
    }
    TMR2IF = 0;
  }
}

int main(int argc, char** argv) {

{   
uint8_t statButton=0b11;
   ANSEL  = 0x00;       // Set ports as digital I/O, not analog input
   ADCON0 = 0x00;       // Shut off the A/D Converter
   TRISIO0 = 1;       // GP3 input, rest all output
    TRISIO2 = 0;
   GPIO = 0x00;       // Make all pins 0
    CCP1IE = 1;
    InitTimer2();
   while(1)
   {
    if (reqChangeMode) {
    reqChangeMode = 0;
    switch (statButton) {
    case 0:
    {
       T2CON = 0b00000111;
       CCPR1L = 0b00101001;
       CCP1CON = 0b00101100;
    }
    case 1:
    {
       T2CON = 0b00000111;
       CCPR1L = 0b01010011;
       CCP1CON = 0b00011100;
    }
    case 2:
    {
        T2CON = 0b00000111;
        CCPR1L = 0b01111100;
        CCP1CON = 0b00111100;
    }
    case 3:
    {
        T2CON = 0b00000111;
        CCPR1L = 0b00000000;
        CCP1CON = 0b00001100;
    }       
    }   
    }
}
}
}


Вернуться наверх
 
Не в сети
 Заголовок сообщения: Re: Плафон освещения кабины на pic12f615
СообщениеДобавлено: Пн июл 22, 2019 10:10:26 
Друг Кота
Аватар пользователя

Карма: 41
Рейтинг сообщений: 2990
Зарегистрирован: Пн июл 23, 2018 10:36:20
Сообщений: 3489
Откуда: Казань
Рейтинг сообщения: 0
Bondosha, в MPLAB имеется стимулятор. вы бы там попробовали свой код.

_________________
ZZZ С Нами Бог ZZZ


Вернуться наверх
 
Не в сети
 Заголовок сообщения: Re: Плафон освещения кабины на pic12f615
СообщениеДобавлено: Пн июл 22, 2019 10:25:00 
Друг Кота
Аватар пользователя

Карма: 139
Рейтинг сообщений: 2919
Зарегистрирован: Чт янв 10, 2008 22:01:02
Сообщений: 24672
Откуда: Московская область, Фрязино
Рейтинг сообщения: 0
Цитата:
#include <stdio.h>
#include <stdlib.h>
#include <xc.h>
#include <stdint.h>

#pragma config FOSC = INTOSCCLK
#pragma config IOSCFS = 4MHZ // Internal Oscillator Frequency Select bit (8 MHz)
#define _XTAL_FREQ 16000000 // Declare crystal frequency to be 8MHZ (for delay functions)

uint8_t countMode=0;
uint8_t reqChangeMode=0;

void InitTimer2(void)
{
TOUTPS3 = 1; //Prescaler Out 10
TOUTPS2 = 0;
TOUTPS1 = 0;
TOUTPS0 = 1;
T2CKPS0 = 1;//Postcaler In 16
T2CKPS1 = 1;
PR2 = 0b01111100;
TMR2IE = 1;
TMR2ON = 1;
}

void interrupt isr(void)
{
static uint8_t statButton=0b11;
if(TMR2IE&&TMR2IF)
{
if (GP0)
{
statButton = ((statButton << 1)|0)&0x3;
} else
{
statButton = ((statButton << 1)|1)&0x3;
}
if (statButton == 0b01)
{
countMode = (countMode + 1)&0x3;
reqChangeMode = 1;
}
TMR2IF = 0;
}
}

int main(int argc, char** argv) {

{
uint8_t statButton=0b11;
ANSEL = 0x00; // Set ports as digital I/O, not analog input
ADCON0 = 0x00; // Shut off the A/D Converter
TRISIO0 = 1; // GP3 input, rest all output
TRISIO2 = 0;
GPIO = 0x00; // Make all pins 0
CCP1IE = 1;
InitTimer2();
while(1)
{
if (reqChangeMode) {
reqChangeMode = 0;
switch (statMode) {
case 0:
{
T2CON = 0b00000111; // общая часть - вынести в инициализацию
CCPR1L = 0b00101001;
CCP1CON = 0b00101100;
}
case 1:
{
T2CON = 0b00000111;
CCPR1L = 0b01010011;
CCP1CON = 0b00011100;
}
case 2:
{
T2CON = 0b00000111;
CCPR1L = 0b01111100;
CCP1CON = 0b00111100;
}
case 3:
{
T2CON = 0b00000111;
CCPR1L = 0b00000000;
CCP1CON = 0b00001100;
}
}
}
}
}
}


Вернуться наверх
 
Не в сети
 Заголовок сообщения: Re: Плафон освещения кабины на pic12f615
СообщениеДобавлено: Пн июл 22, 2019 10:44:20 
Открыл глаза

Зарегистрирован: Вт авг 07, 2018 09:44:46
Сообщений: 66
Рейтинг сообщения: 0
КРАМ, даже так не хочет, никак не реагирует на кнопку


Вернуться наверх
 
Не в сети
 Заголовок сообщения: Re: Плафон освещения кабины на pic12f615
СообщениеДобавлено: Пн июл 22, 2019 11:08:33 
Друг Кота
Аватар пользователя

Карма: 139
Рейтинг сообщений: 2919
Зарегистрирован: Чт янв 10, 2008 22:01:02
Сообщений: 24672
Откуда: Московская область, Фрязино
Рейтинг сообщения: 0
У Вас глобальные и периферийные прерывания были запрещены, а прерывания от ЩИМа зачем то разрешены. Добавил исправления

Цитата:
#include <stdio.h>
#include <stdlib.h>
#include <xc.h>
#include <stdint.h>

#pragma config FOSC = INTOSCCLK
#pragma config IOSCFS = 4MHZ // Internal Oscillator Frequency Select bit (8 MHz)
#define _XTAL_FREQ 16000000 // Declare crystal frequency to be 8MHZ (for delay functions)

uint8_t countMode=0;
uint8_t reqChangeMode=0;

void InitTimer2(void)
{
TOUTPS3 = 1; //Prescaler Out 10
TOUTPS2 = 0;
TOUTPS1 = 0;
TOUTPS0 = 1;
T2CKPS0 = 1;//Postcaler In 16
T2CKPS1 = 1;
PR2 = 0b01111100;
TMR2IE = 1;
TMR2ON = 1;
}

void interrupt isr(void)
{
static uint8_t statButton=0b11;
if(TMR2IE&&TMR2IF)
{
if (GP0)
{
statButton = ((statButton << 1)|0)&0x3;
} else
{
statButton = ((statButton << 1)|1)&0x3;
}
if (statButton == 0b01)
{
countMode = (countMode + 1)&0x3;
reqChangeMode = 1;
}
TMR2IF = 0;
}
}

int main(int argc, char** argv) {

{
uint8_t statButton=0b11;
ANSEL = 0x00; // Set ports as digital I/O, not analog input
ADCON0 = 0x00; // Shut off the A/D Converter
TRISIO0 = 1; // GP3 input, rest all output
TRISIO2 = 0;
GPIO = 0x00; // Make all pins 0
CCP1IE = 1;
InitTimer2();
PEIE=1;
GIE=1;

while(1)
{
if (reqChangeMode) {
reqChangeMode = 0;
switch (statMode) {
case 0:
{
T2CON = 0b00000111; // общая часть - вынести в инициализацию
CCPR1L = 0b00101001;
CCP1CON = 0b00101100;
}
case 1:
{
T2CON = 0b00000111;
CCPR1L = 0b01010011;
CCP1CON = 0b00011100;
}
case 2:
{
T2CON = 0b00000111;
CCPR1L = 0b01111100;
CCP1CON = 0b00111100;
}
case 3:
{
T2CON = 0b00000111;
CCPR1L = 0b00000000;
CCP1CON = 0b00001100;
}
}
}
}
}
}


Вернуться наверх
 
Не в сети
 Заголовок сообщения: Re: Плафон освещения кабины на pic12f615
СообщениеДобавлено: Пн июл 22, 2019 11:13:00 
Открыл глаза

Зарегистрирован: Вт авг 07, 2018 09:44:46
Сообщений: 66
Рейтинг сообщения: 0
КРАМ, все то же самое


Вернуться наверх
 
Не в сети
 Заголовок сообщения: Re: Плафон освещения кабины на pic12f615
СообщениеДобавлено: Пн июл 22, 2019 11:22:22 
Друг Кота
Аватар пользователя

Карма: 139
Рейтинг сообщений: 2919
Зарегистрирован: Чт янв 10, 2008 22:01:02
Сообщений: 24672
Откуда: Московская область, Фрязино
Рейтинг сообщения: 0
давайте Ваш текущий код


Вернуться наверх
 
Показать сообщения за:  Сортировать по:  Вернуться наверх
Начать новую тему Ответить на тему  [ Сообщений: 25 ]  1,  

Часовой пояс: UTC + 3 часа


Кто сейчас на форуме

Сейчас этот форум просматривают: нет зарегистрированных пользователей и гости: 9


Вы не можете начинать темы
Вы не можете отвечать на сообщения
Вы не можете редактировать свои сообщения
Вы не можете удалять свои сообщения
Вы не можете добавлять вложения

Найти:
Перейти:  


Powered by phpBB © 2000, 2002, 2005, 2007 phpBB Group
Русская поддержка phpBB
Extended by Karma MOD © 2007—2012 m157y
Extended by Topic Tags MOD © 2012 m157y