Например TDA7294

Форум РадиоКот • Просмотр темы - Часы на PIC16F628 + DS3231
Форум РадиоКот
Здесь можно немножко помяукать :)

Текущее время: Пт дек 19, 2025 17:29:36

Часовой пояс: UTC + 3 часа


ПРЯМО СЕЙЧАС:



Начать новую тему Ответить на тему  [ Сообщений: 109 ]  1, , , , ,  
Автор Сообщение
Не в сети
 Заголовок сообщения: Часы на PIC16F628 + DS3231
СообщениеДобавлено: Вт фев 09, 2021 16:14:30 
Друг Кота
Аватар пользователя

Карма: 142
Рейтинг сообщений: 5961
Зарегистрирован: Чт авг 09, 2012 01:09:39
Сообщений: 6642
Откуда: Ливны
Рейтинг сообщения: 0
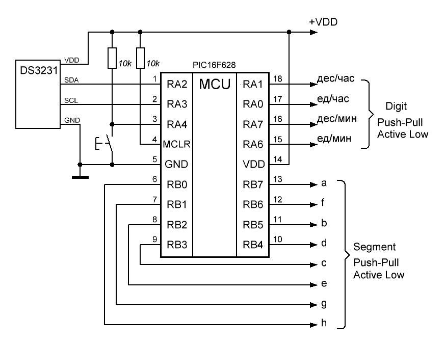
Доброго дня уважаемые форумчане!
В очередной раз потребовалась помощь с написанием программы (если точнее - готовая программа). :oops: :oops: :oops:

Задача - считывать текущее время из DS3231 с помощью PIC16F628 и выводить на индикатор методом динамической индикации. Да, всё верно - банальные часы. :))) Более никакого функционала не нужно, (даже установка/коррекция текущего времени не нужна) за исключением одного единственного - переключение в режим отображения текущих минут и секунд, т.е. из органов управления единственная кнопка с единственной функцией переключения режима отображения час:мин / мин:сек.
Индикация динамическая четырёхразрядная семисегментная, частота индикации 128Гц., скважность 32/7 (как у К176ИЕ18 :) ).
Ну вот пожалуй и всё. :)

Примерно желаемая схема: :roll:

СпойлерИзображение


Если найдутся желающие помочь - заранее благодарен. :beer:


Вложения:
DS3231+PIC16F628.JPG [70.69 KiB]
Скачиваний: 684

_________________
Большой опыт, порой, не даёт находить/видеть нам простые и очевидные решения. :(
Всегда с уважением, Александр.


Последний раз редактировалось korob Вт фев 09, 2021 19:07:01, всего редактировалось 1 раз.
Вернуться наверх
 
Не в сети
 Заголовок сообщения: Re: Часы на PIC16F628 + DS3231
СообщениеДобавлено: Вт фев 09, 2021 18:11:33 
Друг Кота

Карма: 27
Рейтинг сообщений: 1283
Зарегистрирован: Ср фев 11, 2009 20:35:58
Сообщений: 7853
Рейтинг сообщения: 0
Вроде не новичок, а пишешь загадками. Что значит помочь? Вот полезные ссылки.
https://radiolaba.ru/microcotrollers/ds ... emeni.html
https://radiolaba.ru/microcotrollers/la ... dulem.html


Вернуться наверх
 
Не в сети
 Заголовок сообщения: Re: Часы на PIC16F628 + DS3231
СообщениеДобавлено: Вт фев 09, 2021 18:13:52 
Друг Кота
Аватар пользователя

Карма: 142
Рейтинг сообщений: 5961
Зарегистрирован: Чт авг 09, 2012 01:09:39
Сообщений: 6642
Откуда: Ливны
Рейтинг сообщения: 0
Был я там, не то что нужно. :? :cry:
otest писал(а):
Что значит помочь?
korob писал(а):
если точнее - готовая программа
:oops: :oops: :oops:

_________________
Большой опыт, порой, не даёт находить/видеть нам простые и очевидные решения. :(
Всегда с уважением, Александр.


Вернуться наверх
 
Не в сети
 Заголовок сообщения: Re: Часы на PIC16F628 + DS3231
СообщениеДобавлено: Ср фев 10, 2021 23:09:14 
Друг Кота

Карма: 27
Рейтинг сообщений: 1283
Зарегистрирован: Ср фев 11, 2009 20:35:58
Сообщений: 7853
Рейтинг сообщения: 5
Вот такие есть. Нужны?


Вложения:
RIS.gif [37.08 KiB]
Скачиваний: 369
Вернуться наверх
 
Эиком - электронные компоненты и радиодетали
Не в сети
 Заголовок сообщения: Re: Часы на PIC16F628 + DS3231
СообщениеДобавлено: Ср фев 10, 2021 23:27:00 
Друг Кота
Аватар пользователя

Карма: 142
Рейтинг сообщений: 5961
Зарегистрирован: Чт авг 09, 2012 01:09:39
Сообщений: 6642
Откуда: Ливны
Рейтинг сообщения: 0
Схему узнаю! :) :beer:
Благодарю за проявленный интерес. :beer: Как узнать подробности? :)

_________________
Большой опыт, порой, не даёт находить/видеть нам простые и очевидные решения. :(
Всегда с уважением, Александр.


Вернуться наверх
 
Не в сети
 Заголовок сообщения: Re: Часы на PIC16F628 + DS3231
СообщениеДобавлено: Ср фев 10, 2021 23:35:55 
Друг Кота

Карма: 27
Рейтинг сообщений: 1283
Зарегистрирован: Ср фев 11, 2009 20:35:58
Сообщений: 7853
Рейтинг сообщения: 0
Какие? Схему ты сам выложил. Нужны часы или нашёл?


Вернуться наверх
 
Не в сети
 Заголовок сообщения: Re: Часы на PIC16F628 + DS3231
СообщениеДобавлено: Ср фев 10, 2021 23:44:41 
Друг Кота
Аватар пользователя

Карма: 142
Рейтинг сообщений: 5961
Зарегистрирован: Чт авг 09, 2012 01:09:39
Сообщений: 6642
Откуда: Ливны
Рейтинг сообщения: 0
Естественно нужны. То что по мотивам моей схемы и так понятно. А вот по одной лишь картинке сложно судить то ли мне нужно, или не то. :dont_know: Пару слов как работает программа не помешало бы. :oops:

_________________
Большой опыт, порой, не даёт находить/видеть нам простые и очевидные решения. :(
Всегда с уважением, Александр.


Вернуться наверх
 
Не в сети
 Заголовок сообщения: Re: Часы на PIC16F628 + DS3231
СообщениеДобавлено: Ср фев 10, 2021 23:48:26 
Друг Кота

Карма: 27
Рейтинг сообщений: 1283
Зарегистрирован: Ср фев 11, 2009 20:35:58
Сообщений: 7853
Рейтинг сообщения: 0
Всё в личке.


Вернуться наверх
 
Не в сети
 Заголовок сообщения: Re: Часы на PIC16F628 + DS3231
СообщениеДобавлено: Вс фев 14, 2021 22:30:02 
Друг Кота
Аватар пользователя

Карма: 142
Рейтинг сообщений: 5961
Зарегистрирован: Чт авг 09, 2012 01:09:39
Сообщений: 6642
Откуда: Ливны
Рейтинг сообщения: 0
К сожалению не получилось у ув. otest сделать желаемую динамическую индикацию. :(
Так что всё ещё нуждаюсь в помощи. :oops:

_________________
Большой опыт, порой, не даёт находить/видеть нам простые и очевидные решения. :(
Всегда с уважением, Александр.


Вернуться наверх
 
Не в сети
 Заголовок сообщения: Re: Часы на PIC16F628 + DS3231
СообщениеДобавлено: Вс фев 14, 2021 23:25:46 
Модератор
Аватар пользователя

Карма: 90
Рейтинг сообщений: 1432
Зарегистрирован: Чт мар 18, 2010 23:09:57
Сообщений: 4594
Откуда: Планета Земля
Рейтинг сообщения: 0
Медали: 1
Получил миской по аватаре (1)
К сожалению не получилось у ув. otest сделать желаемую динамическую индикацию.
Что-то с трудом верится :dont_know:


Вернуться наверх
 
Не в сети
 Заголовок сообщения: Re: Часы на PIC16F628 + DS3231
СообщениеДобавлено: Вс фев 14, 2021 23:48:17 
Друг Кота
Аватар пользователя

Карма: 142
Рейтинг сообщений: 5961
Зарегистрирован: Чт авг 09, 2012 01:09:39
Сообщений: 6642
Откуда: Ливны
Рейтинг сообщения: 0
Да вот... :dont_know:
Вариант предложил хороший, всё в принципе устраивает, но вот с индикацией возникла проблема (не получается сделать с желаемыми частотой и скважностью). :roll: :dont_know:

_________________
Большой опыт, порой, не даёт находить/видеть нам простые и очевидные решения. :(
Всегда с уважением, Александр.


Вернуться наверх
 
Не в сети
 Заголовок сообщения: Re: Часы на PIC16F628 + DS3231
СообщениеДобавлено: Вс фев 14, 2021 23:52:23 
Модератор
Аватар пользователя

Карма: 90
Рейтинг сообщений: 1432
Зарегистрирован: Чт мар 18, 2010 23:09:57
Сообщений: 4594
Откуда: Планета Земля
Рейтинг сообщения: 0
Медали: 1
Получил миской по аватаре (1)
Эммм... А для индикации есть разница, какая частота и скважность ? :roll:
Лишь бы мырганье в глаз не било :)))


Вернуться наверх
 
Не в сети
 Заголовок сообщения: Re: Часы на PIC16F628 + DS3231
СообщениеДобавлено: Пн фев 15, 2021 00:17:44 
Друг Кота
Аватар пользователя

Карма: 142
Рейтинг сообщений: 5961
Зарегистрирован: Чт авг 09, 2012 01:09:39
Сообщений: 6642
Откуда: Ливны
Рейтинг сообщения: 0
Вот как раз чтоб не было заметных мерцаний/переливаний должна быть некоторая минимальная частота при заданной скважности.

_________________
Большой опыт, порой, не даёт находить/видеть нам простые и очевидные решения. :(
Всегда с уважением, Александр.


Вернуться наверх
 
Не в сети
 Заголовок сообщения: Re: Часы на PIC16F628 + DS3231
СообщениеДобавлено: Пн фев 15, 2021 08:58:59 
Модератор
Аватар пользователя

Карма: 90
Рейтинг сообщений: 1432
Зарегистрирован: Чт мар 18, 2010 23:09:57
Сообщений: 4594
Откуда: Планета Земля
Рейтинг сообщения: 0
Медали: 1
Получил миской по аватаре (1)
Чтобы не было мерцаний, достаточно частоты выше 25 Гц. При 50-ти их вообще не заметно. Ну 100 можно сделать, картика будет стоять как "вкопанная".
А от скважности будет зависеть яркость, но никак не мерцание.


Вернуться наверх
 
Не в сети
 Заголовок сообщения: Re: Часы на PIC16F628 + DS3231
СообщениеДобавлено: Пн фев 15, 2021 09:57:22 
Друг Кота
Аватар пользователя

Карма: 96
Рейтинг сообщений: 1493
Зарегистрирован: Вт мар 16, 2010 22:02:27
Сообщений: 15301
Откуда: ДОНЕЦК
Рейтинг сообщения: 0
Обычно делается кратно двойке - удобно для загрузки делителей.
Для 4-позиционного светодиодного дисплея достаточно 0,016 (0,004 на каждую позицию).
Это 62,5 Гц. Яркость/стабильность вполне нормальная.
Другое дело когда внешнее искусственное освещение - лампы накаливания, неон или светики...
Там теоретически может иметь место наложение "мерцаний" от светильнка и собственно индикатора.
:roll:
Дополнительно задача сделать обращение к часикам и/или датчику таким образом, чтобы не приостанавливать индикацию.
Чаще всего именно эта "приостановка" и бывает источником "неприятных ощущений".
I2C в принципе допускает приостановку вплоть до полного останова - посему индикатор ставим на прерывания фоном (высший приоритет), а основная программа занимается часейками.
Как вариант - для обмена выделяется "теневой кадр" - развертка не на 4, а на 5 позиций и обмен втискиваем в ту 5-ю позицию.
:roll:
Разве что исходная задачка с "неизвестным фактором" - подгонка под имеющийся нестандартный индикатор.
Тогда возможно параметры развертки будут иметь весьма большое значение.
Но схемка индикатора не представлена и данное условие не оговорено.
Как собственно и необходимость внешнего RTC без настроек параметров.
Для PICовых вполне реально и внутренние часики на Т1 устроить с собственным внешним кварцем...
:dont_know:


Вернуться наверх
 
Не в сети
 Заголовок сообщения: Re: Часы на PIC16F628 + DS3231
СообщениеДобавлено: Пн фев 15, 2021 10:32:12 
Модератор
Аватар пользователя

Карма: 90
Рейтинг сообщений: 1432
Зарегистрирован: Чт мар 18, 2010 23:09:57
Сообщений: 4594
Откуда: Планета Земля
Рейтинг сообщения: 0
Медали: 1
Получил миской по аватаре (1)
Давайте немного прикинем по хотелкам ТСа.
128 Гц на индикатор. Скважность 7/32. 4 индикатора. Получаем тактовую для динамической индикации = 128*4*32 = 32768 Гц. Это получается частота, с которой будет происходить обработка динамической индикации.
Учитывая, что проц будет работать на внутреннем генераторе с частотой 4 Мгц( это 1 us на такт), имеем всего 30 тактов, за которые мы должны уложиться в обработчике прерываний. Это очень мало для обслуживания такой задачи этим процом. Будем практически постоянно висеть в прерывании.
Мало того, ровно 32768 мы получить не сможем. Это нужно ставить кварц какой-нибудь специфической частоты :roll:

PS: По-этому и вопрос - для чего такая бешеная частота и своеобразная скважность ? :roll:


Вернуться наверх
 
Не в сети
 Заголовок сообщения: Re: Часы на PIC16F628 + DS3231
СообщениеДобавлено: Пн фев 15, 2021 10:50:00 
Друг Кота
Аватар пользователя

Карма: 142
Рейтинг сообщений: 5961
Зарегистрирован: Чт авг 09, 2012 01:09:39
Сообщений: 6642
Откуда: Ливны
Рейтинг сообщения: 0
Аlex писал(а):
Получаем тактовую для динамической индикации = 128*4*32 = 32768 Гц.
Что-то много. :roll: На 4 зачем умножать, там же просто сдвигаем фазу в каждом разряде. Я насчитал всего 4096Гц.
Аlex писал(а):
для чего такая бешеная частота и своеобразная скважность ?
На самом деле не такая уж и бешенная, я бы сказал стандартная (бешенная это под 1кГц.). Ну а скважность - классика от К176ИЕ18. :)
Изображение

_________________
Большой опыт, порой, не даёт находить/видеть нам простые и очевидные решения. :(
Всегда с уважением, Александр.


Вернуться наверх
 
Не в сети
 Заголовок сообщения: Re: Часы на PIC16F628 + DS3231
СообщениеДобавлено: Пн фев 15, 2021 10:50:58 
Друг Кота

Карма: 64
Рейтинг сообщений: 1020
Зарегистрирован: Пт мар 07, 2008 06:54:43
Сообщений: 4369
Откуда: Ижевск
Рейтинг сообщения: 0
BOB51 писал(а):
...вполне реально и внутренние часики на Т1 устроить с собственным внешним кварцем...
:) Золотые слова. И DS не нужен, т.к. прога обслуживания оного займет столько же, сколько прога собственно часов.


Вернуться наверх
 
Не в сети
 Заголовок сообщения: Re: Часы на PIC16F628 + DS3231
СообщениеДобавлено: Пн фев 15, 2021 11:13:24 
Модератор
Аватар пользователя

Карма: 90
Рейтинг сообщений: 1432
Зарегистрирован: Чт мар 18, 2010 23:09:57
Сообщений: 4594
Откуда: Планета Земля
Рейтинг сообщения: 0
Медали: 1
Получил миской по аватаре (1)
На 4 зачем умножать
Если не умножать и тактировать всю индикацию с частотой 128 Гц, то на каждый индикатор получим 32 Гц :)
Для того, чтобы была частота 128Гц, переключать индикаторы нужно с частотой, выше в "кол-во индикаторов" раз. В данном случае = 512 Гц.

Добавлено after 8 minutes 7 seconds:
Да, я немного обсчитался :oops:
Получается 16 Кгц, а не 32 :oops:


Вернуться наверх
 
Не в сети
 Заголовок сообщения: Re: Часы на PIC16F628 + DS3231
СообщениеДобавлено: Пн фев 15, 2021 11:23:03 
Друг Кота
Аватар пользователя

Карма: 142
Рейтинг сообщений: 5961
Зарегистрирован: Чт авг 09, 2012 01:09:39
Сообщений: 6642
Откуда: Ливны
Рейтинг сообщения: 0
Всё равно неверно. :(
Делим период индикации на 32. Из них 7 тактов на один разряд, один такт защитный, потом 7 тактов второй разряд плюс один защитный и т.д. И того получается 32 такта на все четыре разряда с защитными интервалами (отсюда и своеобразная скважность 32/7). :) При частоте индикации 128Гц. получаем тактовую 128х32 = 4096Гц. :)
Собственно упомянутая К176ИЕ18 именно так и делает, делит 4096Гц. на четыре сдвинутых на 90° тактовых сигнала по 128Гц. скважностью 32/7.

_________________
Большой опыт, порой, не даёт находить/видеть нам простые и очевидные решения. :(
Всегда с уважением, Александр.


Вернуться наверх
 
Показать сообщения за:  Сортировать по:  Вернуться наверх
Начать новую тему Ответить на тему  [ Сообщений: 109 ]  1, , , , ,  

Часовой пояс: UTC + 3 часа


Кто сейчас на форуме

Сейчас этот форум просматривают: нет зарегистрированных пользователей и гости: 10


Вы не можете начинать темы
Вы не можете отвечать на сообщения
Вы не можете редактировать свои сообщения
Вы не можете удалять свои сообщения
Вы не можете добавлять вложения

Найти:
Перейти:  


Powered by phpBB © 2000, 2002, 2005, 2007 phpBB Group
Русская поддержка phpBB
Extended by Karma MOD © 2007—2012 m157y
Extended by Topic Tags MOD © 2012 m157y