Например TDA7294

Форум РадиоКот • Просмотр темы - PICKit 2 VDD Voltage level error
Форум РадиоКот
Здесь можно немножко помяукать :)

Текущее время: Пн дек 22, 2025 13:44:18

Часовой пояс: UTC + 3 часа


ПРЯМО СЕЙЧАС:



Начать новую тему Ответить на тему  [ Сообщений: 100 ]  1, , , ,  
Автор Сообщение
Не в сети
 Заголовок сообщения: PICKit 2 VDD Voltage level error
СообщениеДобавлено: Вт сен 28, 2010 08:15:36 
Родился

Зарегистрирован: Вт июн 01, 2010 08:35:31
Сообщений: 8
Рейтинг сообщения: 0
Добрый день, Друзья. Очень надеюсь на вашу помощь, т.к. свой мозг я уже высушил.
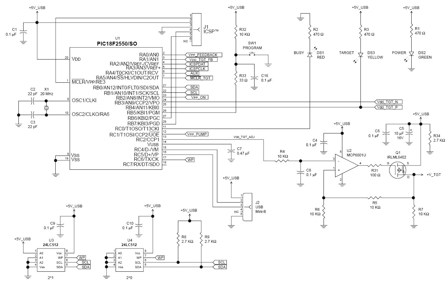
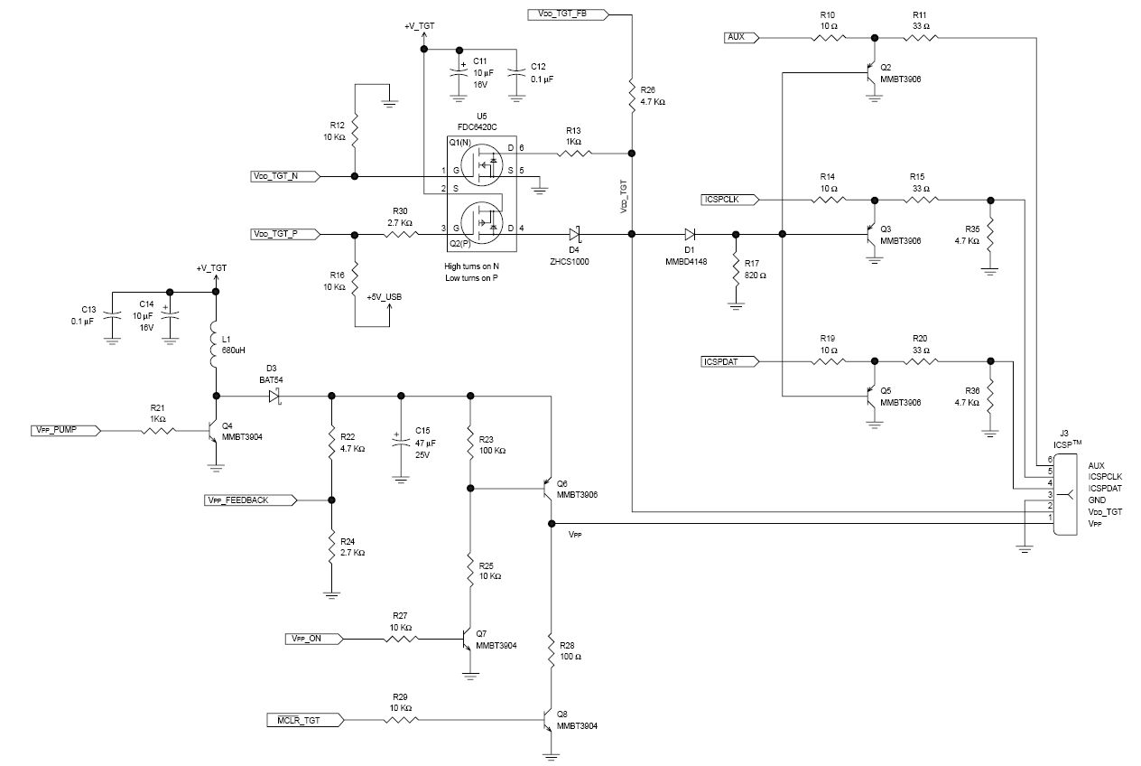
Собрал сей чудо-программатор по схеме с официального сайта (Shema_PICkit2_1.jpg + Shema_PICkit2_2.jpg). Все картинки и скриншоты во вложении.
При запуске PICKit 2 Programmer выскакивает ошибка VDD Voltage level error. (problem_pic1.gif) Целевое программируемое устройство не подключено.(на самом деле без разницы, ведь даже если подключить программируемый МК ничего не изменится, будет та же ошибка)
problem_pic2.gif => программатор определился и подключён.
Далее я залез в Troubleshooting и problem_pic3.gif - тест VDD пройден, но ПРИМЕЧАНИЕ: медленное время роста может служить причиной ошибок.
Далее, с первого раза тест VPP не проходит, а говорит о коротком замыкании в цепи VDD problem_pic4.gif. Если ещё раз нажать на кнопку Test VPP, то тест проходит (все остальные разы без проблем проходит) problem_pic5.gif.
/MCLR On - замер тестером даёт 0 В.
/MCLR Off - замер тестером даёт 1,9 В. problem_pic6 (Vtri-state=1,9 V).gif
Step 3: Verify PGC + PGD problem_pic7.gif мерил тестером всё в норме.
Подключал PIC18F2550 без обвязки к программатору, т.е. шесть проводков (две земли Vss, питание Vdd, Vpp или /MCLR, PGC и PGD) => устройство не видит, не читает, не определяет.
В схеме менял R30 и R31 на 0 Ом => не помогло (без изменений ведёт себя программатор). По цепи +V_TGT стоят один электролит 10 uF и две керамики по 150 nF (после дросселя 680 uH электролит 47 uF). Выкусывал электролит 10 uF => не помогло.
Подскажите, пожалуйста, где мне искать проблему.


Вложения:
problem_pic5.gif [23.1 KiB]
Скачиваний: 3256
problem_pic4.gif [23.39 KiB]
Скачиваний: 2038
problem_pic3.gif [24.52 KiB]
Скачиваний: 1811
problem_pic2.gif [66.31 KiB]
Скачиваний: 1674
problem_pic1.gif [5.42 KiB]
Скачиваний: 1974
Вернуться наверх
 
Не в сети
 Заголовок сообщения: Re: PICKit 2 VDD Voltage level error
СообщениеДобавлено: Вт сен 28, 2010 08:17:51 
Родился

Зарегистрирован: Вт июн 01, 2010 08:35:31
Сообщений: 8
Рейтинг сообщения: 0
***Остальные файлы.


Вложения:
Shema_PICkit2_2.jpg [64.75 KiB]
Скачиваний: 2897
Shema_PICkit2_1.jpg [133.94 KiB]
Скачиваний: 2099
problem_pic7.gif [29 KiB]
Скачиваний: 1675
problem_pic6 (Vtri-state=1,9 V).gif [23.81 KiB]
Скачиваний: 2002
Вернуться наверх
 
Не в сети
 Заголовок сообщения: Re: PICKit 2 VDD Voltage level error
СообщениеДобавлено: Вт сен 28, 2010 08:46:08 
Собутыльник Кота
Аватар пользователя

Карма: -22
Рейтинг сообщений: -63
Зарегистрирован: Вт сен 14, 2010 10:27:19
Сообщений: 2584
Рейтинг сообщения: 0
возможно замыкания в резисторе 2,7 ком с вдд на МК и в цепи делителя 4,7 2,7 ком либо шотки фигня - советую bat54c оба диода параллельно.

крупное фото платы.

_________________
Будете проходить мимо- проходите!


Вернуться наверх
 
Не в сети
 Заголовок сообщения: Re: PICKit 2 VDD Voltage level error
СообщениеДобавлено: Вт сен 28, 2010 10:48:23 
Родился

Зарегистрирован: Вт июн 01, 2010 08:35:31
Сообщений: 8
Рейтинг сообщения: 0
R32 (2.7 kOmhs) стоит 4.7, мерил тестером между Vdd и землёй ~4.6 kOmhs.
Вместо BAT54 стоит 1N5818 мультиметр показывает падение 0,2 В.
Какое должно быть напряжение при /MCLR Off (между VPP и землёй)? У меня Vtri-state=1,9 V.
Крупное фото платы не выкладываю, т.к. вам будет тяжело разобраться из-за пайки в условиях экономии места и соединения объёмными проводниками. Всю схему я проверял мультиметром, всё тип-топ (как в оригинальной электрической схеме).


Вернуться наверх
 
Эиком - электронные компоненты и радиодетали
Не в сети
 Заголовок сообщения: Re: PICKit 2 VDD Voltage level error
СообщениеДобавлено: Вт сен 28, 2010 10:58:50 
Собутыльник Кота
Аватар пользователя

Карма: -22
Рейтинг сообщений: -63
Зарегистрирован: Вт сен 14, 2010 10:27:19
Сообщений: 2584
Рейтинг сообщения: 0
Я ошибся, надо провериь на замыкание резистор 2,7 ком от 7 ноги на базу ключа npn

_________________
Будете проходить мимо- проходите!


Вернуться наверх
 
Не в сети
 Заголовок сообщения: Re: PICKit 2 VDD Voltage level error
СообщениеДобавлено: Вт сен 28, 2010 11:47:52 
Родился

Зарегистрирован: Вт июн 01, 2010 08:35:31
Сообщений: 8
Рейтинг сообщения: 0
С 7-ой ноги это /MCLR_TGT через 10 КОм соединяется с базой npn транзистора Q8. В Troubleshooting где VPP Verify кнопка /MCLR On подтягивает через R28 (100 Ом) VPP на землю, я это тестером смотрел, всё норм.
Не понятно, почему при нажатии на /MCLR Off - замер тестером даёт 1,9 В. problem_pic6 (Vtri-state=1,9 V).gif Хотя там написано If /MCLR has a pull-up, it should be at the pull-up voltage. Т.е. хотя бы напряжение питания VDD_TGT (~5 V). Или я не правильно рассуждаю и это, на самом деле, вторая проблема. НО для выяснения, необходимо, чтобы кто-нибудь проверил напряжение, выдаваемое своим рабочим PICKit 2.


Вернуться наверх
 
Не в сети
 Заголовок сообщения: Re: PICKit 2 VDD Voltage level error
СообщениеДобавлено: Вт сен 28, 2010 18:04:19 
Друг Кота
Аватар пользователя

Карма: 30
Рейтинг сообщений: 156
Зарегистрирован: Пн июл 28, 2008 22:12:01
Сообщений: 3604
Рейтинг сообщения: 0
Ты хоть фотки собранной платы и печатку выложи что ли .
IMHO где то сопля.
Мной собрано не один десяток , проблем НЕ ВОЗНИКАЛО .
http://kazus.ru/forums/showthread.php?t ... ht=pickit2


Вернуться наверх
 
Не в сети
 Заголовок сообщения: Re: PICKit 2 VDD Voltage level error
СообщениеДобавлено: Вт сен 28, 2010 19:31:53 
Держит паяльник хвостом

Карма: 6
Рейтинг сообщений: 61
Зарегистрирован: Вт сен 07, 2010 19:27:48
Сообщений: 927
Откуда: Ташкент
Рейтинг сообщения: 0
Уважаемый andriks !
Может быть это Вам чем нибудь поможет. Схема PICkit2, нарисованная "одним куском" в прог-
рамме SPlan7.


Вложения:
PICkit2_spl.rar [13.55 KiB]
Скачиваний: 1483
PICkit2_spl.rar [13.55 KiB]
Скачиваний: 1013
Вернуться наверх
 
Не в сети
 Заголовок сообщения: Re: PICKit 2 VDD Voltage level error
СообщениеДобавлено: Пт окт 08, 2010 08:29:07 
Родился

Зарегистрирован: Вт июн 01, 2010 08:35:31
Сообщений: 8
Рейтинг сообщения: 0
Проблема с VDD Voltage level error решилась путём впайки другого P-канального МОП тнанзистора обогащённого типа Q1 (один из пары транзисторов IRF7307(cmd)) с пороговым напряжением затвора (Gate Threshold Voltage) (Vпор.сред=-0.7В), а стоял с пороговым напряжением, лежащем в диапазоне (-2В;-4В) => Vпор.сред=-3.0В + ко всему входная ёмкость такого транзистора была огромна (IRFD9210). Ни о каком быстродействии здесь говорить не стоит (см. примечание problem_pic3.gif).
Теперь всё GOOD. (см. вложения pickit_2_resolved_problem_pic1.jpg + pickit_2_resolved_problem_pic2.jpg)
На всякий случай прикреплю здесь список элементов, которые я ставил взамен указанным на официальных схемах (Shema_PICkit2_1.jpg + Shema_PICkit2_2.jpg) (PICKIT 2 Component replacement(doc).rar).
Всем желаю удачи в сборке!


Вложения:
pickit_2_resolved_problem_pic2.jpg [166.27 KiB]
Скачиваний: 2114
pickit_2_resolved_problem_pic1.jpg [171.24 KiB]
Скачиваний: 1825
PICKIT 2 Component replacement(doc).rar [6.44 KiB]
Скачиваний: 1404
Вернуться наверх
 
Не в сети
 Заголовок сообщения: Re: PICKit 2 VDD Voltage level error
СообщениеДобавлено: Пт окт 08, 2010 11:38:20 
Собутыльник Кота
Аватар пользователя

Карма: -22
Рейтинг сообщений: -63
Зарегистрирован: Вт сен 14, 2010 10:27:19
Сообщений: 2584
Рейтинг сообщения: 0
рекомендую irlml6402 и 2n7002

_________________
Будете проходить мимо- проходите!


Вернуться наверх
 
 Заголовок сообщения: Re: PICKit 2 VDD Voltage level error
СообщениеДобавлено: Чт дек 23, 2010 19:53:40 
А у меня другая проблема, с Vpp. Выдаёт на выходе выпрямителя от силы 5,64 В (На выходе ICSP всего 1 с копейками Вольт). Дроссель? Просто другого дросселя нету - проверить нечем.
Кстати, MCP6001 и MCP6001U отличаются по распиновке - это была моя первая проблема. Может кому пригодится.


Вернуться наверх
   
 
Не в сети
 Заголовок сообщения: Re: PICKit 2 VDD Voltage level error
СообщениеДобавлено: Пт дек 24, 2010 19:13:39 
Держит паяльник хвостом

Карма: 6
Рейтинг сообщений: 61
Зарегистрирован: Вт сен 07, 2010 19:27:48
Сообщений: 927
Откуда: Ташкент
Рейтинг сообщения: 0
Индуктивность дросселя должна быть не менее 330 микрогенри.


Вернуться наверх
 
 Заголовок сообщения: Re: PICKit 2 VDD Voltage level error
СообщениеДобавлено: Пт дек 24, 2010 19:21:37 
Спасибо. Если верить chip-nn, у которого я их заказывал - индуктивность 560 uH.
Может я спалил порт PIC'а? Но тогда откуда 5,64 Вольт?


Вернуться наверх
   
 
 Заголовок сообщения: Re: PICKit 2 VDD Voltage level error
СообщениеДобавлено: Сб дек 25, 2010 18:07:56 
Проблема решена! Я осёл! поставил p-n-p, а не n-p-n. Собирал в smd-варианте - нетрудно перепутать, учитывая гадкую маркировку.


Вернуться наверх
   
 
Не в сети
 Заголовок сообщения: Re: PICKit 2 VDD Voltage level error
СообщениеДобавлено: Вс дек 26, 2010 01:17:03 
Собутыльник Кота
Аватар пользователя

Карма: -22
Рейтинг сообщений: -63
Зарегистрирован: Вт сен 14, 2010 10:27:19
Сообщений: 2584
Рейтинг сообщения: 0
borys писал(а):
Индуктивность дросселя должна быть не менее 330 микрогенри.
и 68 мкГн работает и 820 тоже.

_________________
Будете проходить мимо- проходите!


Вернуться наверх
 
Не в сети
 Заголовок сообщения: Re: PICKit 2 VDD Voltage level error
СообщениеДобавлено: Вт дек 28, 2010 16:05:50 
Собутыльник Кота
Аватар пользователя

Карма: -22
Рейтинг сообщений: -63
Зарегистрирован: Вт сен 14, 2010 10:27:19
Сообщений: 2584
Рейтинг сообщения: 0
Вот монтажная схема программатора Pickit2 для пайки на плату.

Изображение
клик - посмотреть схему в полном размере

_________________
Будете проходить мимо- проходите!


Вернуться наверх
 
 Заголовок сообщения: Re: PICKit 2 VDD Voltage level error
СообщениеДобавлено: Вт дек 28, 2010 19:16:24 
А на PICkit 3 не найдётся? :)


Вернуться наверх
   
 
Не в сети
 Заголовок сообщения: Re: PICKit 2 VDD Voltage level error
СообщениеДобавлено: Вт дек 28, 2010 21:01:10 
Собутыльник Кота
Аватар пользователя

Карма: -22
Рейтинг сообщений: -63
Зарегистрирован: Вт сен 14, 2010 10:27:19
Сообщений: 2584
Рейтинг сообщения: 0
Пока платы нет :beer:

_________________
Будете проходить мимо- проходите!


Вернуться наверх
 
 Заголовок сообщения: Re: PICKit 2 VDD Voltage level error
СообщениеДобавлено: Ср дек 29, 2010 20:00:01 
А прошивка? В папке PICkit 3 в директории MPLAB куча всяких hex... Аж глаза разбежались :love:


Вернуться наверх
   
 
 Заголовок сообщения: Re: PICKit 2 VDD Voltage level error
СообщениеДобавлено: Вт янв 04, 2011 12:12:05 
В чём заморочка:
Цитата:
Test Passed:
PICkit 2 detected an expected voltage on the VDD pin. (NOTE: slow risw times can still cause VDD Errors.)

Сборка полевиков у меня стоит IRF7105 - в ней?.


Вернуться наверх
   
 
Показать сообщения за:  Сортировать по:  Вернуться наверх
Начать новую тему Ответить на тему  [ Сообщений: 100 ]  1, , , ,  

Часовой пояс: UTC + 3 часа


Кто сейчас на форуме

Сейчас этот форум просматривают: нет зарегистрированных пользователей и гости: 13


Вы не можете начинать темы
Вы не можете отвечать на сообщения
Вы не можете редактировать свои сообщения
Вы не можете удалять свои сообщения
Вы не можете добавлять вложения

Найти:
Перейти:  


Powered by phpBB © 2000, 2002, 2005, 2007 phpBB Group
Русская поддержка phpBB
Extended by Karma MOD © 2007—2012 m157y
Extended by Topic Tags MOD © 2012 m157y