Например TDA7294

Форум РадиоКот • Просмотр темы - разработка пром.контроллера
Форум РадиоКот
Здесь можно немножко помяукать :)

Текущее время: Вс дек 21, 2025 05:31:58

Часовой пояс: UTC + 3 часа


ПРЯМО СЕЙЧАС:



Начать новую тему Ответить на тему  [ Сообщений: 85 ]    , , , 4,  
Автор Сообщение
Не в сети
 Заголовок сообщения: Re: разработка пром.контроллера
СообщениеДобавлено: Чт авг 04, 2022 11:56:40 
Опытный кот
Аватар пользователя

Карма: 2
Рейтинг сообщений: 164
Зарегистрирован: Ср авг 03, 2022 05:22:56
Сообщений: 848
Рейтинг сообщения: 0
... на "прототип" действует мгновенно... (экранирование помогает, но не совсем, короче - есть над чем подумать) :)))

Тогда надо подключить осциллограф и посмотреть что конкретно происходит, как искажается форма сигнала, какие лишние импульсы помех появляются. Они могут просто мешать прохождению полезного сигнала, искажать его форму, добавлять ложных импульсов.
Уменьшать эти явления можно с помощью уменьшения входного сопротивления приемника с целью повысить ток сигнала. Так же возможен переход на дифференциальные приемо-перндатчики.


Вернуться наверх
 
Не в сети
 Заголовок сообщения: Re: разработка пром.контроллера
СообщениеДобавлено: Чт авг 04, 2022 16:45:34 
Вымогатель припоя
Аватар пользователя

Карма: 5
Рейтинг сообщений: 10
Зарегистрирован: Ср дек 08, 2010 19:03:17
Сообщений: 591
Рейтинг сообщения: 0
работаем над этим :о)
ну а пока...надо схему дорихтовать до кондиции... потом тестовый сборки пойдут, вот их гараздо продуктивнее будет "дергать и смотреть"

_________________
Енот - это кот, только инкогнито!
p.s. держитесь обоими руками, а то прорвет...


Вернуться наверх
 
Не в сети
 Заголовок сообщения: Re: разработка пром.контроллера
СообщениеДобавлено: Чт авг 11, 2022 08:39:50 
Вымогатель припоя
Аватар пользователя

Карма: 5
Рейтинг сообщений: 10
Зарегистрирован: Ср дек 08, 2010 19:03:17
Сообщений: 591
Рейтинг сообщения: 0
Изображение Изображение

набросал 2й вариант (на будущее, на доработку)

вопрос: как правильно использовать "общий" провод, идущий от обьекта, на стороне контроллера?!
по идее, что-бы исключить "замкнутых" контуров контакт должен быть один.
пускать еще одну, отдельную жилу, вроде как уже перебор, или нет?

add
есть некоторые мысли
Вложение:
_sun1774_4.jpg [238.52 KiB]
Скачиваний: 52

_________________
Енот - это кот, только инкогнито!
p.s. держитесь обоими руками, а то прорвет...


Вернуться наверх
 
Не в сети
 Заголовок сообщения: Re: разработка пром.контроллера
СообщениеДобавлено: Сб авг 20, 2022 04:26:57 
Родился

Зарегистрирован: Сб авг 20, 2022 04:11:08
Сообщений: 5
Рейтинг сообщения: 0
Здравствуйте.
Посмотрел схемы подключения опторазвязок в этой теме.
Почему большинство подключают ограничительный резистор по линии питания светодиода, а не по линии сигнала?
Я читал, что помеха может пройти через светодиод-фототранзистор и выжечь порт микроконтроллера. Не правильнее ли сразу ослабить помеху последовательным резистором?


Вернуться наверх
 
Эиком - электронные компоненты и радиодетали
Не в сети
 Заголовок сообщения: Re: разработка пром.контроллера
СообщениеДобавлено: Сб авг 20, 2022 06:48:05 
Встал на лапы

Карма: -10
Рейтинг сообщений: 17
Зарегистрирован: Сб июн 04, 2022 05:21:07
Сообщений: 148
Рейтинг сообщения: 0
Потому что по закону ток во всех участках неразветвленной цепи одинаков.


Вернуться наверх
 
Не в сети
 Заголовок сообщения: Re: разработка пром.контроллера
СообщениеДобавлено: Сб авг 20, 2022 06:55:15 
Друг Кота
Аватар пользователя

Карма: 5
Рейтинг сообщений: 61
Зарегистрирован: Ср сен 30, 2020 16:51:47
Сообщений: 4625
Откуда: РФ
Рейтинг сообщения: 0
Я читал, что помеха может пройти через светодиод-фототранзистор и выжечь порт микроконтроллера.

Фототранзистор оптрона запитан напряжением питания МК, поэтому напряжение на входе МК не может быть больше чем напряжение питания МК.


Вернуться наверх
 
Не в сети
 Заголовок сообщения: Re: разработка пром.контроллера
СообщениеДобавлено: Сб авг 20, 2022 10:49:29 
Родился

Зарегистрирован: Сб авг 20, 2022 04:11:08
Сообщений: 5
Рейтинг сообщения: 0
Поясню картинкой.

Изображение

Очень часто вижу, что рисуют первый вариант.
В то же время читал, что возможен пробой со светодиода через транзистор на ножку микроконтроллера и ее выгорание.
Не лучше ли второй?

Кто что скажет?


Вернуться наверх
 
Не в сети
 Заголовок сообщения: Re: разработка пром.контроллера
СообщениеДобавлено: Сб авг 20, 2022 11:20:27 
Мудрый кот

Карма: 25
Рейтинг сообщений: 489
Зарегистрирован: Сб май 05, 2012 20:24:52
Сообщений: 1807
Откуда: KN34PC, Болгария
Рейтинг сообщения: 0
Схема слева с последовательными элементами. Разницы по устойчивости нет.
А оптрон допускает большую разность потенциалов между излучателем и приемником.
Ставим стабилитрон, и еще диоды на GND и +, и/или супрессор, но для статики чудес не ждите.


Вернуться наверх
 
Не в сети
 Заголовок сообщения: Re: разработка пром.контроллера
СообщениеДобавлено: Сб авг 20, 2022 11:40:17 
Опытный кот
Аватар пользователя

Карма: 2
Рейтинг сообщений: 164
Зарегистрирован: Ср авг 03, 2022 05:22:56
Сообщений: 848
Рейтинг сообщения: 0
Вот так скажем:

Изображение

вверху - защитные TVS-диоды; внизу - мелкие конденсаторы подавления коротких несильных помех; между кабелем и оптопарой и между кабелем и входной цепью - резисторы по четвертинке расчетного номинала.
Ставить только на одну из линий некошерно, потому что помехе всё равно в какой провод бить.
PS. Проводники свить между собой в витую пару. И проложить в заземленном металлорукаве. Или изпользовать готовую экранированную витую пару.


Последний раз редактировалось MLX90640 Сб авг 20, 2022 11:45:37, всего редактировалось 2 раз(а).

Вернуться наверх
 
Не в сети
 Заголовок сообщения: Re: разработка пром.контроллера
СообщениеДобавлено: Сб авг 20, 2022 11:40:38 
Друг Кота
Аватар пользователя

Карма: 5
Рейтинг сообщений: 61
Зарегистрирован: Ср сен 30, 2020 16:51:47
Сообщений: 4625
Откуда: РФ
Рейтинг сообщения: 0
Поясню картинкой.

Изображение

Так тоже будет работать. Но есть вопрос в связи с вашим предыдущим комментарием о помехах.
Первоначально: Линия находится в состоянии высокого уровня, обратное сопротивление светодиода - мегом.
Каким образом Ver2 будет более помехозащищённая чем Ver1?


Вернуться наверх
 
Не в сети
 Заголовок сообщения: Re: разработка пром.контроллера
СообщениеДобавлено: Сб авг 20, 2022 15:01:16 
Родился

Зарегистрирован: Сб авг 20, 2022 04:11:08
Сообщений: 5
Рейтинг сообщения: 0
Люди, спасибо за ответы!

Цитата:
Каким образом Ver2 будет более помехозащищённая чем Ver1?


Я думаю, что Var. 1 входная линия IN работает как антенна и легко может передать наводку на транзистор, а далее и на ножку микроконтроллера.

В случае Var. 2 с линии IN сигнал все-таки приходит извне ослабленный резистором и еще получается небольшой RC-фильтр из этого последовательного резистора и паразитной емкости светодиода опторазвязки (около 50 pF вроде).


Вернуться наверх
 
Не в сети
 Заголовок сообщения: Re: разработка пром.контроллера
СообщениеДобавлено: Сб авг 20, 2022 15:22:12 
Друг Кота
Аватар пользователя

Карма: 5
Рейтинг сообщений: 61
Зарегистрирован: Ср сен 30, 2020 16:51:47
Сообщений: 4625
Откуда: РФ
Рейтинг сообщения: 0
В случае Var. 2 с линии IN сигнал все-таки приходит извне ослабленный резистором и еще получается небольшой RC-фильтр из этого последовательного резистора и паразитной емкости светодиода опторазвязки (около 50 pF вроде).

Это если на вход придёт помеха с положительным знаком. Тогда rc-цепь сработает как фильтр первого порядка. Но дело в том, что помеха с положительным знаком не может воздействовать а вход с активным низким уровнем. Помеха с положительным знаком лишь дозапрёт светодиод оптопары. Для воздействия на вход с низким активным уровнем, на вход должна прийти помеха с отрицательным знаком, а против такой помехи rc-цепь по входу будет совершенно бесполезна.


Вернуться наверх
 
Не в сети
 Заголовок сообщения: Re: разработка пром.контроллера
СообщениеДобавлено: Сб авг 20, 2022 15:57:04 
Открыл глаза

Карма: -10
Рейтинг сообщений: 0
Зарегистрирован: Вс авг 07, 2022 16:27:38
Сообщений: 62
Рейтинг сообщения: 0
все эти рассуждения, когда сидишь на диване, а на практике при "удачном" стечении обстоятельств светодиоды оптопар вспыхивают и дают ложные сигналы, возможности фильтрации ограничены низкоомными цепями....т.е. оптопары только с большой вероятностью защищают процессор электрически, но от помех - весьма условно....я это наблюдал на линиях до 50-70 м, когда в канале лежит всё (и сила, и управление, и кому что захотелось). Поэтому как-то по-детски выглядит попытка кабинетных инженеров проектировать что-то для промышленных условий, не побывав там и не изучив эксплуатацию "изнутри".

_________________
просьба не банить больше, чем на 3 дня, а то надоела бессмысленная перерегистрация...)))))
все неумные участники тем из раздела МЯУ приглашаются минусовать мне карму
Список прилагается : asvhmao, EreminIV77, FAKIR, HariusHek


Вернуться наверх
 
Не в сети
 Заголовок сообщения: Re: разработка пром.контроллера
СообщениеДобавлено: Сб авг 20, 2022 16:02:59 
Мудрый кот

Карма: 25
Рейтинг сообщений: 489
Зарегистрирован: Сб май 05, 2012 20:24:52
Сообщений: 1807
Откуда: KN34PC, Болгария
Рейтинг сообщения: 0
Блокируйте светодиод с резистор, напр. 50...1000 Ohm. Пересчитайте последовательный резистор с + на номинальный ток светодиода. Так будет "одна идея" более помехозащищено (но ток будет потребляться на входе).


Вернуться наверх
 
Не в сети
 Заголовок сообщения: Re: разработка пром.контроллера
СообщениеДобавлено: Сб авг 20, 2022 16:33:19 
Опытный кот
Аватар пользователя

Карма: 2
Рейтинг сообщений: 164
Зарегистрирован: Ср авг 03, 2022 05:22:56
Сообщений: 848
Рейтинг сообщения: 0
MironTheBaron, а вы, извините, по какой границе разделяете на внешний кабель и внутреннюю электронику? А то на обеих вариантах не понятно, где границы чего.
Кстати, коль уж светодиод, то можете поставить светодиод для оптоволокна, прокинуть оптоволокно и вообще забыть о каких-то там на_водках


Вернуться наверх
 
Не в сети
 Заголовок сообщения: Re: разработка пром.контроллера
СообщениеДобавлено: Сб авг 20, 2022 16:56:55 
Родился

Зарегистрирован: Сб авг 20, 2022 04:11:08
Сообщений: 5
Рейтинг сообщения: 0
Цитата:
оптопары только с большой вероятностью защищают процессор электрически

Да, я скорее про это: сделать вероятнее такую защиту, применив вариант 2.

Цитата:
по какой границе разделяете на внешний кабель и внутреннюю электронику?

Линия IN, например, контакт клеммника на панели прибора. Как-то так...

Цитата:
Помеха с положительным знаком лишь дозапрёт светодиод оптопары.

Да, верно, но я немного не про помеху, а про прям выгорание пина.
Попробовал эквивалентную схему нарисовать.
Изображение

C_LED и C_pin -- паразитные емкости светодиода и ножки оптопары. Надеюсь, порядок величин емкостей не соврал...


Вернуться наверх
 
Не в сети
 Заголовок сообщения: Re: разработка пром.контроллера
СообщениеДобавлено: Сб авг 20, 2022 17:22:40 
Друг Кота
Аватар пользователя

Карма: 5
Рейтинг сообщений: 61
Зарегистрирован: Ср сен 30, 2020 16:51:47
Сообщений: 4625
Откуда: РФ
Рейтинг сообщения: 0
Да, верно, но я немного не про помеху, а про прям выгорание пина. .

То, что вы нарисовали в левой части рисунка, как раз таки про помеху. На вашей картинке: Помеха воздействует на линию, светодиод это типа передающая антенна, а фототранзистор это типа приемная антенна. Только оптрон так в реале не работает, ёмкость между выводами оптрона ничтожно мала. Но дело даже не в этом. Дело в том, что помеха которая воздействует одновременно и на вход и на выход устройства (оптрона), да ещё с такой энергией чтоб обеспечить выгорание пина, ей все эти rc-цепи по входу (оптрона) вообще пофигу. Если цель защитить входы МК от такой помехи, то тогда защитные цепи надо ставить и на входы МК тоже.


Вернуться наверх
 
Не в сети
 Заголовок сообщения: Re: разработка пром.контроллера
СообщениеДобавлено: Сб авг 20, 2022 18:18:46 
Опытный кот
Аватар пользователя

Карма: 2
Рейтинг сообщений: 164
Зарегистрирован: Ср авг 03, 2022 05:22:56
Сообщений: 848
Рейтинг сообщения: 0
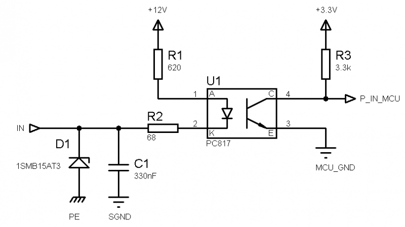
Цитата:
Линия IN, например, контакт клеммника на панели прибора.

Тогда вот так:
Изображение
Обязательным является TVS-диод и резистор R2. Причем, R2 может быть как дополнительным небольшого сопротивления, так и основным, совмещая функции R1 и R2. Поскольку ток во всех участках цепи одинаков, то сильно большой разницы нет. Основную поглощающую нагрузку берет на себя TVS и конденсатор. TVS должен вторым концом соединяться с отдельной шиной сброса входных разрядов и она не должна пересекаться или попадать на GND питания устройства.
Через оптопару же никаких вредных выбросов на микроконтроллер не проходит, изоляция оптопары держит порядка 8 кВ, что совместно со входным TVS надежно защитит микроконтроллер.

А про какие антенны между светодиодом и транзистором вы тут твердите - непонятно. Вссе там прекрасно работает без антенн и помех. Просто входную цепь грамотно спроектируйте и все будет хокей.


Вернуться наверх
 
Не в сети
 Заголовок сообщения: Re: разработка пром.контроллера
СообщениеДобавлено: Вс авг 21, 2022 04:15:12 
Родился

Зарегистрирован: Сб авг 20, 2022 04:11:08
Сообщений: 5
Рейтинг сообщения: 0
electroget, Спасибо за объяснения!
MLX90640, Спасибо за объяснение со схемой!


Вернуться наверх
 
Не в сети
 Заголовок сообщения: Re: разработка пром.контроллера
СообщениеДобавлено: Пт окт 14, 2022 17:01:09 
Вымогатель припоя
Аватар пользователя

Карма: 5
Рейтинг сообщений: 10
Зарегистрирован: Ср дек 08, 2010 19:03:17
Сообщений: 591
Рейтинг сообщения: 0
MLX90640 - параллельно св.диоду сопротивление (подобрать из условий тз)

_________________
Енот - это кот, только инкогнито!
p.s. держитесь обоими руками, а то прорвет...


Вернуться наверх
 
Показать сообщения за:  Сортировать по:  Вернуться наверх
Начать новую тему Ответить на тему  [ Сообщений: 85 ]    , , , 4,  

Часовой пояс: UTC + 3 часа


Кто сейчас на форуме

Сейчас этот форум просматривают: нет зарегистрированных пользователей и гости: 31


Вы не можете начинать темы
Вы не можете отвечать на сообщения
Вы не можете редактировать свои сообщения
Вы не можете удалять свои сообщения
Вы не можете добавлять вложения

Найти:
Перейти:  


Powered by phpBB © 2000, 2002, 2005, 2007 phpBB Group
Русская поддержка phpBB
Extended by Karma MOD © 2007—2012 m157y
Extended by Topic Tags MOD © 2012 m157y