Например TDA7294

Форум РадиоКот • Просмотр темы - Защита входов МК работающего от батарейного питания
Форум РадиоКот
Здесь можно немножко помяукать :)

Текущее время: Пт дек 26, 2025 05:17:43

Часовой пояс: UTC + 3 часа


ПРЯМО СЕЙЧАС:



Начать новую тему Ответить на тему  [ Сообщений: 14 ] 
Автор Сообщение
Не в сети
 Заголовок сообщения: Защита входов МК работающего от батарейного питания
СообщениеДобавлено: Пт май 07, 2021 21:17:55 
Встал на лапы
Аватар пользователя

Зарегистрирован: Пт дек 28, 2012 23:57:32
Сообщений: 107
Рейтинг сообщения: 0
Здравствуйте. Собираю датчик радио модуль ZigBee https://io-net.ru/universalnyj-zigbee-m ... 8-ms1-pcb/
Хочу сделать три входа работы в режиме геркона. Но проблема в том что три геркона будут отдалены от самого МК на расстоянии близко 3-ох метров. Понимаю, что просто бросить провод от земли к в ходу МК это неправильно. Очень легко убить порт МК любой электромагнитной наводкой.
Схем защит входов МК много, но все они работают с питанием от сети. А у меня вариант питания от АКБ. То есть защита входов не должна влиять на срок жизни АКБ. Кто какие варианты использует в таких случаях? Или в таком случае никакая защита работать не будет?


Вернуться наверх
 
Не в сети
 Заголовок сообщения: Re: Защита входов МК работающего от батарейного питания
СообщениеДобавлено: Пт май 07, 2021 21:50:12 
Мудрый кот

Карма: 11
Рейтинг сообщений: 114
Зарегистрирован: Пт июн 01, 2018 07:28:45
Сообщений: 1759
Рейтинг сообщения: 0
Диоды в обратном включении на плюсовую шину и нулевую. Стандартная схема. Диоды абсолютно любые, что найдутся под рукой.


Вернуться наверх
 
Не в сети
 Заголовок сообщения: Re: Защита входов МК работающего от батарейного питания
СообщениеДобавлено: Пт май 07, 2021 22:29:54 
Друг Кота
Аватар пользователя

Карма: 107
Рейтинг сообщений: 3308
Зарегистрирован: Сб фев 11, 2017 15:59:13
Сообщений: 14811
Откуда: 57 RUS
Рейтинг сообщения: 0
Про диоды в обратном включении вам уже написали.
Ещё паралельно входам герконов поставить неполярные конденсаторы в районе 0,047мкф.
Таким образом удавалось избежать сбоев в работе велокомпьютера от наводок зажигания при установки его на мотоцикл.
Иначе стоило только завести движёк, на экране скакала всякая хрень, из-за наводок зажигания на провод до геркона.
На фото виден диод и конденсатор, припаянные паралельно контактам геркона:
Изображение
Изображение
Сбои от наводок зажигания в работе такого велоспидометра устранял тем-же методом:
Изображение

Изображение

_________________
НАРОДОВЛАСТИЕ а не дерьмократия!!!
Суверенным и независимым может считаться только то государство, против которого англосаксонские разносчики кланово-олигархической дерьмократии и еврогейских "ценностей" со своими пособниками ввели санкции!


Вернуться наверх
 
Не в сети
 Заголовок сообщения: Re: Защита входов МК работающего от батарейного питания
СообщениеДобавлено: Вс май 09, 2021 21:42:30 
Встал на лапы
Аватар пользователя

Зарегистрирован: Пт дек 28, 2012 23:57:32
Сообщений: 107
Рейтинг сообщения: 0
Диоды в обратном включении на плюсовую шину и нулевую. Стандартная схема. Диоды абсолютно любые, что найдутся под рукой.

Это на шины питания которые идут на саму АКБ? Можно картинку :dont_know:


Вернуться наверх
 
Эиком - электронные компоненты и радиодетали
Не в сети
 Заголовок сообщения: Re: Защита входов МК работающего от батарейного питания
СообщениеДобавлено: Сб май 15, 2021 16:41:02 
Друг Кота

Карма: -8
Рейтинг сообщений: 15
Зарегистрирован: Вс июл 24, 2011 11:38:09
Сообщений: 7592
Рейтинг сообщения: 0
Если там просто логический сигнал, мне кажется подойдёт какаято КМОП логика. Если что её убьёт на питание и всё закоротится.

Чтото я вообще не понял что такое защита от сети, оптроны чтоль.
Часто защиты стоят дороже самого МК. И если схема батарейная, от чего там защищать


Вернуться наверх
 
Не в сети
 Заголовок сообщения: Re: Защита входов МК работающего от батарейного питания
СообщениеДобавлено: Сб май 15, 2021 18:50:05 
Сверлит текстолит когтями

Зарегистрирован: Вт ноя 19, 2019 06:10:18
Сообщений: 1270
Рейтинг сообщения: 0
Цитата:
И если схема батарейная, от чего там защищать

От разрядов статического электричества и наводок, например, от систем зажигания и радиопередатчиков.


Вернуться наверх
 
Не в сети
 Заголовок сообщения: Re: Защита входов МК работающего от батарейного питания
СообщениеДобавлено: Сб май 22, 2021 22:56:10 
Встал на лапы
Аватар пользователя

Зарегистрирован: Пт дек 28, 2012 23:57:32
Сообщений: 107
Рейтинг сообщения: 0
Ребята.
Я чет вообще запутался. Можно хоть одну схему в картинке? :shock:
Про диоды в обратном направление, так и не понял как реализовать.


Вернуться наверх
 
Не в сети
 Заголовок сообщения: Re: Защита входов МК работающего от батарейного питания
СообщениеДобавлено: Вс май 23, 2021 02:20:25 
Друг Кота

Карма: -8
Рейтинг сообщений: 15
Зарегистрирован: Вс июл 24, 2011 11:38:09
Сообщений: 7592
Рейтинг сообщения: 0
Была такая касса (модель вам не поможет, с таким названием сейчас другие). Вот плата управления с ней.
СпойлерSTM8(тотже что в стлинке)+ регистр *165. На плате клавиатура, принтер и 2 экрана. К материнке идут (8 наверно) проводов, на всех стоят защитные диоды, вон те здоровенные чёрные. И они отлично работают, материнка жива.
Один раз кассир меняла бумагу и экран перестал работать. На плате меняли всё кроме проца, и шлейфт тоже, СТМ сдох, а именно порты экрана, клавиатура в слепую работала. Отделались по гарантии.
А вот второй раз пришлось купить эту платку.
Убивает её на отличненько. И корпус принтера не соединён с общим, хотя там и заземления наверно нет, она же с БП внешним, ну хотя там есть LAN и USB.
Как видно диоды занимают места больше разъёма, еслиб они стояли на все сигналы экрана и клавиатуры, то пришлось бы платку увеличить вдвое. Вот такая невезуха.
Сейчас эта касса снята с производства и с таким названием кое что покруче на цветном экране и здоровенном арме, и более умная система обновлений

Ребята
диоды есть во всех современных цифровых козявках.
Анодом с сигнальной ноги на+. И анодом с общего на сигнальную ногу.
Изображение
Спойлердревнющий даташит на ТТЛШ
Изображение
Защита на транзистор тестер 1.12k_29.03.2015.pdf
(то что ставят китайцы в тт не работает, надо именно такую сборку или то что народ проверил. китайское в тт только мешает)
Изображение Изображение


Вернуться наверх
 
Не в сети
 Заголовок сообщения: Re: Защита входов МК работающего от батарейного питания
СообщениеДобавлено: Вс май 23, 2021 18:52:45 
Сверлит текстолит когтями

Зарегистрирован: Вт ноя 19, 2019 06:10:18
Сообщений: 1270
Рейтинг сообщения: 0
Только поставь последовательно входу резистор на 20-100 Ом.


Вернуться наверх
 
Не в сети
 Заголовок сообщения: Re: Защита входов МК работающего от батарейного питания
СообщениеДобавлено: Вт май 25, 2021 22:18:43 
Встал на лапы
Аватар пользователя

Зарегистрирован: Пт дек 28, 2012 23:57:32
Сообщений: 107
Рейтинг сообщения: 0
74LS00 писал(а):
диоды есть во всех современных цифровых козявках.

Значит можно и не ставить внешние диоды?
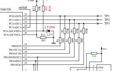
Собрал все рекомендации в одну схему. Все ли я верно понял?
Изображение


Вернуться наверх
 
Не в сети
 Заголовок сообщения: Re: Защита входов МК работающего от батарейного питания
СообщениеДобавлено: Ср май 26, 2021 15:49:59 
Сверлит текстолит когтями

Зарегистрирован: Вт ноя 19, 2019 06:10:18
Сообщений: 1270
Рейтинг сообщения: 0
Цитата:
Значит можно и не ставить внешние диоды?

Нужно смотреть максимальный ток через встроенные диоды и учитывать максимальный уровень напряжения входного сигнала. Не всегда можно обойтись внутренними, нужно рассчитывать ток. Вот затем и нужен резистор перед диодами со стороны нагрузки.
А что задаст уровень сигнала на входе при разомкнутом герконе, а? У цифровых входов есть ещё требования по длительности фронтов...
Может, прочитать для начала Хоровица и Хилла?


Вернуться наверх
 
Не в сети
 Заголовок сообщения: Re: Защита входов МК работающего от батарейного питания
СообщениеДобавлено: Ср май 26, 2021 21:58:26 
Потрогал лапой паяльник

Карма: -3
Рейтинг сообщений: 40
Зарегистрирован: Чт апр 29, 2021 16:01:55
Сообщений: 312
Рейтинг сообщения: 0
Изображение
но можно и буферы на входе поставить 74НС14...


Вернуться наверх
 
Не в сети
 Заголовок сообщения: Re: Защита входов МК работающего от батарейного питания
СообщениеДобавлено: Ср май 26, 2021 22:37:48 
Встал на лапы
Аватар пользователя

Зарегистрирован: Пт дек 28, 2012 23:57:32
Сообщений: 107
Рейтинг сообщения: 0
Цитата:
Значит можно и не ставить внешние диоды?

Может, прочитать для начала Хоровица и Хилла?

Я бы с удовольствием, но на все не хватает времени. Хочеться собрать, забросить в подвал и не возвращаться к этой теме.
1en2-1, Точно нужно два резистора? Или тот что ближе к входу МК уже не нужен?


Вернуться наверх
 
Не в сети
 Заголовок сообщения: Re: Защита входов МК работающего от батарейного питания
СообщениеДобавлено: Ср май 26, 2021 22:41:38 
Потрогал лапой паяльник

Карма: -3
Рейтинг сообщений: 40
Зарегистрирован: Чт апр 29, 2021 16:01:55
Сообщений: 312
Рейтинг сообщения: 0
ты или экономь, или защищайся.....защита - это всегда лишние расходы...................до момента Х...
если знать ток подтяжки к +, то, возможно и 100 можно увеличить до 1К, например...


Вернуться наверх
 
Показать сообщения за:  Сортировать по:  Вернуться наверх
Начать новую тему Ответить на тему  [ Сообщений: 14 ] 

Часовой пояс: UTC + 3 часа


Кто сейчас на форуме

Сейчас этот форум просматривают: нет зарегистрированных пользователей и гости: 17


Вы не можете начинать темы
Вы не можете отвечать на сообщения
Вы не можете редактировать свои сообщения
Вы не можете удалять свои сообщения
Вы не можете добавлять вложения

Найти:
Перейти:  


Powered by phpBB © 2000, 2002, 2005, 2007 phpBB Group
Русская поддержка phpBB
Extended by Karma MOD © 2007—2012 m157y
Extended by Topic Tags MOD © 2012 m157y