Например TDA7294

Форум РадиоКот • Просмотр темы - 595 переодически кратковременно сама отключает нагрузку
Форум РадиоКот
Здесь можно немножко помяукать :)

Текущее время: Сб дек 27, 2025 15:41:16

Часовой пояс: UTC + 3 часа


ПРЯМО СЕЙЧАС:



Начать новую тему Ответить на тему  [ Сообщений: 28 ]    , 2
Автор Сообщение
Не в сети
 Заголовок сообщения: Re: 595 переодически кратковременно сама отключает нагрузку
СообщениеДобавлено: Ср авг 24, 2022 17:46:15 
Электрический кот

Карма: 5
Рейтинг сообщений: 169
Зарегистрирован: Пн май 01, 2017 20:01:45
Сообщений: 1047
Рейтинг сообщения: 0
Недавно получил с али 595-ые, во всех не_подключен вывод OE. Банально не контачит с кристаллом. Во всей партии.
При этом на выходах режим OE=0. Но, никто не гарантирует, что когда-нибудь не уплывет в "1".
Причем, IC брал не в самом плохом магазине.
Если не найдете причину вокруг микросхемы, посмотрите на ее самою.


Вернуться наверх
 
Не в сети
 Заголовок сообщения: Re: 595 переодически кратковременно сама отключает нагрузку
СообщениеДобавлено: Чт авг 25, 2022 05:56:26 
Первый раз сказал Мяу!

Зарегистрирован: Вт июн 28, 2022 12:31:18
Сообщений: 29
Рейтинг сообщения: 0
MLX90640, нет обычные 74HC595N
если я подключу напрямую у меня при загрузке моргнут регистры произвольно а это включение компресора и прочих клапанов

Martian,
Изображение Изображение Изображение
должны ли там гулять импульсы ?
10 и 13 стабильные

u37, у меня контачит это видно по блокировке конденсатором при подаче питания без него онии моргнут

Добавлено after 1 minute 39 seconds:
VNS, 10 пин попоже попробую на минус


Вернуться наверх
 
Не в сети
 Заголовок сообщения: Re: 595 переодически кратковременно сама отключает нагрузку
СообщениеДобавлено: Чт авг 25, 2022 07:11:24 
Опытный кот
Аватар пользователя

Карма: 2
Рейтинг сообщений: 164
Зарегистрирован: Ср авг 03, 2022 05:22:56
Сообщений: 848
Рейтинг сообщения: 0
Сложно вести диалог с человеком, не читающим мануалы, ссылки на которые были дадены. В мануалах показано, что должно быть на каждом входе. А вот "гулять" ничего не должно, но должна быть четкая структура и последовательность импульсов. Не случайные импульсы, а как показано в мануале. На тактовом входе 8 раз (для двух регистров - 16 раз) тык-тык, тык-тык. На входе информации под каждый этот тык новый бит затыктыкивается. Когда 16 раз тык-тык сделано, после этого на входе защелки делается дыг-дыг один раз. Все принятые 16 битов переходят одномоментно на 16 выходов. После можно новую порцию делать тык-тык 16 раз, и один раз дыг-дыг, и новая порция появится на выходах.
Ну это же так просто - тык-тык, тык-тык, дыг-дыг. Вуаля.
А если 10 пин на минус посадить, то тык-тыки не будут тыктыкаться. Это пин бум-бздынь. Сброса то есть.


Вернуться наверх
 
Не в сети
 Заголовок сообщения: Re: 595 переодически кратковременно сама отключает нагрузку
СообщениеДобавлено: Чт авг 25, 2022 08:07:17 
Говорящий с текстолитом
Аватар пользователя

Карма: 18
Рейтинг сообщений: 236
Зарегистрирован: Пт дек 10, 2021 12:48:46
Сообщений: 1561
Откуда: Тюмень
Рейтинг сообщения: 0
VNS, 10 пин попоже попробую на минус

Я имел ввиду вывод 13, а не 10... я ошибся в нумерации :oops: в том сообщении уже исправил... :)

Что касается иголок на входах... вот тебе и нашлась проблема... устранишь данные иголки получишь нормальную работу...


Вернуться наверх
 
Эиком - электронные компоненты и радиодетали
Не в сети
 Заголовок сообщения: Re: 595 переодически кратковременно сама отключает нагрузку
СообщениеДобавлено: Чт авг 25, 2022 09:00:10 
Опытный кот
Аватар пользователя

Карма: 2
Рейтинг сообщений: 164
Зарегистрирован: Ср авг 03, 2022 05:22:56
Сообщений: 848
Рейтинг сообщения: 0
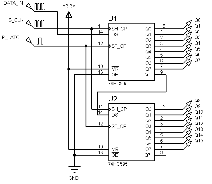
Схема:
Изображение

Графики работы:
Изображение

По-моему, всё предельно ясно, как оное должно быть. Вначале загружаем все 16 битов (первый загружаемый бит будет на последнем выходе последнего регистра в цепочке), подавая их на 14-ю ногу и тык-тыкая 11-ю ногу после кажного выведенного из МК бита, затем после того, как все 16 тык-тыканий выполнено, делаем дыг-дыг ногу 12 один раз. Появятся все 16 натыктыканых выходов.
В остальное время, когда ничего менять не нужно, то ничего не тык-тыкаем и не дыг-дыгаем, вообще ничего никакую ногу не мацаем, ни 10-ю, ни 13-ю, ни-че-го. А вы там на ESP-шке напрогали чето непонятного, вот случайным образом и чето пересекается там.

Чтобы при включении питания ничего произвольно не дергалось, нужно 10-ю ножку (сброс) попридержать в 0. Можете даже вывести ее на отдельный выход МК, а лучше соединить его с общим сбросом ESP-шки. Ну и сразу выходы МК, особенно который управляет дыг-дыгом, проинициализировать и установить на нем низкий уровень, не допуская прохождения помех и наводок в регистры. Можно даже входы тык-дыгов через резисторы на 10 кОм соединить с минусом питания. Тогда тык-дыгов не будет проникать.


Вернуться наверх
 
Не в сети
 Заголовок сообщения: Re: 595 переодически кратковременно сама отключает нагрузку
СообщениеДобавлено: Чт авг 25, 2022 10:10:52 
Говорящий с текстолитом
Аватар пользователя

Карма: 18
Рейтинг сообщений: 236
Зарегистрирован: Пт дек 10, 2021 12:48:46
Сообщений: 1561
Откуда: Тюмень
Рейтинг сообщения: 0
по блокировке конденсатором при подаче питания без него онии моргнут

Как показала практика, самый эффективный метод "сброса" регистров, это подтянуть вывод 13 через резистор к плюсу питания… чтобы при подаче питания выводы регистров имели Z-состояние… далее, или загружаем в регистры необходимое значение, или просто записываем нули… после всех процедур подаём на вывод 13 лог ноль с отдельного вывода МК… данный подход стабильнее работает даже при похожем использовании дополнительного сброса на выводе 10. Это чтобы клапана не щёлкали при подаче питания…

Что касается присутствующих хаотично управляющих импульсов в виде иголок, то тут есть разные методы борьбы с данным явлением… в плоть до того, что использовать дополнительно промежуточный МК… или просто обойтись буферами с триггером Шмитта…


Вернуться наверх
 
Не в сети
 Заголовок сообщения: Re: 595 переодически кратковременно сама отключает нагрузку
СообщениеДобавлено: Чт авг 25, 2022 10:49:03 
Поставщик валерьянки для Кота
Аватар пользователя

Карма: 41
Рейтинг сообщений: 1219
Зарегистрирован: Ср фев 23, 2011 12:12:31
Сообщений: 2403
Рейтинг сообщения: 3
Медали: 1
Получил миской по аватаре (1)
Фото платы? Разводки? Полная схема?
После резистора по питанию ничему не удивлюсь.

Так же куча вопросов к коду мк. Иголки могут быть вполне нормальные сигналы от него. есп вообще чёрный ящик, что он там делает никому доподлинно неизвестно, нам лишь сдк дали.
Отсоединить от мк и посмотреть откуда иголки, от мк или на 595 без него тоже лезут?

_________________
Глупый не задает вопросы. Глупый и так все знает.


Вернуться наверх
 
Не в сети
 Заголовок сообщения: Re: 595 переодически кратковременно сама отключает нагрузку
СообщениеДобавлено: Пт авг 26, 2022 11:35:21 
Первый раз сказал Мяу!

Зарегистрирован: Вт июн 28, 2022 12:31:18
Сообщений: 29
Рейтинг сообщения: 0
спасибо подразобрался теперь
оказывается осцылограф обманывал меня
в режиме логирования он не выдавал всю инфу а лиш эти самые хаотичные иголки в виде помех
но в режиме тригера моментально выдавал импульсы те самые либо 16 штук либо последовательность инфы либо защёлку смотря куда цепануться

купил дешманский лог анализатор на 24мгц и он без проблем выдал всю картину по всем пинам на нём что не смог сделать 100мгц осцылограф

13 пин попробовал на контролер кинуть и да при ресете не моргает


Вернуться наверх
 
Показать сообщения за:  Сортировать по:  Вернуться наверх
Начать новую тему Ответить на тему  [ Сообщений: 28 ]    , 2

Часовой пояс: UTC + 3 часа


Кто сейчас на форуме

Сейчас этот форум просматривают: нет зарегистрированных пользователей и гости: 13


Вы не можете начинать темы
Вы не можете отвечать на сообщения
Вы не можете редактировать свои сообщения
Вы не можете удалять свои сообщения
Вы не можете добавлять вложения

Найти:
Перейти:  


Powered by phpBB © 2000, 2002, 2005, 2007 phpBB Group
Русская поддержка phpBB
Extended by Karma MOD © 2007—2012 m157y
Extended by Topic Tags MOD © 2012 m157y