Например TDA7294

Форум РадиоКот • Просмотр темы - Защита входов МК от наводок для DS18B20
Форум РадиоКот
Здесь можно немножко помяукать :)

Текущее время: Вс дек 21, 2025 05:18:16

Часовой пояс: UTC + 3 часа


ПРЯМО СЕЙЧАС:



Начать новую тему Ответить на тему  [ Сообщений: 43 ]    , 2,  
Автор Сообщение
 Заголовок сообщения: Re: Защита входов МК от наводок для DS18B20
СообщениеДобавлено: Ср янв 20, 2021 12:52:58 
Что такое чистый микропроцессор? И чем он отличается от нечистого?

Нет такого понятия: чистый и не чистый микропроцессор. Вам нужно понять чем микропроцессор отличается от микроконтроллера (загуглите этот вопрос). Вот когда узнаете, тогда перестанете называть микроконтроллер микропроцессором. :)


Вернуться наверх
   
 
Не в сети
 Заголовок сообщения: Re: Защита входов МК от наводок для DS18B20
СообщениеДобавлено: Ср янв 20, 2021 13:17:45 
Мудрый кот

Карма: 11
Рейтинг сообщений: 114
Зарегистрирован: Пт июн 01, 2018 07:28:45
Сообщений: 1759
Рейтинг сообщения: 0
ТС сообщает, что
Цитата:
В качестве хоста будет Orange Pi Zero


А плата эта собрана на основе Allwinner H2. Производитель утверждает, что это процессор.
Все остальные разговоры, а также цитаты из поисковых машин считаю несостоятельными, ибо не отражают действительность (утверждение производителя).

Цитата:
Вам нужно понять чем микропроцессор отличается от микроконтроллера (загуглите этот вопрос).

Мне не надо ничего понимать. Мне достаточно открыть даташит на прибор и всю информацию взять оттуда.
Вы когда станете производить свою электронику, тогда и будете её называть так, как вам заблагорассудиться. А пока этот день не наступил, это прерогатива производителя.

По поводу длины 1wire. По различным сообщениям дурино-форумов, у пользователей уже на 10 метрах возникают ошибки несоответствия CRC. При том что шины на основе дифф. пар запросто работают на километр, а то и два.


Вернуться наверх
 
 Заголовок сообщения: Re: Защита входов МК от наводок для DS18B20
СообщениеДобавлено: Ср янв 20, 2021 13:49:20 
ТС сообщает, что
Цитата:
В качестве хоста будет Orange Pi Zero

Эту строку я не заметил… просто увидел Ваш спор… :) тогда ой! Всё верно… 8)

Добавлено after 4 minutes 9 seconds:
Мне не надо ничего понимать. Мне достаточно открыть даташит на прибор и всю информацию взять оттуда.
Вы когда станете производить свою электронику, тогда и будете её называть так, как вам заблагорассудиться.

Вам бы не мешало успокоится… иначе так можно скатится и до хамства… :))


Вернуться наверх
   
 
Не в сети
 Заголовок сообщения: Re: Защита входов МК от наводок для DS18B20
СообщениеДобавлено: Ср янв 20, 2021 14:47:51 
Друг Кота
Аватар пользователя

Карма: 96
Рейтинг сообщений: 1493
Зарегистрирован: Вт мар 16, 2010 22:02:27
Сообщений: 15304
Откуда: ДОНЕЦК
Рейтинг сообщения: 0
...
По поводу длины 1wire. По различным сообщениям дурино-форумов, у пользователей уже на 10 метрах возникают ошибки несоответствия CRC. При том что шины на основе дифф. пар запросто работают на километр, а то и два.

При корректно изготовленном кабеле и самой простейшей прожке до 5 метров гарантируется.
СпойлерИзображение

СпойлерИзображение

А вот "длиннее" - там необходим специальный модуль (смотрим соответствующие аппноты).
СпойлерИзображение

Да и управление там соответственно чуток посложнее.
Касательно адуриний - пишем прожку аккуратно - проблем не будет (используем только базовый OneWire - остальное самодел в пределах референса).
Что касается периферии у "малинок" - там могут и специальные микросхемы порт-расширителей применяться - так что не факт, ежли на системной платке МП это совсем не означает отсутствия СБИС ввода/вывода внешней шины.
8)


Вернуться наверх
 
Эиком - электронные компоненты и радиодетали
Не в сети
 Заголовок сообщения: Re: Защита входов МК от наводок для DS18B20
СообщениеДобавлено: Ср янв 20, 2021 15:07:48 
Мудрый кот

Карма: 11
Рейтинг сообщений: 114
Зарегистрирован: Пт июн 01, 2018 07:28:45
Сообщений: 1759
Рейтинг сообщения: 0
Баланс можно сделать ещё тупее
http://kazus.ru/forums/showpost.php?p=1 ... count=1856


Вернуться наверх
 
Не в сети
 Заголовок сообщения: Re: Защита входов МК от наводок для DS18B20
СообщениеДобавлено: Ср янв 20, 2021 16:42:31 
Друг Кота
Аватар пользователя

Карма: 96
Рейтинг сообщений: 1493
Зарегистрирован: Вт мар 16, 2010 22:02:27
Сообщений: 15304
Откуда: ДОНЕЦК
Рейтинг сообщения: 0
Баланс можно сделать ещё тупее
http://kazus.ru/forums/showpost.php?p=1 ... count=1856

Там не в "балансе" дело - почитайте аппнотки повнимательнее (AN132, AN148, AN224 и прочие...).
:wink:


Вернуться наверх
 
Не в сети
 Заголовок сообщения: Re: Защита входов МК от наводок для DS18B20
СообщениеДобавлено: Чт янв 21, 2021 11:05:22 
Потрогал лапой паяльник
Аватар пользователя

Карма: 1
Рейтинг сообщений: 14
Зарегистрирован: Сб сен 19, 2009 07:02:19
Сообщений: 378
Рейтинг сообщения: -2
...Мне не надо ничего объяснять. Иди возбуждайся в другое место...
Ты мне не "тычь", школота тупая...
...Вы когда станете производить свою электронику, тогда и будете её называть так, как вам заблагорассудиться...

Русский язык ты не знаешь. Чем МК от МП отличается, ты не знаешь.
Твои заявления, что :
...По поводу длины 1wire. По различным сообщениям дурино-форумов, у пользователей уже на 10 метрах возникают ошибки несоответствия CRC.

Лишь подтверждают очевидное. Ты что-то там лепечешь про Orange, но ссылаешься на "опыт специалистов" от "дурино-форумов" про про ошибки CRC. Ты уж определись, гуру хренов, там примерно такие-же, как ты и сидят, новаторы-спасители отрасли с 8-ю классами образования. Подучись, хоть чуть-чуть.


Вернуться наверх
 
Не в сети
 Заголовок сообщения: Re: Защита входов МК от наводок для DS18B20
СообщениеДобавлено: Чт янв 21, 2021 11:57:49 
Мудрый кот

Карма: 11
Рейтинг сообщений: 114
Зарегистрирован: Пт июн 01, 2018 07:28:45
Сообщений: 1759
Рейтинг сообщения: 0
Цитата:
Чем МК от МП отличается

Ну так и чем же они отличаются? Так ответ и не прозвучал, увы.
Все остальные словеса показывают уровень невежества...

Добавлено after 25 minutes 50 seconds:
Цитата:
Насчет жесткого разграничения МП и МК на сегодня весьма размыто. Особо после появления кристаллов вида "система-на-кристалле", да и часть аппаратной начинки давно во многие МП перекочевала.

Вот и я о том же. Разделение во встраиваемых решениях весьма условное.

Цитата:
Общее положение (примитив) - к МП относят все кристаллы, где выполнение программы производится из внешнего ОЗУ/ПЗУ.

Что за общее положение такое - не знаю, но прародитель всех МК MCS-51 - память внешняя, ESP82.., который сам Espressif в англицкой версии даташита называет микроконтроллером, память ROM внешняя. Atmega128 содержит всё необходимое для расширения RAM памяти.


Вернуться наверх
 
Не в сети
 Заголовок сообщения: Re: Защита входов МК от наводок для DS18B20
СообщениеДобавлено: Чт янв 21, 2021 12:02:02 
Потрогал лапой паяльник
Аватар пользователя

Карма: 1
Рейтинг сообщений: 14
Зарегистрирован: Сб сен 19, 2009 07:02:19
Сообщений: 378
Рейтинг сообщения: 0
Цитата:
Чем МК от МП отличается

Ну так и чем же они отличаются? Так ответ и не прозвучал, увы.
Все остальные словеса показывают уровень невежества...
..."Неве́жество — недостаток знаний, необразованность, неразвитость, отсталость. Согласно словарю Ушакова — отсутствие познаний, некультурность, отсталость; в другом, разговорном значении — невоспитанность, невежливость."...
Тебя даже читать не научили...Мля...И эти люди мнят себя будущим поколением...Я не самый лучший педагог, но тебе и без меня уже намекнули: "прочти, хоть что-то..." или "чукча писатель?"
P.S. И еще. Если меня здесь забанят, то я немного огорчусь, но не более. А вот ты-то, со своими "мударатниками" что будешь делать, когда более покладистые и более именитые, наконец-то устанут от твоих абсолютно идиотских фантазий, или заключений?


Последний раз редактировалось shindax Чт янв 21, 2021 12:09:09, всего редактировалось 1 раз.

Вернуться наверх
 
Не в сети
 Заголовок сообщения: Re: Защита входов МК от наводок для DS18B20
СообщениеДобавлено: Чт янв 21, 2021 12:07:00 
Друг Кота
Аватар пользователя

Карма: 96
Рейтинг сообщений: 1493
Зарегистрирован: Вт мар 16, 2010 22:02:27
Сообщений: 15304
Откуда: ДОНЕЦК
Рейтинг сообщения: 0
...
Цитата:
Общее положение (примитив) - к МП относят все кристаллы, где выполнение программы производится из внешнего ОЗУ/ПЗУ.

Что за общее положение такое - не знаю, но прародитель всех МК MCS-51 - память внешняя, ESP82.., который сам Espressif в англицкой версии даташита называет микроконтроллером, память ROM внешняя. Atmega128 содержит всё необходимое для расширения RAM памяти.

Если СПЕЦИАЛИСТ не отличает внешнюю память данных от внешней памяти программ/данных...
:facepalm:


Вернуться наверх
 
Не в сети
 Заголовок сообщения: Re: Защита входов МК от наводок для DS18B20
СообщениеДобавлено: Чт янв 21, 2021 12:14:33 
Мудрый кот

Карма: 11
Рейтинг сообщений: 114
Зарегистрирован: Пт июн 01, 2018 07:28:45
Сообщений: 1759
Рейтинг сообщения: 0
Цитата:
"Неве́жество — недостаток знаний, необразованность, неразвитость, отсталость. Согласно словарю Ушакова — отсутствие познаний, некультурность, отсталость; в другом, разговорном значении — невоспитанность, невежливость."

Так точно.

Цитата:
Если СПЕЦИАЛИСТ не отличает внешнюю память данных от внешней памяти программ/данных...

то что?


Вернуться наверх
 
Не в сети
 Заголовок сообщения: Re: Защита входов МК от наводок для DS18B20
СообщениеДобавлено: Чт янв 21, 2021 12:22:41 
Потрогал лапой паяльник
Аватар пользователя

Карма: 1
Рейтинг сообщений: 14
Зарегистрирован: Сб сен 19, 2009 07:02:19
Сообщений: 378
Рейтинг сообщения: 0
...Если СПЕЦИАЛИСТ не отличает внешнюю память данных от внешней памяти программ/данных...
:facepalm:

А я даже благодарен. "Удача любит подготовленных" :-)
Лично мне было очень важно послушать другие мнения. Я, как человек, надеюсь не глупый, всегда сомневаюсь в собственных знаниях. И стараюсь всегда их наращивать. Потому как, только идиот знает "единственно верное решение"

...то что?


Читайте побольше до своих "еб@нутых" заявлений. Тем более, пореже озвучивайте их, пока Вы Сами не будете уверены в их хоть какой-то осмысленности, или научной подтвержденности. Скабрезная фраза, да "ничего личного" здесь уже потерялась имеет место быть, но это уже по тупым американским канонам, от которых мы, надеюсь, скоро избавимся. Никто здесь бизнес построить и не пытается, в отличие от Вас. Вот только чтобы "не выглядеть идиотом", гораздо проще им не быть


Вернуться наверх
 
Не в сети
 Заголовок сообщения: Re: Защита входов МК от наводок для DS18B20
СообщениеДобавлено: Чт янв 21, 2021 12:34:36 
Мудрый кот

Карма: 11
Рейтинг сообщений: 114
Зарегистрирован: Пт июн 01, 2018 07:28:45
Сообщений: 1759
Рейтинг сообщения: 0
Цитата:
заявлений

Я делал какие-то заявления??? Где?


Вернуться наверх
 
Не в сети
 Заголовок сообщения: Re: Защита входов МК от наводок для DS18B20
СообщениеДобавлено: Чт янв 21, 2021 12:41:56 
Сверлит текстолит когтями

Зарегистрирован: Вт ноя 19, 2019 06:10:18
Сообщений: 1269
Рейтинг сообщения: 1
Для развесистых, длинных шин, расположенных в самых нехороших местах. Надеюсь, с выбором кабеля и правильным заземлением сам разберёшься.


Вложения:
Screenshot_277.jpg [74.73 KiB]
Скачиваний: 223
Вернуться наверх
 
Не в сети
 Заголовок сообщения: Re: Защита входов МК от наводок для DS18B20
СообщениеДобавлено: Чт янв 21, 2021 14:29:20 
Друг Кота
Аватар пользователя

Карма: 96
Рейтинг сообщений: 1493
Зарегистрирован: Вт мар 16, 2010 22:02:27
Сообщений: 15304
Откуда: ДОНЕЦК
Рейтинг сообщения: 2
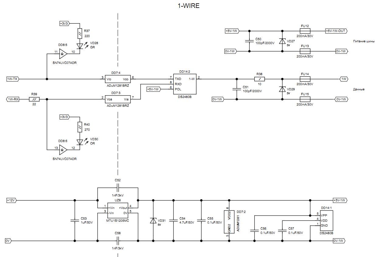
DS2480B
красотулька
:hunger:
но... редкость и кусюча...
:(

parovoZZ писал(а):
...

Цитата:
Если СПЕЦИАЛИСТ не отличает внешнюю память данных от внешней памяти программ/данных...

то что?

Ладно, попробую "на пальцах"...
Совмещенная память программ/данных - обычно применяется в персональных компьютерах, ранних самоделках на основе I8080, Z80, I8086 и в семействе MCS51 (микропроцессорный режим).
На сегодня может также встречаться в АРМ системах-на-кристалле (режим размещения программ в памяти данных - но внутри кристалла).
Наличие только внешней памяти данных не показатель, ибо непосредственное исполнение программы оттуда невозможно.
В остальном давно уже "грани размыты" современными "гибридами", имеющими в своем составе практически все "внешние" аппаратные средства, что ранее обеспечивали работу именно микропроцессоров "в чистом виде".
8)
Отдельно следует отметить "симуляторы МП" - к примеру та же 128я мега (или иной МК) с загруженным интерпретатором кода МП Z80. В этом случае программа, написанная в машинных кодах и необходимые данные находятся во внешнем ОЗУ, а сам МК считывает коды и выполняет соответствующую имитацию действий Z80, которые те коды должны были выполнить.
:tea:


Вернуться наверх
 
Не в сети
 Заголовок сообщения: Re: Защита входов МК от наводок для DS18B20
СообщениеДобавлено: Чт янв 21, 2021 14:48:19 
Мудрый кот

Карма: 11
Рейтинг сообщений: 114
Зарегистрирован: Пт июн 01, 2018 07:28:45
Сообщений: 1759
Рейтинг сообщения: 0
Ну наконец-то.
И что из выше озвученного можно применить к микропроцессору, на котором собран Orange PI Zero, чтобы его можно было считать микроконтроллером, как того хочет shindax:
<...> (а у процессоров <...>

Вы, IMHO, не видите разницы между микроконтроллером и микропроцессором, а она имеет принципиальный характер.


Вот я и поинтересовался про тот принципиальный характер, на основании которого Allwinner H2 можно называть микроконтроллером. В ответ я получил кучу грубости.


Вернуться наверх
 
Не в сети
 Заголовок сообщения: Re: Защита входов МК от наводок для DS18B20
СообщениеДобавлено: Чт янв 21, 2021 14:56:00 
Друг Кота
Аватар пользователя

Карма: 96
Рейтинг сообщений: 1493
Зарегистрирован: Вт мар 16, 2010 22:02:27
Сообщений: 15304
Откуда: ДОНЕЦК
Рейтинг сообщения: 0
Собственно "малинки" и "ардуиноподобные" обладают свойствами "двойственности".
С одной стороны можно относиться к ним как к отдельному МК/МП на платке с дополнительной обвязкой, с другой - как к отдельным СБИС DIP формфактора/простейшим ПК.
У "малинок" собственно и формат побольше и возможности - то уже от подхода к применению зависеть будет.
8)

Кстати...
А к какой категории можно вот это чудо отнести:

"...
Британская организация Raspberry Pi Foundation представила свою первую микроконтроллерную плату Raspberry Pi Pico стоимостью четыре доллара. Более того как утверждает организация, на плате используется собственный микроконтроллер под названием RP2040.

Микроконтроллер изготавливается по технологии 40нм и пока доступен только в корпусе QFN-56 размером 7 × 7 мм. Из периферии на борту RP2040 имеет:

* Двухъядерный Arm Cortex-M0 + @ 133 МГц
* Шесть независимых банков ОЗУ общей емкостью 264 КБ
* Поддержка до 16 МБ внешней флэш-памяти через шину QSPI
* Контроллер DMA
* Интерполятор и периферийные устройства целочисленного делителя
* 30 GPIO, 4 из которых могут использоваться как аналоговые
* 2 × UART, 2 × контроллера SPI и 2 × контроллера I2C
* 16 каналов ШИМ
* 1 × USB 1.1 контроллер и PHY, с поддержкой хоста и устройства
* 8 × конечных автоматов программируемого ввода-вывода (PIO)
* Режим загрузки USB-накопителя с поддержкой UF2, аналогичный тому что используется в микроконтроллерах LPC.

Из доступных средств программирования поддерживается ARM-GCC и MicroPython.
..."

МК, МП, система-на-кристалле или ПК-на-кристалле?
:wink:


Вернуться наверх
 
Не в сети
 Заголовок сообщения: Re: Защита входов МК от наводок для DS18B20
СообщениеДобавлено: Вс янв 24, 2021 04:17:12 
Друг Кота
Аватар пользователя

Карма: 139
Рейтинг сообщений: 2918
Зарегистрирован: Чт янв 10, 2008 22:01:02
Сообщений: 24614
Откуда: Московская область, Фрязино
Рейтинг сообщения: 4
Где и когда Вы видели у Microchip микропроцессоры???

Вообще то они есть. С тех пор, как Атмел прекратил свое существование. Впрочем, есть и SoC процессор с FPGA, купленный вместе с Microsemi.

Добавлено after 21 minute:
как утверждает организация, на плате используется собственный микроконтроллер под названием RP2040.

Это чистой воды микроконтроллер. Никакой двойственности у него нет.
Микропроцессор однозначно имеет внешнюю ШИНУ памяти, даже при наличии встроенной RAM/ROM. Микропроцессоры на сегодняшний день - это фонНейман.
То есть ROM используется лишь для конфигурирования чипа и начальной загрузки ПО в RAM. И поэтому RAM занимает подавляющее адресное пространство реализуемой памяти. И сделано это ровно потому, что основной баг контроллеров - ограниченная скорость флеша. При всех изворотах с кешированием выше 400...450 МГц флеш не прыгает. Далее только RAM.
Другой проблемой МК является подгрузка кода (оверлеи) и просто многократно перезагружаемое в процессе работы ПО. Тут тоже только процессоры.
ЗЫ. Кстати, Cortex-M это микроконтроллерное ядро.


Вернуться наверх
 
Не в сети
 Заголовок сообщения: Re: Защита входов МК от наводок для DS18B20
СообщениеДобавлено: Вс янв 24, 2021 12:47:48 
Друг Кота
Аватар пользователя

Карма: 96
Рейтинг сообщений: 1493
Зарегистрирован: Вт мар 16, 2010 22:02:27
Сообщений: 15304
Откуда: ДОНЕЦК
Рейтинг сообщения: 0
Ограничения скорости встроенного ОЗУ (и самого главного бича флешек - ограниченного количества циклов записи) снимаются при установке на кристалле MRAM памяти.
Там только "внешний накопитель" останется снаружи - аналогия жесткого диска (давно уже микроCD освоенная).
8)


Вернуться наверх
 
Не в сети
 Заголовок сообщения: Re: Защита входов МК от наводок для DS18B20
СообщениеДобавлено: Вс янв 24, 2021 13:17:37 
Друг Кота
Аватар пользователя

Карма: 139
Рейтинг сообщений: 2918
Зарегистрирован: Чт янв 10, 2008 22:01:02
Сообщений: 24614
Откуда: Московская область, Фрязино
Рейтинг сообщения: 0
В обсуждаемом случае ROM на борту ограничен фиксированным функционалом - бутлоадер с внешней QSPI флешкой и набор встроенных функций (типа функций плавучки), которых нет в ядрах. Внешней системной шины для памяти нет.
Нет системы криптования прошивки для защиты кода. Просто в начале работы исполняемый код заливается из внешней флеши в ОЗУ и запускается исполнение.


Вернуться наверх
 
Показать сообщения за:  Сортировать по:  Вернуться наверх
Начать новую тему Ответить на тему  [ Сообщений: 43 ]    , 2,  

Часовой пояс: UTC + 3 часа


Кто сейчас на форуме

Сейчас этот форум просматривают: нет зарегистрированных пользователей и гости: 8


Вы не можете начинать темы
Вы не можете отвечать на сообщения
Вы не можете редактировать свои сообщения
Вы не можете удалять свои сообщения
Вы не можете добавлять вложения

Найти:
Перейти:  


Powered by phpBB © 2000, 2002, 2005, 2007 phpBB Group
Русская поддержка phpBB
Extended by Karma MOD © 2007—2012 m157y
Extended by Topic Tags MOD © 2012 m157y