Например TDA7294

Форум РадиоКот • Просмотр темы - Частотомер
Форум РадиоКот
Здесь можно немножко помяукать :)

Текущее время: Вт дек 30, 2025 16:03:58

Часовой пояс: UTC + 3 часа


ПРЯМО СЕЙЧАС:



Начать новую тему Ответить на тему  [ Сообщений: 22 ]  1,  
Автор Сообщение
Не в сети
 Заголовок сообщения: Частотомер
СообщениеДобавлено: Вс июл 25, 2021 21:25:01 
Прорезались зубы
Аватар пользователя

Карма: 12
Рейтинг сообщений: 16
Зарегистрирован: Пн авг 22, 2011 07:12:06
Сообщений: 247
Откуда: Ставрополь
Рейтинг сообщения: 0
Собрал частотомер по этой схеме-

Изображение

Планирую встроить его в самодельный генератор (20 Гц - 20 кГц), после подачи сигнала с генератора выяснилось, что частотомер отображает измеренную частоту примерно до 3,5 кГц, потом начинаются глюки- индицируемая частота скачет, показывает сотни, десятки герц и т.п. Генератор проверял частотомером мультиметра, генерит во всем диапазоне, никаких срывов нет. Питаю частотомер и генератор от одного блока питания- генератор- от 12 В, частотомер- от этих же 12 В через кренку (5 В на Ардуино, LCD и плату частотомера), пробовал запитывать отдельно от питания генератора (от юсб порта компьютера или пауэрбанка)- все так же, ничего не изменяется.
Заметил так же, что индикация появляется на дисплее не сразу, иногда её долго нет, потом, когда меняешь частоту генератора, или касаешься рукой сигнального провода, она появляется.


Вернуться наверх
 
Не в сети
 Заголовок сообщения: Re: Частотомер
СообщениеДобавлено: Вс июл 25, 2021 21:51:11 
Мудрый кот

Карма: 25
Рейтинг сообщений: 494
Зарегистрирован: Сб май 05, 2012 20:24:52
Сообщений: 1824
Откуда: KN34PC, Болгария
Рейтинг сообщения: 0
Без показа программного кода нет шансов, что Вам кто-то поможет.
Причина может быть любая: от банальной до целиком ошибочной.

в помощь:
Arduino Frequency Counter Library
http://interface.khm.de/index.php/lab/i ... r-library/

FREQUENCIMETRO COM ARDUINO NANO versão 2 (50MHz)
https://www.qsl.net/py2ohh/trx/freqard2/frqard2.html

Рекомендую Ардуино хотя бы с настоящим кварцевым резонатором (есть напр. Arduino Pro-mini с кварц).
Почему бы не с перепаян TCXO. (частично использовал переводчик )


Вернуться наверх
 
Не в сети
 Заголовок сообщения: Re: Частотомер
СообщениеДобавлено: Вс июл 25, 2021 22:29:15 
Потрогал лапой паяльник

Карма: -3
Рейтинг сообщений: 40
Зарегистрирован: Чт апр 29, 2021 16:01:55
Сообщений: 312
Рейтинг сообщения: 0
а R4-C3 - что это ???...(частота среза 500 Гц, если не ошибся)...убрать....программа - другой вопрос...надо делать проверенное...


Вернуться наверх
 
Не в сети
 Заголовок сообщения: Re: Частотомер
СообщениеДобавлено: Вс июл 25, 2021 22:35:52 
Мудрый кот

Карма: 11
Рейтинг сообщений: 114
Зарегистрирован: Пт июн 01, 2018 07:28:45
Сообщений: 1759
Рейтинг сообщения: 0
Таки шо вы хотели от детского конструктора? Шобы он работал как взрослый мальчик?


Вернуться наверх
 
Эиком - электронные компоненты и радиодетали
Не в сети
 Заголовок сообщения: Re: Частотомер
СообщениеДобавлено: Вс июл 25, 2021 23:17:40 
Друг Кота
Аватар пользователя

Карма: 197
Рейтинг сообщений: 8599
Зарегистрирован: Пн ноя 30, 2009 03:00:01
Сообщений: 43173
Откуда: Нерезиновая
Рейтинг сообщения: 0
1-возможны ошибки в коде
2- сделайте нормальный формирователь.. Я в свои частотомеры
Изображение Изображение
и генератор с частотомером:
Изображение
делал формирователь по схеме с третьей страницы этого описания:
https://www.5v.ru/pdf/fc250m.pdf
с изменениями- вместо 554СА3А использовал "половинку" от LM393
номиналы всех резисторов, кроме R6 увеличил в 10 раз..
Работает до 300+ кГц, ТОЧНО, выше частоту мне просто подать не с чего.. :))) :)))

зы.. А генератор у вас по какой схеме сделан?


Таки шо вы хотели от детского конструктора?

А что вы скажете про такую схему?
Изображение Изображение Изображение
А работает вполне так себе нормально, повторяемость- 100%, до 300+кГц "врёт" не более +- 1Гц..


Последний раз редактировалось АлександрЛ Вс июл 25, 2021 23:24:58, всего редактировалось 3 раз(а).

Вернуться наверх
 
Не в сети
 Заголовок сообщения: Re: Частотомер
СообщениеДобавлено: Вс июл 25, 2021 23:19:32 
Прорезались зубы
Аватар пользователя

Карма: 12
Рейтинг сообщений: 16
Зарегистрирован: Пн авг 22, 2011 07:12:06
Сообщений: 247
Откуда: Ставрополь
Рейтинг сообщения: 0
Скетч по ссылке. Библиотеку качал и добавил в Arduino IDE.
https://rcl-radio.ru/?p=42800
Генератор сделан по схеме И. Нечаева
Изображение


Последний раз редактировалось Женек--- Вс июл 25, 2021 23:33:23, всего редактировалось 1 раз.

Вернуться наверх
 
Не в сети
 Заголовок сообщения: Re: Частотомер
СообщениеДобавлено: Вс июл 25, 2021 23:30:14 
Друг Кота
Аватар пользователя

Карма: 197
Рейтинг сообщений: 8599
Зарегистрирован: Пн ноя 30, 2009 03:00:01
Сообщений: 43173
Откуда: Нерезиновая
Рейтинг сообщения: 0
Скетч по ссылке.

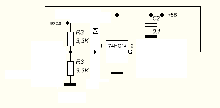
8) А у меня такой "странный" вопрос- а вы питание 5 вольт на 74НС14 подали? :dont_know:
На схеме:
СпойлерИзображение

выводы, на которые надо подавать питание- не подписаны..
И ещё раз- R4 и C3 100500% ЛИШНИЕ, это фильтр НЧ, который срежет весь сигнал выше 500 Гц..

И всё- таки- схема вашего генератора, если не секрет, конечно.. :dont_know:

А куда вы подключаете частотомер?
зы.. А осциллограф у вас есть?


Последний раз редактировалось АлександрЛ Вс июл 25, 2021 23:37:18, всего редактировалось 1 раз.

Вернуться наверх
 
Не в сети
 Заголовок сообщения: Re: Частотомер
СообщениеДобавлено: Вс июл 25, 2021 23:35:54 
Прорезались зубы
Аватар пользователя

Карма: 12
Рейтинг сообщений: 16
Зарегистрирован: Пн авг 22, 2011 07:12:06
Сообщений: 247
Откуда: Ставрополь
Рейтинг сообщения: 0
Питание 5 вольт на 74НС14 ? Ну а как же) Схема генератора- в предыдущем посте.


Последний раз редактировалось Женек--- Вс июл 25, 2021 23:40:39, всего редактировалось 1 раз.

Вернуться наверх
 
Не в сети
 Заголовок сообщения: Re: Частотомер
СообщениеДобавлено: Вс июл 25, 2021 23:39:17 
Друг Кота
Аватар пользователя

Карма: 197
Рейтинг сообщений: 8599
Зарегистрирован: Пн ноя 30, 2009 03:00:01
Сообщений: 43173
Откуда: Нерезиновая
Рейтинг сообщения: 0
СпойлерИсправьте (отредактируйте) ваше сообщение- вы нарушаете правила-
https://radiokot.ru/forum/viewtopic.php?f=19&t=6538
Цитата:
2.7 Запрещается бездумное вложенное цитирование, цитирование огромных объёмов текста без сокрытия его под спойлер, а так же полное, бессмысленное цитирование предыдущего поста.

Меня за это уже несколько раз банили!!
А лучше, нажимать не кнопочку "цитата" справа, а кнопочку "ответить" слева!

Во!!
Изображение

Так куда вы частотомер подключаете?

Только это не совсем "схема Нечаева", это просто генератор с мостом Вина

Я похожий делал, только на 174УН14-
Изображение
Конденсаторы 15н определяют диапазон - переключателем они меняются на х10 раз и /10 раз..


Последний раз редактировалось АлександрЛ Вс июл 25, 2021 23:55:33, всего редактировалось 1 раз.

Вернуться наверх
 
Не в сети
 Заголовок сообщения: Re: Частотомер
СообщениеДобавлено: Вс июл 25, 2021 23:43:14 
Прорезались зубы
Аватар пользователя

Карма: 12
Рейтинг сообщений: 16
Зарегистрирован: Пн авг 22, 2011 07:12:06
Сообщений: 247
Откуда: Ставрополь
Рейтинг сообщения: 0
Частотомер подключаю к "Вых.1" (R9 ) генератора. Осциллографа у меня нет.


Вернуться наверх
 
Не в сети
 Заголовок сообщения: Re: Частотомер
СообщениеДобавлено: Вс июл 25, 2021 23:57:19 
Собутыльник Кота

Карма: 14
Рейтинг сообщений: 472
Зарегистрирован: Вс фев 02, 2020 09:12:37
Сообщений: 2804
Рейтинг сообщения: 0
С3 просто выпаять...


Вернуться наверх
 
Не в сети
 Заголовок сообщения: Re: Частотомер
СообщениеДобавлено: Пн июл 26, 2021 00:02:47 
Друг Кота
Аватар пользователя

Карма: 197
Рейтинг сообщений: 8599
Зарегистрирован: Пн ноя 30, 2009 03:00:01
Сообщений: 43173
Откуда: Нерезиновая
Рейтинг сообщения: 0
Частотомер подключаю к "Вых.1"

Это правильно
Осциллографа ... нет.

Это неправильно... :))) :)))
Я себе вот такой купил:
https://aliexpress.ru/item/1005001844867442.html
и был даже несколько удивлён возможностями этой игрушки..
Конечно, "200 кГц" это китайцы пошутили, он после 67 кГц из прямоугольника уже какой- то "ко-синус" :))) :))) делает, но на более низких частотах ведёт себя вполне неплохо..

зы.. Попробуйте из схемы формирователя выкинуть лишнее-
Изображение
Тот формирователь, что вы использовали, предназначен для УСИЛЕНИЯ и формирования сигнала, а у вас уже сигнал "усилен" вам его только правильно "ограничить" надо:

зы.. В принципе, 74НС14 можно вообще убрать, оставить только резисторы и диодик, можно даже два - второй от входа микросхемы на "землю"..


Вложения:
формирователь.png [5.68 KiB]
Скачиваний: 2290


Последний раз редактировалось АлександрЛ Пн июл 26, 2021 00:16:17, всего редактировалось 1 раз.
Вернуться наверх
 
Не в сети
 Заголовок сообщения: Re: Частотомер
СообщениеДобавлено: Пн июл 26, 2021 00:12:06 
Прорезались зубы
Аватар пользователя

Карма: 12
Рейтинг сообщений: 16
Зарегистрирован: Пн авг 22, 2011 07:12:06
Сообщений: 247
Откуда: Ставрополь
Рейтинг сообщения: 0
АлександрЛ, вместо R4 на схеме частотомера поставить перемычку?


Вернуться наверх
 
Не в сети
 Заголовок сообщения: Re: Частотомер
СообщениеДобавлено: Пн июл 26, 2021 00:17:43 
Друг Кота
Аватар пользователя

Карма: 197
Рейтинг сообщений: 8599
Зарегистрирован: Пн ноя 30, 2009 03:00:01
Сообщений: 43173
Откуда: Нерезиновая
Рейтинг сообщения: 0
вместо R4 на схеме поставить перемычку?

Можно и перемычку.. А можно просто R4 оставить, от него толку мало..


Вернуться наверх
 
Не в сети
 Заголовок сообщения: Re: Частотомер
СообщениеДобавлено: Пн июл 26, 2021 14:24:35 
Друг Кота
Аватар пользователя

Карма: 96
Рейтинг сообщений: 1494
Зарегистрирован: Вт мар 16, 2010 22:02:27
Сообщений: 15333
Откуда: ДОНЕЦК
Рейтинг сообщения: 0
Для проверки частотомера можно сделать тестовый генератор на другой адуринке.
Используем функцию tone() и ловим меандр размахом в источник питания на соответствующем выводе.
Да и измерительную часть можно самостоятельно набросать (функция PulseIn() в помощ...
:roll:


Вернуться наверх
 
Не в сети
 Заголовок сообщения: Re: Частотомер
СообщениеДобавлено: Пн июл 26, 2021 18:22:10 
Прорезались зубы
Аватар пользователя

Карма: 12
Рейтинг сообщений: 16
Зарегистрирован: Пн авг 22, 2011 07:12:06
Сообщений: 247
Откуда: Ставрополь
Рейтинг сообщения: 0
Спойлер
Для проверки частотомера можно сделать тестовый генератор на другой адуринке.
Используем функцию tone() и ловим меандр размахом в источник питания на соответствующем выводе.
Да и измерительную часть можно самостоятельно набросать (функция PulseIn() в помощ...
:roll:

Спасибо, но другой "адуринки" нет под рукой... да и генератор уже есть, буду с ним содействовать)). В ближайшее время займусь доработкой формирователя по рекомендациям уважаемого АлександраЛ, отпишусь по результатам.

Добавлено after 1 hour 27 minutes:
Отписываюсь- убрал транзистор с обвязкой, вход частотомера подключил к выводу 1 микросхемы через конденсатор 0,01 (С1), а С3 убрал. Теперь при включении частотомера индикация появляется гораздо быстрее, чем раньше, индицируемая частота перекрывает весь диапазон генератора и соответствует показаниям частотомера мультиметра. Правда, все равно временами наблюдаются глюки (индикация частоты срывается, показания становятся ложными (вместо 15 кГц начинает показывать 180 Гц и т.п.).


Вернуться наверх
 
Не в сети
 Заголовок сообщения: Re: Частотомер
СообщениеДобавлено: Пн июл 26, 2021 20:54:17 
Собутыльник Кота

Карма: 14
Рейтинг сообщений: 472
Зарегистрирован: Вс фев 02, 2020 09:12:37
Сообщений: 2804
Рейтинг сообщения: 0
Изображение


Вернуться наверх
 
Не в сети
 Заголовок сообщения: Re: Частотомер
СообщениеДобавлено: Пн июл 26, 2021 21:29:11 
Прорезались зубы
Аватар пользователя

Карма: 12
Рейтинг сообщений: 16
Зарегистрирован: Пн авг 22, 2011 07:12:06
Сообщений: 247
Откуда: Ставрополь
Рейтинг сообщения: 0
1en2, спасибо за схему, обязательно соберу предлагаемый Вами вариант. Какие диоды применить в этой схеме, 1n4148 подойдут?


Вернуться наверх
 
Не в сети
 Заголовок сообщения: Re: Частотомер
СообщениеДобавлено: Пн июл 26, 2021 23:04:25 
Друг Кота
Аватар пользователя

Карма: 197
Рейтинг сообщений: 8599
Зарегистрирован: Пн ноя 30, 2009 03:00:01
Сообщений: 43173
Откуда: Нерезиновая
Рейтинг сообщения: 0
Какие диоды применить в этой схеме, 1n4148 подойдут?

В этой схеме особо не важно, какие диоды, они просто должны быть..
Но проблема в том, что у вас выход с генератора не 0~5 вольт, а немного больше, я так подозреваю, что 1~10 вольт :))

Вот в этой схеме:
Изображение
на мой взгляд, 470 кОм это МНОГО, 22 кОм это МАЛО, а 1 кОм нафиг не нужен.. :dont_know:


Вернуться наверх
 
Не в сети
 Заголовок сообщения: Re: Частотомер
СообщениеДобавлено: Вт июл 27, 2021 02:18:12 
Собутыльник Кота

Карма: 14
Рейтинг сообщений: 472
Зарегистрирован: Вс фев 02, 2020 09:12:37
Сообщений: 2804
Рейтинг сообщения: 0
Для КМОП-входа 470К роли не играют, меняется только входное сопротивление частотомера, 22К - это 1/10 от входного сопротивления, чтобы не терять в чувствительности и ограничивает ток защитных 1N4148, если частотомер воткнуть в розетку....)))
1К ограничивает ток защитных диодов в микросхеме, которые особо не нормируются на большие мА...если 1К убрать, то неизвестно, куда лишний ток пойдёт : через внешние диоды или через внутренние....
При питании генератора от +12 амплитуда его сигнала может быть до 5 В, а не до 10....
Если ампл. сигнала не превышает 2 В, то защиты входа не нужны...но практически лучше, если не надо думать о том, куда полезешь мерять низкую частоту, тут защиту иметь удобнее...НО, такая диодная защита работает только в том случае, если ток потребления по +5 В больше тока через вход...для случая подачи на вход 220 В, это надо иметь потребления больше 10 мА (резистор 470 Ом по +5) или ставить стабилитрон 5V1...Можно вместо двух диодов поставить защитный стабилитрон по входу микросхемы 4V7-5V1...


Вернуться наверх
 
Показать сообщения за:  Сортировать по:  Вернуться наверх
Начать новую тему Ответить на тему  [ Сообщений: 22 ]  1,  

Часовой пояс: UTC + 3 часа


Кто сейчас на форуме

Сейчас этот форум просматривают: нет зарегистрированных пользователей и гости: 9


Вы не можете начинать темы
Вы не можете отвечать на сообщения
Вы не можете редактировать свои сообщения
Вы не можете удалять свои сообщения
Вы не можете добавлять вложения

Найти:
Перейти:  


Powered by phpBB © 2000, 2002, 2005, 2007 phpBB Group
Русская поддержка phpBB
Extended by Karma MOD © 2007—2012 m157y
Extended by Topic Tags MOD © 2012 m157y