Например TDA7294

Форум РадиоКот • Просмотр темы - Ремонт панели управления вытяжкой.
Форум РадиоКот
Здесь можно немножко помяукать :)

Текущее время: Сб дек 20, 2025 15:02:13

Часовой пояс: UTC + 3 часа


ПРЯМО СЕЙЧАС:



Начать новую тему Ответить на тему  [ Сообщений: 18 ] 
Автор Сообщение
Не в сети
 Заголовок сообщения: Ремонт панели управления вытяжкой.
СообщениеДобавлено: Пн фев 28, 2022 13:24:52 
Первый раз сказал Мяу!
Аватар пользователя

Зарегистрирован: Ср авг 08, 2012 20:22:11
Сообщений: 28
Откуда: Красноярск
Рейтинг сообщения: 0
Доброго времени суток уважаемые коллеги!

У меня дома сломалась вытяжка.
Ну думаю, посмотрю че там произошло...

Посмотрел, заменил электролит после трансформатора, потом аналог 7805, и понял что проц (Atmega88) приказал долго жить.

Ладно, пересадил из ардуино нано проц, ну и принялся писать прогу....

Но вот засада, сенсорные кнопки опрашиваются с помощью WTC6508BSI, процессор опрашивает эту микросхему используя интерфейс SDA, SCLK.

Я не великий спец, поэтому в терминах могу путаться. Уж простите.

Суть проблемы в том что у меня при опросе драйвера кнопок летит какой то мусор, или помехи, я не знаю.

Вот даташит на схему
https://datasheetspdf.com/pdf-file/7668 ... C6508BSI/1


Скетч прикрепляю.

Благодарю за внимание!


Вложения:
Вытяжка.txt [5.03 KiB]
Скачиваний: 182
Вернуться наверх
 
Не в сети
 Заголовок сообщения: Re: Ремонт панели управления вытяжкой.
СообщениеДобавлено: Пн фев 28, 2022 16:00:26 
Модератор
Аватар пользователя

Карма: 90
Рейтинг сообщений: 1432
Зарегистрирован: Чт мар 18, 2010 23:09:57
Сообщений: 4594
Откуда: Планета Земля
Рейтинг сообщения: 0
Медали: 1
Получил миской по аватаре (1)
СпойлерИзображение
Вложение:
2022-02-28_15-58-36.png [6.98 KiB]
Скачиваний: 327
Шутники ... :)))


Вернуться наверх
 
Не в сети
 Заголовок сообщения: Re: Ремонт панели управления вытяжкой.
СообщениеДобавлено: Пн фев 28, 2022 19:14:54 
Первый раз сказал Мяу!
Аватар пользователя

Зарегистрирован: Ср авг 08, 2012 20:22:11
Сообщений: 28
Откуда: Красноярск
Рейтинг сообщения: 0
СпойлерИзображение
Вложение:
2022-02-28_15-58-36.png
Шутники ... :)))

Я и сам люблю посмеяться, но скажите, что вас так насмешило?
То что я пытаюсь через uart смотреть что происходит внутри МК?
Так вроде все так делают...

По делу есть чего?


Вернуться наверх
 
Не в сети
 Заголовок сообщения: Re: Ремонт панели управления вытяжкой.
СообщениеДобавлено: Пн фев 28, 2022 19:36:46 
Модератор
Аватар пользователя

Карма: 90
Рейтинг сообщений: 1432
Зарегистрирован: Чт мар 18, 2010 23:09:57
Сообщений: 4594
Откуда: Планета Земля
Рейтинг сообщения: 0
Медали: 1
Получил миской по аватаре (1)
skleptik писал(а):
То что я пытаюсь через uart смотреть что происходит внутри МК?
Так вроде все так делают...
Не говорите за всех.
То, что происходит внутри МК, нужно смотреть не через UART, а отладчиком, который для этого специально существует.
Или считаете, что UART выплюнет данные за мгновение ? Вы осознаёте, куда воткнули эти строки и каковы их последствия ?

skleptik писал(а):
По делу есть чего?
Конечно есть.
Вы изобретаете велик. Причём, с квадратными колёсами. Аппаратный I2C есть в любом МК. Зачем Вам это ногодрыганье ?


Вернуться наверх
 
Эиком - электронные компоненты и радиодетали
В сети
 Заголовок сообщения: Re: Ремонт панели управления вытяжкой.
СообщениеДобавлено: Пн фев 28, 2022 20:21:12 
Друг Кота
Аватар пользователя

Карма: 96
Рейтинг сообщений: 1493
Зарегистрирован: Вт мар 16, 2010 22:02:27
Сообщений: 15301
Откуда: ДОНЕЦК
Рейтинг сообщения: 0
Для адуринки просмотр контрольных данных через UART - классический прием диагностики.
Сам таковым приемом пользуюсь (помимо симулятора ардуино).
Только вот пользоваться им надо разумно - учитывать что передача тоже время занимает.
8)
Насчет даташита - мне скачать не удалось.
Однако там в принципе любой вариант емкостного сенсора может подойти. Как матричный так и из единичных автономных кнопках.
:roll:


Вернуться наверх
 
Не в сети
 Заголовок сообщения: Re: Ремонт панели управления вытяжкой.
СообщениеДобавлено: Вт мар 01, 2022 05:23:06 
Первый раз сказал Мяу!
Аватар пользователя

Зарегистрирован: Ср авг 08, 2012 20:22:11
Сообщений: 28
Откуда: Красноярск
Рейтинг сообщения: 0
skleptik писал(а):
То что я пытаюсь через uart смотреть что происходит внутри МК?
Так вроде все так делают...
Не говорите за всех.
То, что происходит внутри МК, нужно смотреть не через UART, а отладчиком, который для этого специально существует.
Или считаете, что UART выплюнет данные за мгновение ? Вы осознаёте, куда воткнули эти строки и каковы их последствия ?

skleptik писал(а):
По делу есть чего?
Конечно есть.
Вы изобретаете велик. Причём, с квадратными колёсами. Аппаратный I2C есть в любом МК. Зачем Вам это ногодрыганье ?

Дело в том что плата уже разведена, причем не мною. А производителем устройства, и аппаратный i2c живет на других ногах.
Мой уровень программирования не так высок как мне хотелось бы, иначе я не смешил бы на форуме людей.
Serial.print закоментировать 2 секунды делов. И поверьте, ничего не поменяется. Я специально добавил что бы посмотреть что творится с битами.

Раз уж вы написали про отладчик... Я сам прекрасно знаю. Есть небольшой опыт работы с kotlin под android, и mplab когда то пытался осваивать. Там все круто в этом плане. А с атмылом в какой программе работать я не понимаю. Порекомендуйте пожалуйста. Ардуино иде конечно же ужасна для работы. Но и в ней люди умудряются вещи делать.
BOB51 писал(а):
Для адуринки просмотр контрольных данных через UART - классический прием диагностики.
Сам таковым приемом пользуюсь (помимо симулятора ардуино).
Только вот пользоваться им надо разумно - учитывать что передача тоже время занимает.
8)
Насчет даташита - мне скачать не удалось.
Однако там в принципе любой вариант емкостного сенсора может подойти. Как матричный так и из единичных автономных кнопках.
:roll:

Когда дело доходит до всяких i2c или чего хуже их подобий, я начинаю гавкать на устройство :kill:
Если я открываю этот даташит чере телефон, то он напрочь виснет... Я хз почему, а через компьютер даже пдф скачал. Сейчас добавлю сюда.


Вложения:
WTC6508BSI_WINCOM.pdf [534.46 KiB]
Скачиваний: 415
Вернуться наверх
 
В сети
 Заголовок сообщения: Re: Ремонт панели управления вытяжкой.
СообщениеДобавлено: Вт мар 01, 2022 09:52:05 
Друг Кота
Аватар пользователя

Карма: 96
Рейтинг сообщений: 1493
Зарегистрирован: Вт мар 16, 2010 22:02:27
Сообщений: 15301
Откуда: ДОНЕЦК
Рейтинг сообщения: 0
Судя по диаграммам там аппаратный I2C может не пойти...
:roll:
Не нужно контейнер гнать на вполне работоспособную IDE!
Работаем а рамках, предоставленных рефересом при подходе к платке (платформе) как к DIP микросборке с "черным ящиком" под С++ /СИ - основной подход.
Помимо того есть и еще несколько вариантов для "глубококопателей".
8)


Вернуться наверх
 
Не в сети
 Заголовок сообщения: Re: Ремонт панели управления вытяжкой.
СообщениеДобавлено: Вт мар 01, 2022 16:12:47 
Первый раз сказал Мяу!
Аватар пользователя

Зарегистрирован: Ср авг 08, 2012 20:22:11
Сообщений: 28
Откуда: Красноярск
Рейтинг сообщения: 0
Судя по диаграммам там аппаратный I2C может не пойти...
:roll:
Не нужно контейнер гнать на вполне работоспособную IDE!
Работаем а рамках, предоставленных рефересом при подходе к платке (платформе) как к DIP микросборке с "черным ящиком" под С++ /СИ - основной подход.
Помимо того есть и еще несколько вариантов для "глубококопателей".
8)

Да я не гоню, что вы. Думаю для многих ардуина могла быть точкой входа в МК.

Вот что я вижу. На приборе SCLK сигнал, прибор одноканальный. Надо логический анализатор цеплять или другой осцилоскоп из гаража тащить.

Изображение Изображение


Вернуться наверх
 
Не в сети
 Заголовок сообщения: Re: Ремонт панели управления вытяжкой.
СообщениеДобавлено: Ср мар 02, 2022 10:32:26 
Первый раз сказал Мяу!
Аватар пользователя

Зарегистрирован: Ср авг 08, 2012 20:22:11
Сообщений: 28
Откуда: Красноярск
Рейтинг сообщения: 0
Кстати, я тут подумал.... А может быть эта микросхема сдохла так же как процессор? Питание то общее у них....
А я её труп палочкой тыкаю...

Надо подумать как от неё избавиться.


Вернуться наверх
 
В сети
 Заголовок сообщения: Re: Ремонт панели управления вытяжкой.
СообщениеДобавлено: Ср мар 02, 2022 12:43:36 
Друг Кота
Аватар пользователя

Карма: 96
Рейтинг сообщений: 1493
Зарегистрирован: Вт мар 16, 2010 22:02:27
Сообщений: 15301
Откуда: ДОНЕЦК
Рейтинг сообщения: 0
Из ардуинкина "ширпотреба" есть как одиночные кнопы на основе TTP223
Вложение:
TTP223_proto.pdf [214.17 KiB]
Скачиваний: 131

https://img.radiokot.ru/files/20529/286589ggbo.jpg
проверенные на практике.,
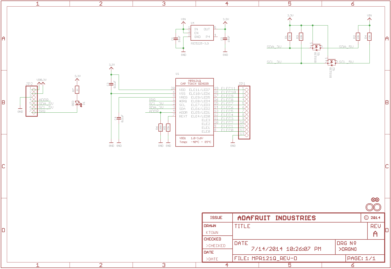
так и "более универсальные" контроллеры типа MPR121
Вложение:
MPR121_NXP.pdf [379.91 KiB]
Скачиваний: 209

в варианте платки от адафрут
https://img.radiokot.ru/files/20529/2kj0x06fay.png
https://img.radiokot.ru/files/20529/2kj0x1fckc.jpg
Эту не пробовал пока...
Тогда уж проще заново схемку разрисовать и под нее прожку нашкарябать...
:roll:


Вернуться наверх
 
Не в сети
 Заголовок сообщения: Re: Ремонт панели управления вытяжкой.
СообщениеДобавлено: Ср мар 02, 2022 13:33:04 
Друг Кота
Аватар пользователя

Карма: 123
Рейтинг сообщений: 7959
Зарегистрирован: Сб сен 13, 2014 16:27:32
Сообщений: 39199
Откуда: СпиртоГонск созвездия Омега
Рейтинг сообщения: 0
глячнул даташ на C6508BSI/
там даде код опроса предложен вот тока сама ципка редкая весма если подохла вешайся попала мне като скоромуливарка с сенсорной панелкой на таком ка чуял где жопа... вобшем подохло оно там хот сам мк и экран был вроде жиф даж пытался чето выводить.. пошла на мусорку и на доноства хорошего такого транса

_________________
ZМудрость(Опыт и выдержка) приходит с годами.
Все Ваши беды и проблемы, от недостатка знаний.
Умный и у дурака научится, а дураку и ..
Алберт Ейнштейн не поможет и ВВП не спасет.и МЧС опаздает


Вернуться наверх
 
Не в сети
 Заголовок сообщения: Re: Ремонт панели управления вытяжкой.
СообщениеДобавлено: Ср мар 02, 2022 21:17:00 
Первый раз сказал Мяу!
Аватар пользователя

Зарегистрирован: Ср авг 08, 2012 20:22:11
Сообщений: 28
Откуда: Красноярск
Рейтинг сообщения: 0
Последний раз ныряю!

Подцепился логическим анализатором, для полноты картины.
3 сета с разной длинною паузы на SCLK.
на SDA что то не понятное...

Буду видимо покупать ардуиносовместимое что нибудь. и подгонять под нужды.


Вложения:
Logik.rar [27.72 KiB]
Скачиваний: 332
Вернуться наверх
 
Не в сети
 Заголовок сообщения: Re: Ремонт панели управления вытяжкой.
СообщениеДобавлено: Ср мар 23, 2022 20:02:06 
Первый раз сказал Мяу!
Аватар пользователя

Зарегистрирован: Ср авг 08, 2012 20:22:11
Сообщений: 28
Откуда: Красноярск
Рейтинг сообщения: 0
Если вдруг кому интересно, чем закончилось.

Я плюнул на эти дебильные кнопки с китайской и/или дохлой микросхемой.

И прилепил ИК пульт от не менее китайской магнитолы, благо приемник имелся в наличии как и пульт.

Теперь прибор включается от ПДУ. Так даже удобнее стало :)))

Если кому интересно скетч в закрепе.

Да, и есть вопрос, стоит мне добавить звук, например в программу приема сигнала с пульта, в любое место.
Как после воспроизведения звука выполнение программы прекращается, но звук при этом звучит как положенно...

Строка 80 где звук все портит


Вложения:
ElicaControlPanel.rar [1.98 KiB]
Скачиваний: 239
Вернуться наверх
 
Не в сети
 Заголовок сообщения: Re: Ремонт панели управления вытяжкой.
СообщениеДобавлено: Чт мар 24, 2022 12:28:41 
Открыл глаза

Зарегистрирован: Пт ноя 11, 2016 09:17:49
Сообщений: 66
Рейтинг сообщения: 0
В код библиотек лезть смотреть это всё лень, но очевидно же что дело в задержках, непонятно как работает функция tone еще (там свои какие то задержки наверняка). Я бы чтобы не разббираться что там и как работает, сделал бы пишалку через флаги запросов а сами звуки где то в прерывании таймера или же таймер без delay в фоновом цикле (loop) c комбинацией конечного автомата.


Вернуться наверх
 
Не в сети
 Заголовок сообщения: Re: Ремонт панели управления вытяжкой.
СообщениеДобавлено: Сб мар 26, 2022 14:40:20 
Опытный кот
Аватар пользователя

Карма: -2
Рейтинг сообщений: -23
Зарегистрирован: Сб окт 22, 2016 17:33:32
Сообщений: 760
Откуда: кг
Рейтинг сообщения: 0
Код:
void Snd_ReadOK() {  // звук ОК
  for (int i = 400; i < 6000; i += i >> 1) {
    tone(speakerPin, i, 10);
  }
  noTone(speakerPin);
}

У вас, наверное, и 1-й вариант заработал бы, если правильно SDA проинициализировать.
Код:
byte read_key_data(void) {
  pinMode(SDA, INPUT_PULLUP);
  digitalWrite(SDA, HIGH);
....

А в
Код:
void setSensiv(byte sens) {
  pinMode(SDA, OUTPUT);
....
включать его на вывод.


Вернуться наверх
 
Не в сети
 Заголовок сообщения: Re: Ремонт панели управления вытяжкой.
СообщениеДобавлено: Вс мар 27, 2022 09:54:58 
Первый раз сказал Мяу!
Аватар пользователя

Зарегистрирован: Ср авг 08, 2012 20:22:11
Сообщений: 28
Откуда: Красноярск
Рейтинг сообщения: 0
Теперь уже меня вариант с пультом полностью удовлетворяет.
Я починил вывод звука, просто добавив в конце цикла
эту команду

irReciver.enableIRIn(); // запускаем приём
delay(100);

И еще на кнопки 1,2,3 сделал 10, 20 и 30 минут время работы таймера.

Ковыряние с сенсорными кнопками, уже рассматривается как пустая трата времени.
Лучшее, враг хорошего.


Вернуться наверх
 
Не в сети
 Заголовок сообщения: Re: Ремонт панели управления вытяжкой.
СообщениеДобавлено: Ср мар 15, 2023 23:50:32 
Первый раз сказал Мяу!

Зарегистрирован: Сб апр 18, 2020 04:21:54
Сообщений: 34
Откуда: Калининград
Рейтинг сообщения: 0
тоже приказала долго жить сенсорная панель. я так понял что запустить сенсорные кнопки не получилось?


Вернуться наверх
 
Не в сети
 Заголовок сообщения: Re: Ремонт панели управления вытяжкой.
СообщениеДобавлено: Пн мар 27, 2023 08:48:03 
Первый раз сказал Мяу!

Зарегистрирован: Сб апр 18, 2020 04:21:54
Сообщений: 34
Откуда: Калининград
Рейтинг сообщения: 0
Не работает, сыпется мусор с ir в мониторе порта, код кнопок пульта смотрел с сesp8266, ардуинки нет под рукой


Вернуться наверх
 
Показать сообщения за:  Сортировать по:  Вернуться наверх
Начать новую тему Ответить на тему  [ Сообщений: 18 ] 

Часовой пояс: UTC + 3 часа


Кто сейчас на форуме

Сейчас этот форум просматривают: нет зарегистрированных пользователей и гости: 9


Вы не можете начинать темы
Вы не можете отвечать на сообщения
Вы не можете редактировать свои сообщения
Вы не можете удалять свои сообщения
Вы не можете добавлять вложения

Найти:
Перейти:  


Powered by phpBB © 2000, 2002, 2005, 2007 phpBB Group
Русская поддержка phpBB
Extended by Karma MOD © 2007—2012 m157y
Extended by Topic Tags MOD © 2012 m157y