Например TDA7294

Форум РадиоКот • Просмотр темы - Двухполярное питание
Форум РадиоКот
Здесь можно немножко помяукать :)

Текущее время: Ср дек 17, 2025 06:49:40

Часовой пояс: UTC + 3 часа


ПРЯМО СЕЙЧАС:



Начать новую тему Ответить на тему  [ Сообщений: 39 ]  1,  
Автор Сообщение
Не в сети
 Заголовок сообщения: Двухполярное питание
СообщениеДобавлено: Вт дек 02, 2025 20:08:14 
Первый раз сказал Мяу!
Аватар пользователя

Зарегистрирован: Сб май 04, 2013 14:01:23
Сообщений: 28
Рейтинг сообщения: 0
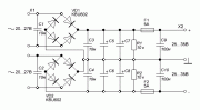
Добрый вечер коты. Имеется трансформатор двухполярный. Сильно не бейте за картинку. Хочу сделать двухполярку, например для NE5532. Так сказать, для испытаний на коленке. Регулировка силы тока и напряжения обеспечивается на DPS5020. Фильтр выдран из какого-то усилителя. Трансформатор подобный как на картинке. Только я переделал его с выводом общей точки (перемотал) Собственно вопросы.

1. Модуль по факту однополярный. При таком подключении будет ли регулировка силы тока и напряжения? Между крайними точками. И между крайними точками и общим выводом.
2. Надо ли заземлять трансформатор на общую землю. Розетка, транс, корпус. Корпус металл?
3. Надо ли кидать общую точку на землю?
4. И самое главное. Какие недочеты?


Огромное спасибо кто ответит. В основном все делал на однополярных трансформаторах. А тут хочу сделать двухполярный уже. Ну как обычно из г...на и палок :)))

Изображение Изображение


Вернуться наверх
 
Не в сети
 Заголовок сообщения: Re: Двухполярное питание
СообщениеДобавлено: Вт дек 02, 2025 20:25:35 
Поставщик валерьянки для Кота

Карма: 1
Рейтинг сообщений: 149
Зарегистрирован: Пт дек 03, 2010 10:52:25
Сообщений: 2197
Рейтинг сообщения: 0
Надо разделить обмотки, сделать 2 отдельных выпрямителя , добавить 2 модуль стабилизации .А на выходе уже соединить -35 с +35 это будет общая точка .
Но не факт что модуль выдержит 70 в


Вернуться наверх
 
Не в сети
 Заголовок сообщения: Re: Двухполярное питание
СообщениеДобавлено: Вт дек 02, 2025 20:26:14 
Первый раз сказал Мяу!
Аватар пользователя

Зарегистрирован: Сб май 04, 2013 14:01:23
Сообщений: 28
Рейтинг сообщения: 0
Надо разделить обмотки, сделать 2 отдельных выпрямителя , добавить 2 модуль стабилизации .А на выходе уже соединить -35 с +35 это будет общая точка .
Но не факт что модуль выдержит 70 в



модуль максимум на 50в 20а
вопрос? зачем 2 модуль стабилизации? Регулировать каждое плечо по отдельности?


Вернуться наверх
 
Не в сети
 Заголовок сообщения: Re: Двухполярное питание
СообщениеДобавлено: Вт дек 02, 2025 20:39:07 
Друг Кота
Аватар пользователя

Карма: 59
Рейтинг сообщений: 2218
Зарегистрирован: Чт янв 26, 2012 16:44:29
Сообщений: 19545
Откуда: Таксимо
Рейтинг сообщения: 0
Дополнительно параллельно выходу каждого диод шоттки вверх ногами

_________________
Мои поставщики запчастей с отличной репутацией
texnomag.ru
radioremont.com
pl-1.org
4ip.info
elitan.ru


Вернуться наверх
 
Эиком - электронные компоненты и радиодетали
Не в сети
 Заголовок сообщения: Re: Двухполярное питание
СообщениеДобавлено: Вт дек 02, 2025 20:41:44 
Первый раз сказал Мяу!
Аватар пользователя

Зарегистрирован: Сб май 04, 2013 14:01:23
Сообщений: 28
Рейтинг сообщения: 0
Дополнительно параллельно выходу каждого диод шоттки вверх ногами


на выходе с фильтра или понижающей платы?


Вернуться наверх
 
Не в сети
 Заголовок сообщения: Re: Двухполярное питание
СообщениеДобавлено: Вт дек 02, 2025 20:46:25 
Опытный кот

Карма: 2
Рейтинг сообщений: 105
Зарегистрирован: Пт ноя 22, 2024 14:08:43
Сообщений: 854
Рейтинг сообщения: 0
Витек_28 писал(а):
вопрос? зачем 2 модуль стабилизации?

при раздельном питании 25 В на входе двух раздельных модулей будет по 35 В, что в допуске....выходы двух модулей можно будет соединить последовательно для получения "средней" точки (т.е. как отдельные батарейки соединяют)


Вернуться наверх
 
Не в сети
 Заголовок сообщения: Re: Двухполярное питание
СообщениеДобавлено: Вт дек 02, 2025 20:48:23 
Первый раз сказал Мяу!
Аватар пользователя

Зарегистрирован: Сб май 04, 2013 14:01:23
Сообщений: 28
Рейтинг сообщения: 0
Витек_28 писал(а):
вопрос? зачем 2 модуль стабилизации?

при раздельном питании 25 В на входе двух раздельных модулей будет по 35 В, что в допуске....выходы двух модулей можно будет соединить последовательно для получения "средней" точки (т.е. как отдельные батарейки соединяют)


Простите. А зачем? С трансформатора выведена уже средняя точка. Тогда не проще 2 диодных моста поставить?


Вернуться наверх
 
Не в сети
 Заголовок сообщения: Re: Двухполярное питание
СообщениеДобавлено: Вт дек 02, 2025 20:52:13 
Опытный кот

Карма: 2
Рейтинг сообщений: 105
Зарегистрирован: Пт ноя 22, 2024 14:08:43
Сообщений: 854
Рейтинг сообщения: 0
просто не существует (особенно у тебя) имп. модуля стабилизации для отрицательного питания....если бы был, то можно было бы обойтись трансформатором со средней точкой и двумя разными модулями стабилизации...
----------
да, разделишь обмотки, поставишь два моста, два стабилизатора, получишь две независимые батарейки, их соединяй последовательно на выходе...


Вернуться наверх
 
Не в сети
 Заголовок сообщения: Re: Двухполярное питание
СообщениеДобавлено: Вт дек 02, 2025 20:55:40 
Первый раз сказал Мяу!
Аватар пользователя

Зарегистрирован: Сб май 04, 2013 14:01:23
Сообщений: 28
Рейтинг сообщения: 0
просто не существует (особенно у тебя) имп. модуля стабилизации для отрицательного питания....если бы был, то можно было бы обойтись трансформатором со средней точкой и двумя разными модулями стабилизации...



Простите. Просто я маленько не понимаю. То есть в однополярном режиме оно работать будет. А в двухполярном как на картинке не будет как я понимаю

Что то вроде этого? Только + еще один такой модуль?
Изображение


Вернуться наверх
 
Не в сети
 Заголовок сообщения: Re: Двухполярное питание
СообщениеДобавлено: Вт дек 02, 2025 21:00:40 
Опытный кот

Карма: 2
Рейтинг сообщений: 105
Зарегистрирован: Пт ноя 22, 2024 14:08:43
Сообщений: 854
Рейтинг сообщения: 0
если не сгорит от 70 В входного сразу, то в теории в однополярном режиме могло бы работать....общая точка трансформаторной обмотки на выходе не нужна, т.к. не имеет смысла...

Добавлено after 59 seconds:
Krismi70 писал(а):
их соединяй последовательно на выходе...

Изображение


Последний раз редактировалось Krismi70 Вт дек 02, 2025 21:08:09, всего редактировалось 1 раз.

Вернуться наверх
 
Не в сети
 Заголовок сообщения: Re: Двухполярное питание
СообщениеДобавлено: Вт дек 02, 2025 21:06:47 
Друг Кота
Аватар пользователя

Карма: 59
Рейтинг сообщений: 2218
Зарегистрирован: Чт янв 26, 2012 16:44:29
Сообщений: 19545
Откуда: Таксимо
Рейтинг сообщения: 0
На выходе платы, это еогда у тебя будет последовательное соединение двух питальников для каких то целей, чтобы когда по току начнется ограничение один из выходов может в отрицательное напряжение уйти, для этого диод шоттки

_________________
Мои поставщики запчастей с отличной репутацией
texnomag.ru
radioremont.com
pl-1.org
4ip.info
elitan.ru


Вернуться наверх
 
Не в сети
 Заголовок сообщения: Re: Двухполярное питание
СообщениеДобавлено: Вт дек 02, 2025 21:09:10 
Первый раз сказал Мяу!
Аватар пользователя

Зарегистрирован: Сб май 04, 2013 14:01:23
Сообщений: 28
Рейтинг сообщения: 0
На выходе платы, это еогда у тебя будет последовательное соединение двух питальников для каких то целей, чтобы когда по току начнется ограничение один из выходов может в отрицательное напряжение уйти, для этого диод шоттки


А диоды ставить на максимальную силу тока в районе 10 ампер? потому что каждый модуль будет где то в районе 5 ампер


Вернуться наверх
 
Не в сети
 Заголовок сообщения: Re: Двухполярное питание
СообщениеДобавлено: Вт дек 02, 2025 22:14:46 
Друг Кота
Аватар пользователя

Карма: 59
Рейтинг сообщений: 2218
Зарегистрирован: Чт янв 26, 2012 16:44:29
Сообщений: 19545
Откуда: Таксимо
Рейтинг сообщения: 0
Можно и на 20, но на 10 тоже сойдет

_________________
Мои поставщики запчастей с отличной репутацией
texnomag.ru
radioremont.com
pl-1.org
4ip.info
elitan.ru


Вернуться наверх
 
Не в сети
 Заголовок сообщения: Re: Двухполярное питание
СообщениеДобавлено: Ср дек 03, 2025 00:11:44 
Первый раз сказал Мяу!
Аватар пользователя

Зарегистрирован: Сб май 04, 2013 14:01:23
Сообщений: 28
Рейтинг сообщения: 0
Можно и на 20, но на 10 тоже сойдет


Я так понимаю это для 2х модулей


Вернуться наверх
 
Не в сети
 Заголовок сообщения: Re: Двухполярное питание
СообщениеДобавлено: Ср дек 03, 2025 00:13:05 
Друг Кота
Аватар пользователя

Карма: 59
Рейтинг сообщений: 2218
Зарегистрирован: Чт янв 26, 2012 16:44:29
Сообщений: 19545
Откуда: Таксимо
Рейтинг сообщения: 0
Для каждого свой параллельно выходу

_________________
Мои поставщики запчастей с отличной репутацией
texnomag.ru
radioremont.com
pl-1.org
4ip.info
elitan.ru


Вернуться наверх
 
Не в сети
 Заголовок сообщения: Re: Двухполярное питание
СообщениеДобавлено: Ср дек 03, 2025 19:36:06 
Первый раз сказал Мяу!
Аватар пользователя

Зарегистрирован: Сб май 04, 2013 14:01:23
Сообщений: 28
Рейтинг сообщения: 0
Для каждого свой параллельно выходу


А такой вариант?
Изображение


Вернуться наверх
 
Не в сети
 Заголовок сообщения: Re: Двухполярное питание
СообщениеДобавлено: Ср дек 03, 2025 20:08:53 
Опытный кот

Карма: 2
Рейтинг сообщений: 105
Зарегистрирован: Пт ноя 22, 2024 14:08:43
Сообщений: 854
Рейтинг сообщения: 0
на этот случай много шуток, но в этом разделе нельзя.... :)


Вернуться наверх
 
Не в сети
 Заголовок сообщения: Re: Двухполярное питание
СообщениеДобавлено: Ср дек 03, 2025 20:10:45 
Первый раз сказал Мяу!
Аватар пользователя

Зарегистрирован: Сб май 04, 2013 14:01:23
Сообщений: 28
Рейтинг сообщения: 0
на этот случай много присказок, но в этом разделе нельзя.... :)


Я понял что обмотки разные должны быть
Хочу просто объеденить


Вернуться наверх
 
Не в сети
 Заголовок сообщения: Re: Двухполярное питание
СообщениеДобавлено: Ср дек 03, 2025 20:12:30 
Опытный кот

Карма: 2
Рейтинг сообщений: 105
Зарегистрирован: Пт ноя 22, 2024 14:08:43
Сообщений: 854
Рейтинг сообщения: 0
если хочешь, то тут уже ничего не поможет.....паяй...потом расскажешь.... :)
===========
или найди (попробуй) модуль преобразователя с обратной полярностью....тогда получится....))))
когда приходится два раза подряд писать одно и то же, то это наводит на определённые мысли...)))
..........
на транзисторах такое делать можно, потому, что есть пнп и нпн, а микросхем "обратных" - не встречал...
(7805 и 7905, 317 и 337.... и те не совсем симметричные по схеме)


Последний раз редактировалось Krismi70 Ср дек 03, 2025 20:24:43, всего редактировалось 2 раз(а).

Вернуться наверх
 
Не в сети
 Заголовок сообщения: Re: Двухполярное питание
СообщениеДобавлено: Ср дек 03, 2025 20:21:55 
Нашел транзистор. Понюхал.

Зарегистрирован: Сб июл 30, 2011 21:00:24
Сообщений: 155
Рейтинг сообщения: 0
С одним источником у вас ведь земля будет посередине входного, а не выходного напряжения, это разные вещи. Детально, правда, не вникал.
На мой взгляд, два стабилизатора – плохое решение. Здоровенный аналоговый транс да ещё два импульсных стабилизатора – это перебор.
Лучше уж тогда сделать один импульсный двуполярный регулируемый источник на основе компьютерного блока питания. Правда, если самому разрабатывать, нужен некоторый опыт. Вроде как в интернете есть готовые разработки.
Самый простой вариант – поставить ЛАТР на входе трансформатора.
БУ-шные ЛАТРы раньше можно было купить за копейки, бывало, отдавали даром.
Простое, дешёвое и надёжное решение.
А для удобной работы при небольших токах (например, NE5532) можно добавить линейный двуполярный регулируемый источник, например, на LM317 и LM337. На Алиэкспрессе вроде как продаются дешёвые готовые наборы.
За счёт ЛАТРа можно уменьшать потери на регулирующих транзисторах.
Всё аналоговое, нет импульсных помех.


Вернуться наверх
 
Показать сообщения за:  Сортировать по:  Вернуться наверх
Начать новую тему Ответить на тему  [ Сообщений: 39 ]  1,  

Часовой пояс: UTC + 3 часа


Кто сейчас на форуме

Сейчас этот форум просматривают: нет зарегистрированных пользователей и гости: 33


Вы не можете начинать темы
Вы не можете отвечать на сообщения
Вы не можете редактировать свои сообщения
Вы не можете удалять свои сообщения
Вы не можете добавлять вложения

Найти:
Перейти:  


Powered by phpBB © 2000, 2002, 2005, 2007 phpBB Group
Русская поддержка phpBB
Extended by Karma MOD © 2007—2012 m157y
Extended by Topic Tags MOD © 2012 m157y